电脑桌面
添加小米粒文库到电脑桌面
安装后可以在桌面快捷访问

电子工厂常用物料编码规范VIP免费

电子工厂常用物料编码规范_第1页
1/25
电子工厂常用物料编码规范_第2页
2/25
电子工厂常用物料编码规范_第3页
3/25
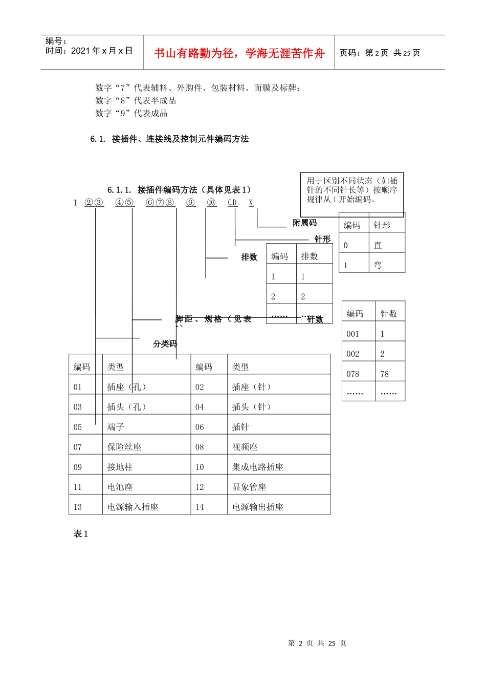
第1页共25页编号:时间:2021年x月x日书山有路勤为径,学海无涯苦作舟页码:第1页共25页物料编码规范1.范围本规范规定了XX电子技术有限公司在采购、生产、仓管中所有物料的编码规则。本规范适用于XX电子技术有限公司。新增物料的引用都必须遵守此规范。2.概述物料编码是以简单的文字符号或数字号码来代表物料的品名、规格或类别及其它有关事项的一种管理工具。本规范的目的是便于物料的采购、跟催、验收、查询、领发、盘点、储存等工作,物料的电脑化管理,使各部门提高工作效率。3.编码原则物料编码必须遵守物料编码的原则,合理的物料编码,必须具备下列基本条件:3.1.唯一性:是指一个物料编码只能代表一种物料,同一种物料只能找到一个物料编码,而绝无一种物料有数个物料编码,或一个物料编码有数种物料。3.2.简单性:编码的目的在于将物料化繁为简,便于物料的管理,因此物料编码在应用文字符号或数字上应力求简单明了,这样可节省阅读、填写、录入的时间,并可减少其中的错误机会。3.3.完整性:在物料编码时,所有的物料都应有物料编码可归,这样的物料编码才能完整。若某些物料找不到赋予的物料编码,则物料编码缺乏完整性。3.4.伸缩性:物料编码要考虑到未来新产品发展和产品规格的变更而发生物料扩展或变动的情形。4.名词术语成形:施加一外力,改变元件引线的走向或直径,使之形成所要求的几何形状。5.编码规定本编码系统格式基本由分类码、规格码、附属码及供应商区分码四部分组成,力求尽可能反应物料的特征。分类码包括大分类、小分类代码;规格码包含物料的规格、属性;附属码是便于区分同种物料不同状态(如成形、封装等);最后一位(X)当供应商需要加以区别时进行顺序编码,不用区别时以“0”编码。为了体现物料编码的唯一性,一般采用重新编码加以区分不同的供应商或同一物料不同版本的情况。编码采用24个大写英文字母(I、O除外,避免与数字1、0混淆)与阿拉伯数字0~9混合使用,固定长度12位。6.编码方法本编码系统主要采用暗示编码法(即从编码中可以获取物料的相关信息)。根据公司目前的现有物料结构,用1~9共九个数字作为物料的大类代码(物料编码第一位代码):数字“1”代表接插件、连接线、控制元件(开关、按键、继电器)类;数字“2”代表塑胶件及PCB;数字“3”代表五金件及标准件;数字“4”留作备用;数字“5”代表电阻、电容、磁性材料与器件、保险丝、晶体类;数字“6”代表晶体管、集成电路、二极管、显像管类;第2页共25页第1页共25页编号:时间:2021年x月x日书山有路勤为径,学海无涯苦作舟页码:第2页共25页数字“7”代表辅料、外购件、包装材料、面膜及标牌;数字“8”代表半成品数字“9”代表成品6.1.接插件、连接线及控制元件编码方法6.1.1.接插件编码方法(具体见表1)1②③④⑤⑥⑦⑧⑨⑩⑾X表1分类码针数排数脚距、规格(见表1)针形附属码用于区别不同状态(如插针的不同针长等)按顺序规律从1开始编码。编码针形0直1弯编码排数1122…………编码针数0011002207878…………编码类型编码类型01插座(孔)02插座(针)03插头(孔)04插头(针)05端子06插针07保险丝座08视频座09接地柱10集成电路插座11电池座12显象管座13电源输入插座14电源输出插座第3页共25页第2页共25页编号:时间:2021年x月x日书山有路勤为径,学海无涯苦作舟页码:第3页共25页码位号:④⑤编码01020304050607插针脚距1.272.02.54编码01020304050607插头规格2510H1121H401AH2001H1030编码08091011121314插头规格1130FC24118241191102H5557H编码15161718192021插头规格编码01020304050607插座规格2510401A2001DMSHDC2DC3编码08091011121314插座规格203-11121SMT203-2SFC-140TFC-14040500编码15161718192021插座规格0143DMRHDB1102DBH编码22232425262728插座规格第4页共25页第3页共25页编号:时间:2021年x月x日书山有路勤为径,学海无涯苦作舟页码:第4页共25页6.1.2.其余接插件编码方法(具体见表2)1②③④⑤⑥⑦⑧⑨⑩⑾X表2型号2510T401AT1030TSNB2-6SCIC808-1.0-1MYC2.54-1.15-9.0编码2510T0401AT01030T0SNB26SCIC808MYC254型号SS-8BHS-150-BRF-190BNC-...

1、当您付费下载文档后,您只拥有了使用权限,并不意味着购买了版权,文档只能用于自身使用,不得用于其他商业用途(如 [转卖]进行直接盈利或[编辑后售卖]进行间接盈利)。
2、本站所有内容均由合作方或网友上传,本站不对文档的完整性、权威性及其观点立场正确性做任何保证或承诺!文档内容仅供研究参考,付费前请自行鉴别。
3、如文档内容存在违规,或者侵犯商业秘密、侵犯著作权等,请点击“违规举报”。

碎片内容

电子工厂常用物料编码规范

中小学教育精品资料+ 关注
实名认证
内容提供者

中小学教育资料,优质文档创作者

确认删除?
VIP
微信客服
  • 扫码咨询
会员Q群
  • 会员专属群点击这里加入QQ群
客服邮箱
回到顶部