电脑桌面
添加小米粒文库到电脑桌面
安装后可以在桌面快捷访问

钢铁工业能源现状和管理VIP免费

钢铁工业能源现状和管理_第1页
1/17
钢铁工业能源现状和管理_第2页
2/17
钢铁工业能源现状和管理_第3页
3/17
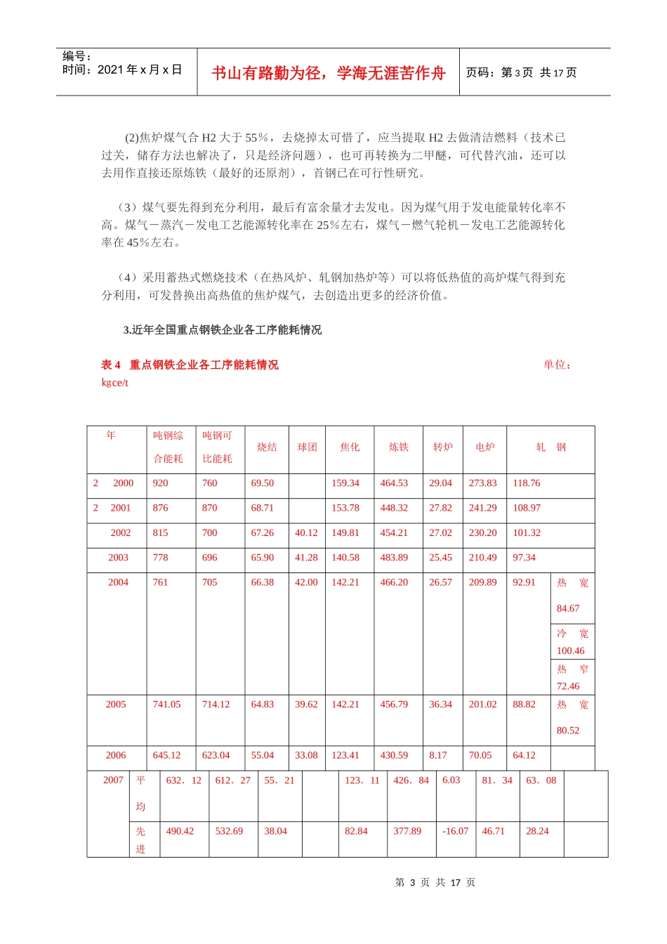
第1页共17页编号:时间:2021年x月x日书山有路勤为径,学海无涯苦作舟页码:第1页共17页钢铁工业能源现状和管理一、2004年中国能源消耗总量为19.7亿吨标准煤,其中钢铁工业消耗2.99亿吨标准煤(含矿山、铁合金、焦化、耐材等行业),占中国能源总消费量的15.18%。2007年钢铁工业总能源占全国能耗14.71%,工业废水排放量占工业排放总量8.53%,工业粉尘排放量占工业总排放量15.18%。1、钢铁工业用能结构表.1钢铁工业能源消费构成单位:%煤炭电力石油类天然气2004年中国69.9026.43.200.50焦煤、煤粉47.93动力煤21.97日本85.721.92.380焦炭、煤粉51.58副产煤气34.12厂内使用22..22发电11.9宝钢88.7811.00.220焦炭58.45煤粉16.20动力煤13.94说明:⑴钢铁工业的用能是以煤炭为主,占70%以上。钢铁工业用能发展趋势是向多买煤,少买电力和石油类产品,不用天然气方向发展。⑵日本钢铁企业自发电量占企业总用电量50%,说明充分利用好副产煤气对节能有重大意义。⑶副产煤气(高炉、焦炉、转炉煤气)的热值是企业购煤总热量的34.12%。数值巨大,煤气使用好坏对企业能耗会产生重大影响。应高度重视钢铁企业煤气应用情况,尽最大限度科学、合理地发挥其作用。⑷钢铁企业尚没有向社会上供电的能力,也没有必要刻求。2、钢铁企业煤气性能和使用情况表2.煤气性能第2页共17页第1页共17页编号:时间:2021年x月x日书山有路勤为径,学海无涯苦作舟页码:第2页共17页热值kJ/m³高炉煤气转炉煤气焦炉煤气发生量m³/t2800~35007000~840017000~195001700~200080~120350~430成份%CO214~225~72~3CO24~3060~905~7H21~20.5~2.055~60N257~5910~204~10CH40.3~0.824~27O20.3~0.8CnH2n-21~2表32007年前三季全国重点钢铁企业煤气使用情况高炉煤气放散率%焦炉煤气放散率%转炉煤气回收率m³/t钢平均值6.673.3763先进值0(15个企业)0(24个企业)115落后值23.9613.540(16个企业)说明:(1)从表2可看出转炉煤气热值是高炉煤气的热值1倍多,但全国重点钢铁企业(79个单位)有20个单位没有进行回收利用,这是个很大的浪费。国外工业发达国家转炉煤气回收量在100m³/t钢左右,而我国在56m³/t钢这也是个浪费。存在的主要问题是:(a)转炉容积偏小,回收投资大,难于管理。(b)转炉除尘技术部份企业尚未过关。(c)转炉煤气回收后,没有设置煤气储存柜,用户没能落实。(d)企业管理尚存在缺陷。转炉煤气回收量大于100m³/t钢,煤气显热可回收90㎏/t钢蒸汽,且能使回收的物质得到充分利用,就可以实现负能炼钢。第3页共17页第2页共17页编号:时间:2021年x月x日书山有路勤为径,学海无涯苦作舟页码:第3页共17页(2)焦炉煤气合H2大于55%,去烧掉太可惜了,应当提取H2去做清洁燃料(技术已过关,储存方法也解决了,只是经济问题),也可再转换为二甲醚,可代替汽油,还可以去用作直接还原炼铁(最好的还原剂),首钢已在可行性研究。(3)煤气要先得到充分利用,最后有富余量才去发电。因为煤气用于发电能量转化率不高。煤气-蒸汽-发电工艺能源转化率在25%左右,煤气-燃气轮机-发电工艺能源转化率在45%左右。(4)采用蓄热式燃烧技术(在热风炉、轧钢加热炉等)可以将低热值的高炉煤气得到充分利用,可发替换出高热值的焦炉煤气,去创造出更多的经济价值。3.近年全国重点钢铁企业各工序能耗情况表4重点钢铁企业各工序能耗情况单位:㎏ce/t年吨钢综合能耗吨钢可比能耗烧结球团焦化炼铁转炉电炉轧钢2200092076069.50159.34464.5329.04273.83118.762200187687068.71153.78448.3227.82241.29108.97200281570067.2640.12149.81454.2127.02230.20101.32200377869665.9041.28140.58483.8925.45210.4997.34200476170566.3842.00142.21466.2026.57209.8992.91热宽84.67冷宽100.46热窄72.462005741.05714.1264.8339.62142.21456.7936.34201.0288.82热宽80.522006645.12623.0455.0433.08123.41430.598.1770.0564.122007平均632.12612.2755.21123.11426.846.0381.3463.08先进490.42532.6938.0482.84377.89-16.0746.7128.24第4页共17页第3页共17页编号:时间:2021年x月x日书山有路勤...

1、当您付费下载文档后,您只拥有了使用权限,并不意味着购买了版权,文档只能用于自身使用,不得用于其他商业用途(如 [转卖]进行直接盈利或[编辑后售卖]进行间接盈利)。
2、本站所有内容均由合作方或网友上传,本站不对文档的完整性、权威性及其观点立场正确性做任何保证或承诺!文档内容仅供研究参考,付费前请自行鉴别。
3、如文档内容存在违规,或者侵犯商业秘密、侵犯著作权等,请点击“违规举报”。

碎片内容

钢铁工业能源现状和管理

确认删除?
VIP
微信客服
  • 扫码咨询
会员Q群
  • 会员专属群点击这里加入QQ群
客服邮箱
回到顶部