电脑桌面
添加小米粒文库到电脑桌面
安装后可以在桌面快捷访问

装饰装修工程施工现场质量检查记录VIP专享VIP免费

装饰装修工程施工现场质量检查记录_第1页
1/145
装饰装修工程施工现场质量检查记录_第2页
2/145
装饰装修工程施工现场质量检查记录_第3页
3/145
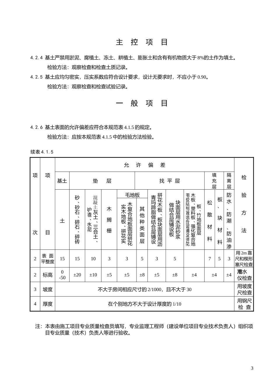
建筑装饰装修工程检查用表建筑装饰装修分部幕墙子分部工程中玻璃幕墙分项工程检验批质量验收记录分为《玻璃幕墙(明框)工程检验批质量验收记录》和《玻璃幕墙(隐框、半隐框)工程检验批质量验收记录》。1基土检验批质量验收记录(GB50209-2002)表4.2编号:030101□□□工程名称分项工程名称项目经理施工单位验收部位施工执行标准名称及编号专业工长(施工员)分包单位分包项目经理施工班组长质量验收规范的规定施工单位自检记录监理(建设)单位验收记录主控项目1基土严禁用淤泥、腐植土、冻土、耕植土、膨胀土和含有有机物质大于8%的土作为填土。2基土应均匀密实,压实系数应符合设计要求,设计无要求时不应少于0.9。一般项目基土1表面平整度152标高0503坡度不大于房间相应尺寸的2/1000,且不大于30。4厚度在个别地方不大于设计厚度的1/10。施工操作依据质量检查记录施工单位检查结果评定项目专业项目专业质量检查员:技术负责人:年月日监理(建设)单位验收结论专业监理工程师:(建设单位项目专业技术负责人)年月日030101□□□说明2主控项目4.2.4基土严禁用淤泥、腐植土、冻土、耕植土、膨胀土和含有有机物质大于8%的土作为填土。检验方法:观察检查和检查土质记录。4.2.5基土应均匀密实,压实系数应符合设计要求,设计无要求时,不应小于0.90。检验方法:观察检查和检查试验记录。一般项目4.2.6基土表面的允许偏差应符合本规范表4.1.5的规定。检验方法:应按本规范表4.1.5中的检验方法检验。续表4.1.5项次项目允许偏差检验方法基土垫层找平层填充层隔离层土砂、砂石、碎石、碎砖混凝土灰土、三合土、炉渣、水泥木搁栅毛地板拼花木板、板块面层用沥青玛蹄脂做结合层铺设块面层用水泥砂浆做结合层铺设板板、竹地板面层木板、塑料板、强化复合地用胶粘剂做结合层铺设拼花松散材料板、块材料防水、防潮、防油渗木复合地板面层拼花实木地板、拼花实其他种类面层2表面平整度15151033535753用2m靠尺和楔形塞尺检查2标高0-50±20±10±5±5±8±5±8±4±4±4用水准仪检查3坡度不大于房间相应尺寸的2/1000,且不大于30用坡度尺检查4厚度在个别地方不大于设计厚度的1/10用钢尺检查注:本表由施工项目专业质量检查员填写,专业监理工程师(建设单位项目专业技术负责人)组织项目专业质量(技术)负责人等进行验收。3灰土、三合土、炉渣、水泥混凝土垫层检验批质量验收记录(GB50209-2002)表4.3(6、7、8)编号:030102□□□工程名称分项工程名称项目经理施工单位验收部位施工执行标准名称及编号专业工长(施工员)分包单位分包项目经理施工班组长质量验收规范的规定施工单位自检记录监理(建设)单位验收记录主控项目1三合土(4.6.3条)2三合土(4.6.4条)3灰土(4.3.5条)4炉渣(4.7.4条)5炉渣(4.7.5条)6水泥混凝土(4.8.8条)7水泥混凝土(4.8.9条)一般项目1表面平整度10mm2标高±10mm3坡度不大于房间相应尺寸的2‰,且≯30mm。4厚度在个别地方不大于设计厚度的1/10。施工操作依据质量检查记录施工单位检查结果评定项目专业项目专业质量检查员:技术负责人:年月日监理(建设)单位验收结论专业监理工程师:(建设单位项目专业技术负责人)年月日030102□□□说明4主控项目(灰土)4.3.5灰土体积比应符合设计要求。检验方法:观察检查和检查配合比通知单记录。(三合土)4.6.3熟化石灰颗粒粒径不得大于5mm;砂应用中砂,并不得含有草根等有机物质;碎砖不应采用风化、酥松和有机杂质的砖料,颗粒粒径不应大于60mm。检验方法:观察检查和检查材质合格证明文件及检测报告。4.6.4三合土的体积比应符合设计要求。检验方法:观察检查和检查配合比通知单记录。(炉渣)4.7.4炉渣内不应含有有机杂质和未燃尽的煤块,颗粒粒径不应大于40mm,且颗粒粒径在5mm及其以下的颗粒,不得超过总体积的40%;熟化石灰颗粒粒径不得大于5mm。检验方法:观察检查和检查材质合格证明文件及检测报告。4.7.5炉渣垫层的体积比应符合设计要求。检验方法:观察检查和检查配合比通知单。(水泥混凝土)4.8.8水泥混凝土垫层采用的粗骨料,其最大粒径不应大于垫层厚度的2/3;含泥量不应大于2%。砂为中粗砂,其含泥量不...

1、当您付费下载文档后,您只拥有了使用权限,并不意味着购买了版权,文档只能用于自身使用,不得用于其他商业用途(如 [转卖]进行直接盈利或[编辑后售卖]进行间接盈利)。
2、本站所有内容均由合作方或网友上传,本站不对文档的完整性、权威性及其观点立场正确性做任何保证或承诺!文档内容仅供研究参考,付费前请自行鉴别。
3、如文档内容存在违规,或者侵犯商业秘密、侵犯著作权等,请点击“违规举报”。

碎片内容

装饰装修工程施工现场质量检查记录

确认删除?
VIP
微信客服
  • 扫码咨询
会员Q群
  • 会员专属群点击这里加入QQ群
客服邮箱
回到顶部