电脑桌面
添加小米粒文库到电脑桌面
安装后可以在桌面快捷访问

许可证等级标准表doc-山东省电力设施承装修试企业协会VIP专享VIP免费

许可证等级标准表doc-山东省电力设施承装修试企业协会_第1页
1/6
许可证等级标准表doc-山东省电力设施承装修试企业协会_第2页
2/6
许可证等级标准表doc-山东省电力设施承装修试企业协会_第3页
3/6
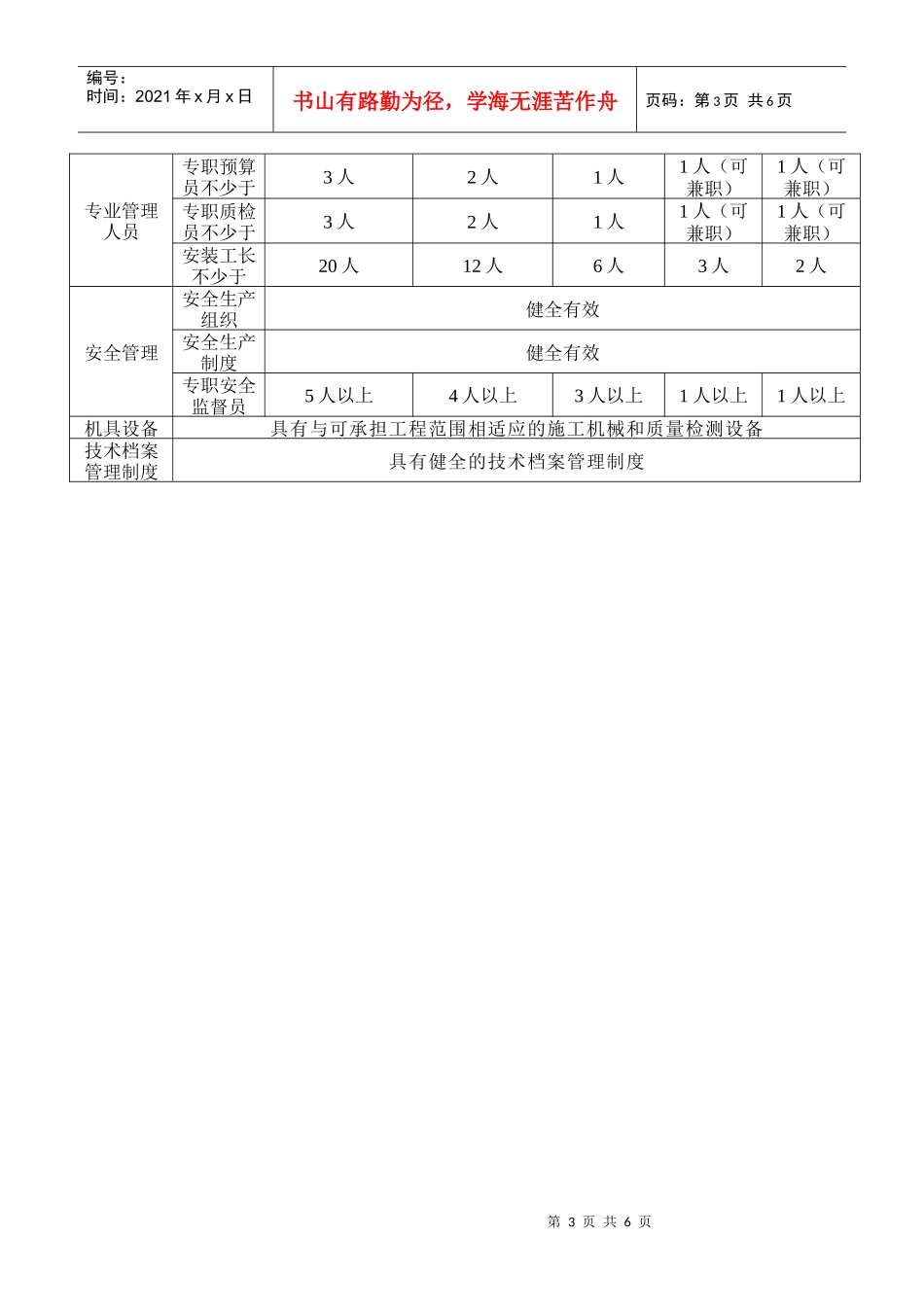
第1页共6页编号:时间:2021年x月x日书山有路勤为径,学海无涯苦作舟页码:第1页共6页承装类承装(修、试)电力设施许可证等级标准第2页共6页第1页共6页编号:时间:2021年x月x日书山有路勤为径,学海无涯苦作舟页码:第2页共6页等级项目一级二级三级四级五级法人资格及组织机构具备法人资格和完善的组织机构注册资本不低于6000万元2400万元1200万元300万元150万元净资产不低于6000万元2400万元1200万元300万元150万元3年内必承担右列第一项工程,第二、三项工程,且工程质量合格变电站330万千伏2座或220千伏5座220万千伏4座或110千伏6座110万千伏2座或10千伏变电工程4项无要求送电(架空)路线330千伏300公里或220千伏500公里(架空线路)220千伏400公里或110千伏500公里(架空线路)110千伏200公里或10千伏400公里电缆线路或跨越工程220千伏电缆线路80公里或者高100米跨越工程1项220千伏电缆线路40公里或者110千伏电缆线路80公里110千伏电缆线路40公里或者10千伏电缆线路100公里3年内安装业务最高收入不低于2亿元1亿元3000万元技术负责人、安全负责人安装管理经验10年8年5年4年3年任职资格(电力相关专业)高级工程师高级工程师工程师初级以上技术人员初级以上技术人员技术及经济管理人员总数不少于70人50人20人10人5人电力专业中级以上技术人员不少于50人30人10人3人(初级)2人(初级)电力专业注册建造师15人(一级)6人2人无要求持进网作业证电工总数不少于120人90人40人25人10人高压电工不少于70人50人25人13人5人特种电工不少于20人15人8人5人2人各专业人数不少于5人3人2人1人无第3页共6页第2页共6页编号:时间:2021年x月x日书山有路勤为径,学海无涯苦作舟页码:第3页共6页专业管理人员专职预算员不少于3人2人1人1人(可兼职)1人(可兼职)专职质检员不少于3人2人1人1人(可兼职)1人(可兼职)安装工长不少于20人12人6人3人2人安全管理安全生产组织健全有效安全生产制度健全有效专职安全监督员5人以上4人以上3人以上1人以上1人以上机具设备具有与可承担工程范围相适应的施工机械和质量检测设备技术档案管理制度具有健全的技术档案管理制度第4页共6页第3页共6页编号:时间:2021年x月x日书山有路勤为径,学海无涯苦作舟页码:第4页共6页承修类承装(修、试)电力设施许可证等级标准等级项目一级二级三级四级五级法人资格及组织机构具备法人资格和完善的组织机构注册资本不低于4800万元2000万元1000万元300万元150万元净资产不低于4800万元2000万元1000万元300万元150万元线路及变电设施维修经历连续2年以上330万千伏//无要求连续3年以上220千伏(或)110千伏10千伏技术负责人、安全负责人维修管理经验不少于8年5年5年3年3年任职资格(电力相关专业)高级工程师高级工程师工程师初级以上技术人员初级以上技术人员技术及经济管理人员总数不少于50人30人15人10人5人电力专业工程技术人员不少于30人20人10人3人3人持进网作业证电工总数不少于80人60人40人20人8人高压电工不少于50人35人25人12人4人特种电工不少于15人10人7人4人2人安全管理安全生产组织健全有效安全生产制度健全有效专职安全监督员5人以上4人以上3人以上1人以上(可兼职)1人以上(可兼职)机具设备具有与可承担工程范围相适应的施工机械和质量检测设备技术档案管理制度具有健全的技术档案管理制度第5页共6页第4页共6页编号:时间:2021年x月x日书山有路勤为径,学海无涯苦作舟页码:第5页共6页承试类承装(修、试)电力设施许可证等级标准第6页共6页第5页共6页编号:时间:2021年x月x日书山有路勤为径,学海无涯苦作舟页码:第6页共6页等级项目一级二级三级四级五级法人资格及组织机构具备法人资格和完善的组织机构注册资本不低于4800万元2400万元1200万元600万元300万元净资产不低于4800万元2400万元1200万元600万元300万元线路及变电设施维修经历连续2年以上330万千伏//无要求连续3年以上220千伏(或)110千伏10千伏技术负责人、安全负责人维修管理经验不少于8年5年5年3年3年任职资格(电力相关专业)高级工程师工程师工程师初级以上技术人员初级以上技术人员技术及经济管理人员总数不少于50人30人20人10...

1、当您付费下载文档后,您只拥有了使用权限,并不意味着购买了版权,文档只能用于自身使用,不得用于其他商业用途(如 [转卖]进行直接盈利或[编辑后售卖]进行间接盈利)。
2、本站所有内容均由合作方或网友上传,本站不对文档的完整性、权威性及其观点立场正确性做任何保证或承诺!文档内容仅供研究参考,付费前请自行鉴别。
3、如文档内容存在违规,或者侵犯商业秘密、侵犯著作权等,请点击“违规举报”。

碎片内容

许可证等级标准表doc-山东省电力设施承装修试企业协会

确认删除?
VIP
微信客服
  • 扫码咨询
会员Q群
  • 会员专属群点击这里加入QQ群
客服邮箱
回到顶部