电脑桌面
添加小米粒文库到电脑桌面
安装后可以在桌面快捷访问

职业健康安全环境保护专项施工方案VIP免费

职业健康安全环境保护专项施工方案_第1页
1/81
职业健康安全环境保护专项施工方案_第2页
2/81
职业健康安全环境保护专项施工方案_第3页
3/81
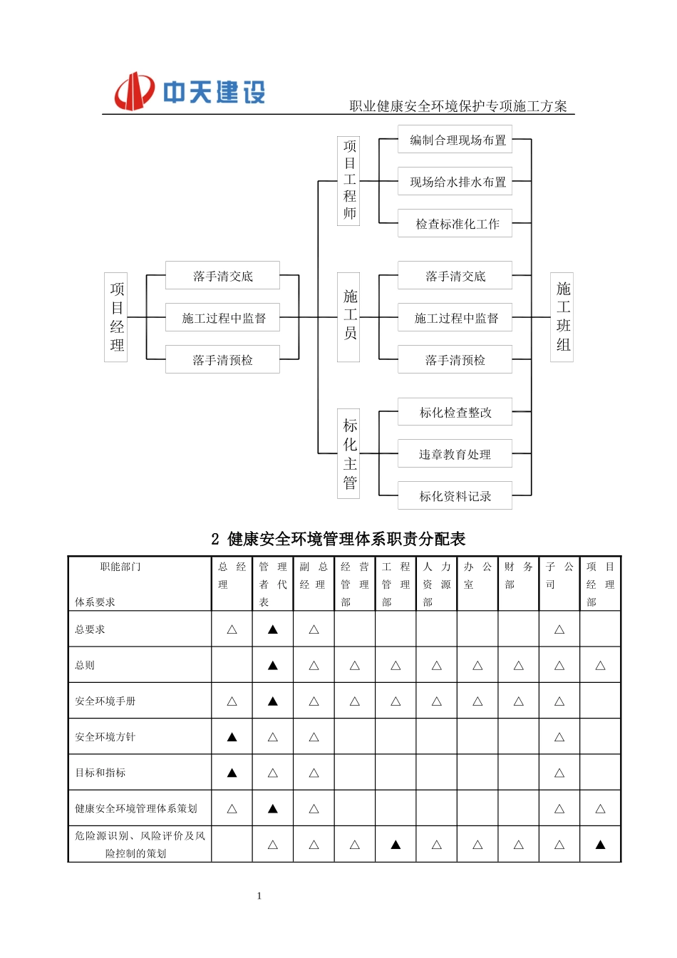
职业健康安全环境保护专项施工方案目录1健康安全环境管理体系组织机构图..........................12健康安全环境管理体系职责分配表..........................23管理职责................................................44环境因素识别与评价程序..................................95危险源辨识、风险评价和风险控制程序.....................116安全防护控制程序.......................................157环境保护控制程序.......................................178节能降耗控制程序.......................................198应急准备和响应控制程序.................................209事故报告、调查处理程序.................................2310环境管理方案..........................................2811健康管理方案..........................................3512安全管理方案..........................................36附录1以过程为基础的健康安全环境管理体系模式.............52附录2健康安全环境管理体系过程分解图.....................53附录3环境因素评价表.....................................54附录4危险源辨识与评价调查表.............................640职业健康安全环境保护专项施工方案1健康安全环境管理体系组织机构图施工单位文明施工保证体系10职业健康安全环境保护专项施工方案2健康安全环境管理体系职责分配表职能部门体系要求总经理管理者代表副总经理经营管理部工程管理部人力资源部办公室财务部子公司项目经理部总要求△▲△△总则▲△△△△△△△△安全环境手册△▲△△△△△△△安全环境方针▲△△△目标和指标▲△△△健康安全环境管理体系策划△▲△△△危险源识别、风险评价及风险控制的策划△△△▲△△△△▲编制合理现场布置现场给水排水布置检查标准化工作落手清交底施工过程中监督落手清预检标化资料记录违章教育处理标化检查整改落手清预检施工过程中监督落手清交底项目工程师施工员标化主管施工班组项目经理文明施工保证体系21职业健康安全环境保护专项施工方案环境因素△△△▲△△△△▲法律、法规及其他要求△△△▲△△△△▲工作环境△▲△▲△△▲产品防护▲▲▲监视和测量装置控制▲△▲运行控制△△▲△△△▲▲应急准备和响应△△▲△△△▲▲过程的监视和测量△△▲△△△△▲产品的监视和测量△▲△▲职业健康安全及环境的监视和测量△△▲△△△△▲233管理职责3.1管理承诺为保证管理体系的有效运行,总经理做出以下承诺:a)制订批准健康安全环境管理方针和管理目标,确保管理目标在公司、子公司、管理部门及项目部等层次上得到分解和考核;b)确保工程环境管理、职业健康安全管理满足业主、相关方及法律法规的要求,通过会议、报告、文件等形式向公司全体人员传达其重要性,使全体员工认识和理解管理方针和目标,为之努力实施;c)为管理体系的正常运行配备必要的人力、物力及资金;d)每年进行管理评审,确认体系的适宜性和有效性。3.2以顾客和相关方为关注焦点a)首先要明确业主和相关方对工程质量、进度、安全文明生产、劳动保障、环境保护等方面的要求,采用的方法主要有:标书合同评审、市场信息收集、日常与业主及相关方的联络沟通、收集与工程质量、职业健康安全、环保相关的法律法规要求;b)施工前仔细策划,形成完善的施工方案,施工中严格执行,努力实现a)条款中明确的要求,注重和业主及相关方的及时沟通;c)工程竣工交付后及时做好工程回访和相关方满意度调查工作,对存在的问题立即整改,并进行总结,必要时制订纠正、预防措施,达到持续改进的目的。3.3安全环境方针以诚为本,以质取胜;安全文明,遵规守法;科学管理,精益求精。3.3.1方针含义:a)以诚为本,以质取胜:公司经营以诚信为本,关注业主的要求,对施工进行严格管理,向业主交付优质的工程;b)安全文明,遵规守法:施工现场要做到安全文明、符合环保,同时重视职工的劳动保障、职业健康,严格遵守和执行国家有关工程施工职业健康安全和环保的法律、法规;c)科学管理,精益求精:公司在管理上要始终保持科学严...

1、当您付费下载文档后,您只拥有了使用权限,并不意味着购买了版权,文档只能用于自身使用,不得用于其他商业用途(如 [转卖]进行直接盈利或[编辑后售卖]进行间接盈利)。
2、本站所有内容均由合作方或网友上传,本站不对文档的完整性、权威性及其观点立场正确性做任何保证或承诺!文档内容仅供研究参考,付费前请自行鉴别。
3、如文档内容存在违规,或者侵犯商业秘密、侵犯著作权等,请点击“违规举报”。

碎片内容

职业健康安全环境保护专项施工方案

您可能关注的文档

中小学教育精品资料+ 关注
实名认证
内容提供者

中小学教育资料,优质文档创作者

相关文档

确认删除?
VIP
微信客服
  • 扫码咨询
会员Q群
  • 会员专属群点击这里加入QQ群
客服邮箱
回到顶部