电脑桌面
添加小米粒文库到电脑桌面
安装后可以在桌面快捷访问

绿化工程交接单VIP免费

绿化工程交接单_第1页
1/56
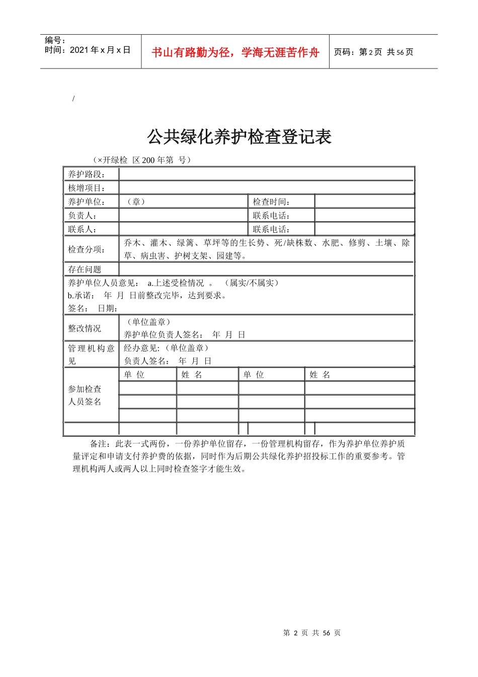
绿化工程交接单_第2页
2/56
绿化工程交接单_第3页
3/56
第1页共56页编号:时间:2021年x月x日书山有路勤为径,学海无涯苦作舟页码:第1页共56页绿化工程交接单工程名称具体地段交接时间移绿地面积(M2)工程类别交园建面积(M2)工程性质内水体面积(M2)容参加建设单位施工单位接管单位交接单位(盖章)(盖章)(盖章)意见年月日年月日年月日单位名称姓名参加人员备注第2页共56页第1页共56页编号:时间:2021年x月x日书山有路勤为径,学海无涯苦作舟页码:第2页共56页/公共绿化养护检查登记表(×开绿检区200年第号)养护路段:核增项目:养护单位:(章)检查时间:负责人:联系电话:联系人:联系电话:检查分项:乔木、灌木、绿篱、草坪等的生长势、死/缺株数、水肥、修剪、土壤、除草、病虫害、护树支架、园建等。存在问题养护单位人员意见:a.上述受检情况。(属实/不属实)b.承诺:年月日前整改完毕,达到要求。签名:日期:整改情况(单位盖章)养护单位负责人签名:年月日管理机构意见经办意见:(单位盖章)负责人签名:年月日参加检查人员签名单位姓名单位姓名备注:此表一式两份,一份养护单位留存,一份管理机构留存,作为养护单位养护质量评定和申请支付养护费的依据,同时作为后期公共绿化养护招投标工作的重要参考。管理机构两人或两人以上同时检查签字才能生效。第3页共56页第2页共56页编号:时间:2021年x月x日书山有路勤为径,学海无涯苦作舟页码:第3页共56页绿化工程工程量统计表绿化工程工程量统计表工程名称:序号项目名称单位完成工程量备注施工单位:监理单位:建设单位:第4页共56页第3页共56页编号:时间:2021年x月x日书山有路勤为径,学海无涯苦作舟页码:第4页共56页(签章)(签章)(签章)说明:此表用于填写回填土方量等工程发生量的核算园林工程竣工移交证书工程名称编号地点日期致:(建设单位):兹证明承包单位施工的工程,已按施工合同的要求完成,并验收合格,即日起该工程移交建设单位管理,并进入保修期。附件:单位工程验收记录总监理工程师(签字)监理单位(章)日期:年月日日期:年月日建设单位代表(签字)建设单位(章)日期:年月日第5页共56页第4页共56页编号:时间:2021年x月x日书山有路勤为径,学海无涯苦作舟页码:第5页共56页日期:年月日园林施工工程延期审批表园林施工工程延期审批表工程名称编号地点日期致:(承包单位):根据施工合同条款条的规定,我方对你方提出的第()号关于工程延期申请,要求延长工期日历天,经过我方审核评估:□同意工期延长日历天,竣工日期(包括已指令延长的工期)从原来的年月日延长到年月日。请你方执行。□不同意延长工期,请按约定竣工日期组织施工。说明:建设单位名称:建设单位工程师(签字):第6页共56页第5页共56页编号:时间:2021年x月x日书山有路勤为径,学海无涯苦作舟页码:第6页共56页园林施工工程暂停令园林施工工程暂停令工程名称编号地点日期致:(承包单位):由于原因,现通知你方必须于年月日时起,对本工程的部位(工序)实施暂停施工,并按下述要求做好各项工作:监理单位名称:总监理工程师(签字):第7页共56页第6页共56页编号:时间:2021年x月x日书山有路勤为径,学海无涯苦作舟页码:第7页共56页园林施工不合格项处置记录园林施工不合格项处置记录工程名称编号地点发生/发现日期不合格项发生部位与原因:致:(承包单位):由于以下情况的发生,使你单位在施工中,发生严重□/一般□不合格项,请及时采取措施及时整改。具体情况:□自行整改□整改后报我方验收监理单位名称:签发人(签字):日期:不合格项整改措施和结果:(签发单位):根据你方指示,我方已完成整改,请予以验收。单位负责人(签字):日期:整改结论:□同意验收□□继续整改□验收单位名称:验收人(签字):日期:第8页共56页第7页共56页编号:时间:2021年x月x日书山有路勤为径,学海无涯苦作舟页码:第8页共56页园林施工旁站监理记录园林施工旁站监理记录工程名称编号地点日期旁站部位或工序:旁站开始时间:旁站结束时间:施工情况:监理情况:发现问题:处理意见:承包单位:质检员(签字):年月日监理单位:旁站监理员(签字):...

1、当您付费下载文档后,您只拥有了使用权限,并不意味着购买了版权,文档只能用于自身使用,不得用于其他商业用途(如 [转卖]进行直接盈利或[编辑后售卖]进行间接盈利)。
2、本站所有内容均由合作方或网友上传,本站不对文档的完整性、权威性及其观点立场正确性做任何保证或承诺!文档内容仅供研究参考,付费前请自行鉴别。
3、如文档内容存在违规,或者侵犯商业秘密、侵犯著作权等,请点击“违规举报”。

碎片内容

绿化工程交接单

确认删除?
VIP
微信客服
  • 扫码咨询
会员Q群
  • 会员专属群点击这里加入QQ群
客服邮箱
回到顶部