电脑桌面
添加小米粒文库到电脑桌面
安装后可以在桌面快捷访问

福建省房屋建筑工程和市政VIP免费

福建省房屋建筑工程和市政_第1页
1/6
福建省房屋建筑工程和市政_第2页
2/6
福建省房屋建筑工程和市政_第3页
3/6
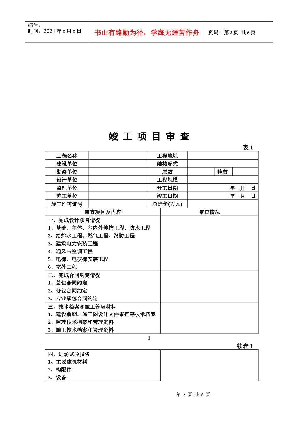
第1页共6页编号:时间:2021年x月x日书山有路勤为径,学海无涯苦作舟页码:第1页共6页福建省房屋建筑工程竣工验收报告福建省建设厅制第2页共6页第1页共6页编号:时间:2021年x月x日书山有路勤为径,学海无涯苦作舟页码:第2页共6页填表说明1、竣工验收报告由建设单位负责填写。2、竣工验收报告一式四份,一律用钢笔书写,字迹要清晰工整。建设单位、施工单位、建设档案部门、建设行政主管部门各存一份。3、报告内容必须真实可靠,如发现虚假情况,不予备案。4、报告须经建设、勘察、设计、施工、工程监理单位法定代表人或其委托代理人签字,并加盖单位公章后为有效。5、工程竣工验收报告应附下列复印件:(1)施工许可证;(2)工程勘察成果及施工图设计文件审查批准书;(3)施工单位的工程竣工报告;监理单位的工程质量评估报告;勘察、设计单位的质量检查报告;(4)规划、公安消防、环保等部门出具的认可文件或准许使用文件;(5)施工单位签署的工程质量保修书。第3页共6页第2页共6页编号:时间:2021年x月x日书山有路勤为径,学海无涯苦作舟页码:第3页共6页竣工项目审查表1工程名称工程地址建设单位结构形式勘察单位层数幢数设计单位工程规模监理单位开工日期年月日施工单位竣工日期年月日施工许可证号总造价(万元)审查项目及内容审查情况一、完成设计项目情况1、基础、主体、室内外装饰工程、防水工程2、给排水工程、燃气工程、消防工程3、建筑电力安装工程4、通风与空调工程5、电梯、电扶梯安装工程6、室外工程二、完成合同约定情况1、总包合同约定2、分包合同约定3、专业承包合同约定三、技术档案和施工管理材料1、建设前期、施工图设计文件审查等技术档案2、监理技术档案和管理资料3、施工技术档案和管理资料1续表1四、进场试验报告1、主要建筑材料2、构配件3、设备第4页共6页第3页共6页编号:时间:2021年x月x日书山有路勤为径,学海无涯苦作舟页码:第4页共6页4、主要使用功能检验报告五、质量评价文件1、勘察单位质量检查报告2、设计单位质量检查报告3、施工单位竣工报告4、监理单位质量评估报告六、工程质量保修书1、总、分包单位2、专业承包单位审查结论:建设单位工程负责人:20年月日2竣工验收组织实施情况一、验收机构(一)领导层表2主任副主任成员(二)专业组验收专业组组长组员建筑工程第5页共6页第4页共6页编号:时间:2021年x月x日书山有路勤为径,学海无涯苦作舟页码:第5页共6页给排水、燃气工程建筑电气安装工程通风与空调工程电梯安装工程室外工程注:建设、监理、勘察、设计、施工单位的专业人员均必须参加相应的验收专业组,外聘专家应注明职务、职称。二、验收组织程序(一)建设单位主持验收会议;(二)施工单位介绍施工情况;(三)监理单位介绍监理情况;(四)各验收专业组核查质保资料,并到现场检查;(五)各验收专业组总结发言,建设单位做好记录。3工程质量评定表3分部工程名称评定等级质量保证资料评定观感质量评定地基与基础工程主体工程共核查项,其中符合要求项,经鉴定符合要求项结论:应得分实得分得分率%地面与楼面工程门窗工程装饰工程屋面工程给排水、燃气工程建筑电气安装工程通风与空调工程电梯安装工程室外工程单位工程评定等级(公章)建设单位负责人:年月日执行标准情建筑工程电气工程给排水、燃气工程通风、空调工程电梯工程第6页共6页第5页共6页编号:时间:2021年x月x日书山有路勤为径,学海无涯苦作舟页码:第6页共6页况4续表3验收机构意见建设单位勘察单位设计单位施工单位监理单位竣工验收结论:建设单位(签章)项目负责人:20年月日勘察单位(签章)勘察负责人:20年月日设计单位(签章)设计负责人:20年月日监理单位(签章)总监理工程师:20年月日施工单位(签章)法人代表:技术负责人:20年月日5

1、当您付费下载文档后,您只拥有了使用权限,并不意味着购买了版权,文档只能用于自身使用,不得用于其他商业用途(如 [转卖]进行直接盈利或[编辑后售卖]进行间接盈利)。
2、本站所有内容均由合作方或网友上传,本站不对文档的完整性、权威性及其观点立场正确性做任何保证或承诺!文档内容仅供研究参考,付费前请自行鉴别。
3、如文档内容存在违规,或者侵犯商业秘密、侵犯著作权等,请点击“违规举报”。

碎片内容

福建省房屋建筑工程和市政

中小学教育精品资料+ 关注
实名认证
内容提供者

中小学教育资料,优质文档创作者

确认删除?
VIP
微信客服
  • 扫码咨询
会员Q群
  • 会员专属群点击这里加入QQ群
客服邮箱
回到顶部