电脑桌面
添加小米粒文库到电脑桌面
安装后可以在桌面快捷访问

站房砌体工程监理细则培训资料VIP免费

站房砌体工程监理细则培训资料_第1页
1/48
站房砌体工程监理细则培训资料_第2页
2/48
站房砌体工程监理细则培训资料_第3页
3/48
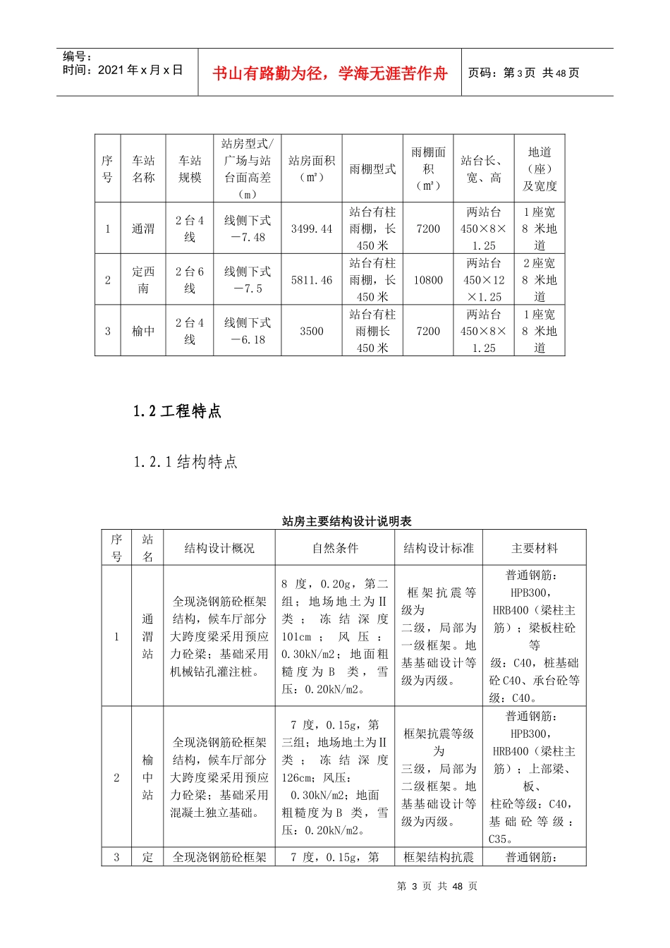
第1页共48页编号:时间:2021年x月x日书山有路勤为径,学海无涯苦作舟页码:第1页共48页目录第一章工程概况及专业技术特点.......................................21.1工程概况........................................................21.2工程特点........................................................31.3设计要求........................................................51.4编写依据........................................................5第二章监理工作范围及重点..........................................62.1监理工作范围....................................................62.2监理工作重点....................................................62.3监理工作难点分析................................................8第三章监理工作流程图.............................................10第四章监理工作控制要点............................................114.1砖砌体结构.....................................................114.2加气块砌体.....................................................204.3中、小型砌块...................................................244.4冬期施工.......................................................32第五章监理工作方法及措施.........................................365.1监理工作方法...................................................365.2主要控制措施...................................................38第六章旁站具体部位及工序.........................................396.1旁站监理准备...................................................396.2旁站监理人员职责...............................................406.3旁站监理的程序和方法...........................................406.4旁站监理的记录要求.............................................416.5旁站部位.......................................................42第2页共48页第1页共48页编号:时间:2021年x月x日书山有路勤为径,学海无涯苦作舟页码:第2页共48页第一章工程概况及专业技术特点1.1工程概况1.1.1工程简况宝鸡至兰州客运专线位于陕西、甘肃两省。线路正线长度402.635公里,其中甘肃省境内357.015公里,设计时速250公里/小时,正线数目为双线。宝兰甘肃段站房2施工标段设包含通渭、定西南、榆中3个客运站工程。该标段工程由中铁十六局集团有限公司承揽施工,兰州交大工程咨询公司承担施工监理任务。本工程范围为通渭、榆中、定西南站3座站房及站台风雨棚、旅客站台面及站前平台铺装、进出站旅客地道装修及室外给排水等工程。合同工期为17.2个月,实际开工日期2015年8月1日,计划竣工日期2016年12月31日,总工期17个月。计划总工期及节点工期满足业主施组要求。1.1.2工程数量表车站规模、站房面积、站房型式、旅客跨线型式等详见《车站概述表》,如下表。车站概述表第3页共48页第2页共48页编号:时间:2021年x月x日书山有路勤为径,学海无涯苦作舟页码:第3页共48页1.2工程特点1.2.1结构特点站房主要结构设计说明表序号站名结构设计概况自然条件结构设计标准主要材料1通渭站全现浇钢筋砼框架结构,候车厅部分大跨度梁采用预应力砼梁;基础采用机械钻孔灌注桩。8度,0.20g,第二组;地场地土为Ⅱ类;冻结深度101cm;风压:0.30kN/m2;地面粗糙度为B类,雪压:0.20kN/m2。框架抗震等级为二级,局部为一级框架。地基基础设计等级为丙级。普通钢筋:HPB300,HRB400(梁柱主筋);梁板柱砼等级:C40,桩基础砼C40、承台砼等级:C40。2榆中站全现浇钢筋砼框架结构,候车厅部分大跨度梁采用预应力砼梁;基础采用混凝土独立基础。7度,0.15g,第三组;地场地土为Ⅱ类;冻结深度126cm;风压:0.30kN/m2;地面粗糙度为B类,雪压:0.20kN/m2。框架抗震等级为三级,局部为二级框架。地基基础设计等级为丙级。普通钢筋:HPB300,HRB400(梁柱主筋);上部梁、板、柱砼等级:C40,基础砼等级:C35。3定全...

1、当您付费下载文档后,您只拥有了使用权限,并不意味着购买了版权,文档只能用于自身使用,不得用于其他商业用途(如 [转卖]进行直接盈利或[编辑后售卖]进行间接盈利)。
2、本站所有内容均由合作方或网友上传,本站不对文档的完整性、权威性及其观点立场正确性做任何保证或承诺!文档内容仅供研究参考,付费前请自行鉴别。
3、如文档内容存在违规,或者侵犯商业秘密、侵犯著作权等,请点击“违规举报”。

碎片内容

站房砌体工程监理细则培训资料

您可能关注的文档

确认删除?
VIP
微信客服
  • 扫码咨询
会员Q群
  • 会员专属群点击这里加入QQ群
客服邮箱
回到顶部