电脑桌面
添加小米粒文库到电脑桌面
安装后可以在桌面快捷访问

机械制造工艺习题1VIP免费

机械制造工艺习题1_第1页
1/16
机械制造工艺习题1_第2页
2/16
机械制造工艺习题1_第3页
3/16
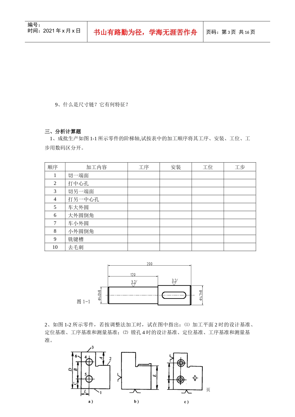
第1页共16页编号:时间:2021年x月x日书山有路勤为径,学海无涯苦作舟页码:第1页共16页习题一(第一章机械加工工艺规程的制定-1)一、填空题1、生产过程包括:、、、等过程。在生产过程中改变对象形状、尺寸、相对位置和性质的过程称为,其用来指导生产的文件称为。2、零件的机械加工工艺过程由若干个所组成;在每一个工序中可以包含一个或几个;又可以包含一个或几个,在每一个安装中可以包含一个或几个,工序是依据是。3、获得位置精度的方法有:、和。4、机械加工中常用的毛坯有:、、、及其它毛坯等。5、根据基础基准的应用场合和作用不同,基准可分为:和两大类。而工艺基准又可分为:、、和。6、精基准的选择原则有:、、、、。7、在机械加工中,零件的加工阶段通常有:、、和四个加工阶段。8、机械加工中的预备热处理方法有:、、和四种。9、机械加工中的最终热处理方法有:、和三种。10、在安排机械加工顺序时,一般应遵循的有:、、和的原则。11、加工余量可分为和。12、标注工序尺寸公差时,一般毛坯尺寸公差采用;最后一道工序标注;而中间工序的工序尺寸公差一般按标注;即对包容表面(孔),其基本尺寸是,公差表现为;对被包容表面(轴),其基本尺寸是,公差表现为。13、影响加工余量的因素有:和、、和。14、尺寸链由组成,根据其性质不同可分为、;而根据对的影响情况不同,又可以将分为和。15、余量确定方法有:、和三种,工序尺寸除与余量及设计尺寸有关外还与基准有关,其解算方法有和两种。第2页共16页第1页共16页编号:时间:2021年x月x日书山有路勤为径,学海无涯苦作舟页码:第2页共16页16、在机械加工中,缩短基本时间的工艺措施有:、和等措施。17、工艺成本是指生产成本中与工艺过程的那一部分成本,一般分为:和两种。二、问答题1、什么是生产过程和工艺过程。2、试述分析零件技术要求时需要考虑哪些因素?3、选择毛坯种类时,一般应考虑哪些因素?4、在确定表面加工方法时,需考虑哪几方面的因素?5、在机械加工过程中,为什么要划分加工阶段?6、在机械加工过程中,通常在哪些场合需要安排检验工序?7、什么是封闭环?它有何特点?8、什么是工序尺寸?其公差的标注原则是什么?第3页共16页第2页共16页编号:时间:2021年x月x日书山有路勤为径,学海无涯苦作舟页码:第3页共16页9、什么是尺寸链?它有何特征?三、分析计算题1、成批生产如图1-1所示零件的阶梯轴,试按表中的加工顺序将其工序、安装、工位、工步用数码区分开。顺序加工内容工序安装工位工步1切一端面2打中心孔3切另一端面4打另一中心孔5车大外圆6大外圆倒角7车小外圆8小外圆倒角9铣键槽10去毛刺图1-12、如图1-2所示零件,若按调整法加工时,试在图中指出:⑴加工平面2时的设计基准、定位基准、工序基准和测量基准;⑵镗孔4时的设计基准、定位基准、工序基准和测量基准。第4页共16页第3页共16页编号:时间:2021年x月x日书山有路勤为径,学海无涯苦作舟页码:第4页共16页图1-23、试选择左图1-3所示端盖零件加工时的粗基准。4、图1-4所示零件为一拨杆,试选择加工Φ10H7孔的定位基面。已知条件:其余各被加工表面均已加工好,毛坯为铸件。图1-3图1-45、选择在单件小批量生产条件下加工下列表面的加工顺序及采用的机床名称:加工表面加工要求加工顺序采用机床阶梯轴上的外圆φ60H6、Ra1.6盘状齿轮坯的内孔φ80H6、Ra0.8机床床身导轨平面1200×100mm2、Ra0.86、一小轴,毛坯为热轧棒料,大量生产的工艺路线为粗车-精车-淬火-粗磨-精磨,外圆设计尺寸为φ30−0.0130,已知各工序的加工余量和经济精度,试确定各工序尺寸及其偏差、毛坯第5页共16页第4页共16页编号:时间:2021年x月x日书山有路勤为径,学海无涯苦作舟页码:第5页共16页尺寸及粗车余量,并填入下表:工序名称工序余量经济精度工序尺寸及偏差工序名称工序余量经济精度工序尺寸及偏差精磨0.10.013(IT6)粗车60.21(IT12)粗磨0.40.033(IT8)毛坯尺寸±1.2精车1.50.084(IT10)7、加工下左图所示零件,A为设计基准,B为测量基准,按极值法计算A2及其偏差。8、下右图工件,如先以A面定位加工C面,得尺寸A1;然后再以A面定位用调整法...

1、当您付费下载文档后,您只拥有了使用权限,并不意味着购买了版权,文档只能用于自身使用,不得用于其他商业用途(如 [转卖]进行直接盈利或[编辑后售卖]进行间接盈利)。
2、本站所有内容均由合作方或网友上传,本站不对文档的完整性、权威性及其观点立场正确性做任何保证或承诺!文档内容仅供研究参考,付费前请自行鉴别。
3、如文档内容存在违规,或者侵犯商业秘密、侵犯著作权等,请点击“违规举报”。

碎片内容

机械制造工艺习题1

确认删除?
VIP
微信客服
  • 扫码咨询
会员Q群
  • 会员专属群点击这里加入QQ群
客服邮箱
回到顶部