电脑桌面
添加小米粒文库到电脑桌面
安装后可以在桌面快捷访问

煤炭事业部采购主管岗位职责VIP专享VIP免费

煤炭事业部采购主管岗位职责_第1页
1/4
煤炭事业部采购主管岗位职责_第2页
2/4
煤炭事业部采购主管岗位职责_第3页
3/4
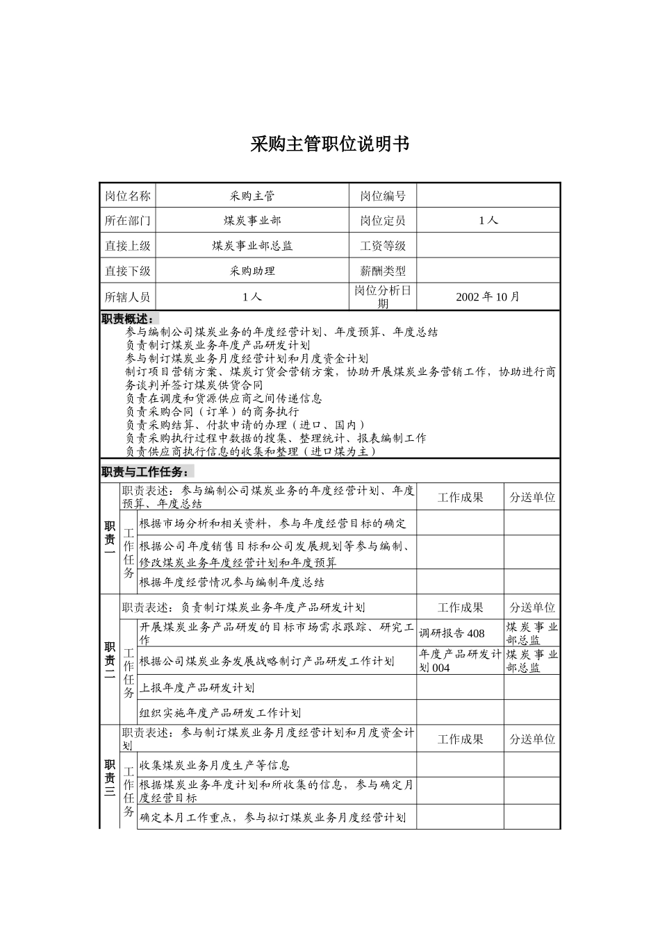
采购主管职位说明书岗位名称采购主管岗位编号所在部门煤炭事业部岗位定员1人直接上级煤炭事业部总监工资等级直接下级采购助理薪酬类型所辖人员1人岗位分析日期2002年10月职责概述:参与编制公司煤炭业务的年度经营计划、年度预算、年度总结负责制订煤炭业务年度产品研发计划参与制订煤炭业务月度经营计划和月度资金计划制订项目营销方案、煤炭订货会营销方案,协助开展煤炭业务营销工作,协助进行商务谈判并签订煤炭供货合同负责在调度和货源供应商之间传递信息负责采购合同(订单)的商务执行负责采购结算、付款申请的办理(进口、国内)负责采购执行过程中数据的搜集、整理统计、报表编制工作负责供应商执行信息的收集和整理(进口煤为主)职责与工作任务:职责一职责表述:参与编制公司煤炭业务的年度经营计划、年度预算、年度总结工作成果分送单位工作任务根据市场分析和相关资料,参与年度经营目标的确定根据公司年度销售目标和公司发展规划等参与编制、修改煤炭业务年度经营计划和年度预算根据年度经营情况参与编制年度总结职责二职责表述:负责制订煤炭业务年度产品研发计划工作成果分送单位工作任务开展煤炭业务产品研发的目标市场需求跟踪、研究工作调研报告408煤炭事业部总监根据公司煤炭业务发展战略制订产品研发工作计划年度产品研发计划004煤炭事业部总监上报年度产品研发计划组织实施年度产品研发工作计划职责三职责表述:参与制订煤炭业务月度经营计划和月度资金计划工作成果分送单位工作任务收集煤炭业务月度生产等信息根据煤炭业务年度计划和所收集的信息,参与确定月度经营目标确定本月工作重点,参与拟订煤炭业务月度经营计划根据煤炭月度经营计划,协助制订月度资金计划职责四职责表述:制订项目营销方案、煤炭订货会营销方案,协助开展煤炭业务营销工作,协助进行商务谈判并签订煤炭供货合同工作成果分送单位工作任务制订项目营销方案、煤炭订货会营销方案项目营销方案005、煤炭订货会营销方案M106煤炭事业部总监协助煤炭订货会的准备工作,并协助煤炭订货会的具体工作负责组织人员落实其它煤炭业务商务谈判的准备工作,如信息收集、资料准备等协助开展煤炭业务商务谈判,参与重要商务谈判按规定完成供货合同在公司内的签订、审批工作和公司外的签署工作生效的煤炭业务供货合同总经理工作部职责五职责表述:负责在调度和货源供应商之间传递信息工作结果分送单位工作任务及时获得调度指令中有关船期和交货安排的信息及时将相关信息通知煤炭供应商,保证船货衔接经常了解货源准备情况,包括煤炭数量、质量等关键信息经常了解煤炭运输情况,掌握采购计划的执行情况及时将货源准备情况和运输情况通知调度,保证煤炭业务的顺利进行职责六职责表述:负责采购合同(订单)的商务执行工作结果分送单位工作任务了解供货商的货源情况,包括煤炭品质、供货量、质量的稳定性等关键信息与供货商进行沟通与谈判,做好采购合同签订前的准备工作负责缮制煤炭采购合同,并报煤炭事业部总监审批煤炭采购合同煤炭事业部总监协助煤炭事业部总监签订煤炭采购合同职责七职责表述:负责采购结算、付款申请的办理(进口、国内)工作结果分送单位工作任务根据数量证书和质量证书等单据开具货款结算单将结算单寄给供货商确认,并取得供货商开具的发票负责根据供货商的发票填写付款申请单负责缮制进口煤境外汇款申请书付款申请单M121煤炭事业部总监提请财务部按合同要求支付货款职责八职责表述:负责采购执行过程中数据的搜集、整理统计、报表编制工作工作结果分送单位工作任编制煤炭采购报表收集、汇总、整理采购过程中获取的各种业务信息务将煤炭采购过程中的相关信息上报煤炭事业部总监职责九职责表述:负责供应商执行信息的收集和整理(进口煤为主)工作结果分送单位工作任务通过各种途径收集公司煤炭业务供应商的信息(含信用信息)汇总收集的各种信息,并对信息进行分类、归纳、整理建立内部供应商信息数据库,负责定期更新数据库内容建立供应商档案供应商档案414本岗位留存定期提出全面、详实、准确的供应商信息汇总分析报告,依据规定上报部门领导或公司领导供应商分析报告4一五...

1、当您付费下载文档后,您只拥有了使用权限,并不意味着购买了版权,文档只能用于自身使用,不得用于其他商业用途(如 [转卖]进行直接盈利或[编辑后售卖]进行间接盈利)。
2、本站所有内容均由合作方或网友上传,本站不对文档的完整性、权威性及其观点立场正确性做任何保证或承诺!文档内容仅供研究参考,付费前请自行鉴别。
3、如文档内容存在违规,或者侵犯商业秘密、侵犯著作权等,请点击“违规举报”。

碎片内容

煤炭事业部采购主管岗位职责

确认删除?
VIP
微信客服
  • 扫码咨询
会员Q群
  • 会员专属群点击这里加入QQ群
客服邮箱
回到顶部