电脑桌面
添加小米粒文库到电脑桌面
安装后可以在桌面快捷访问

某大厦工程质量目标及创优措施VIP免费

某大厦工程质量目标及创优措施_第1页
1/36
某大厦工程质量目标及创优措施_第2页
2/36
某大厦工程质量目标及创优措施_第3页
3/36
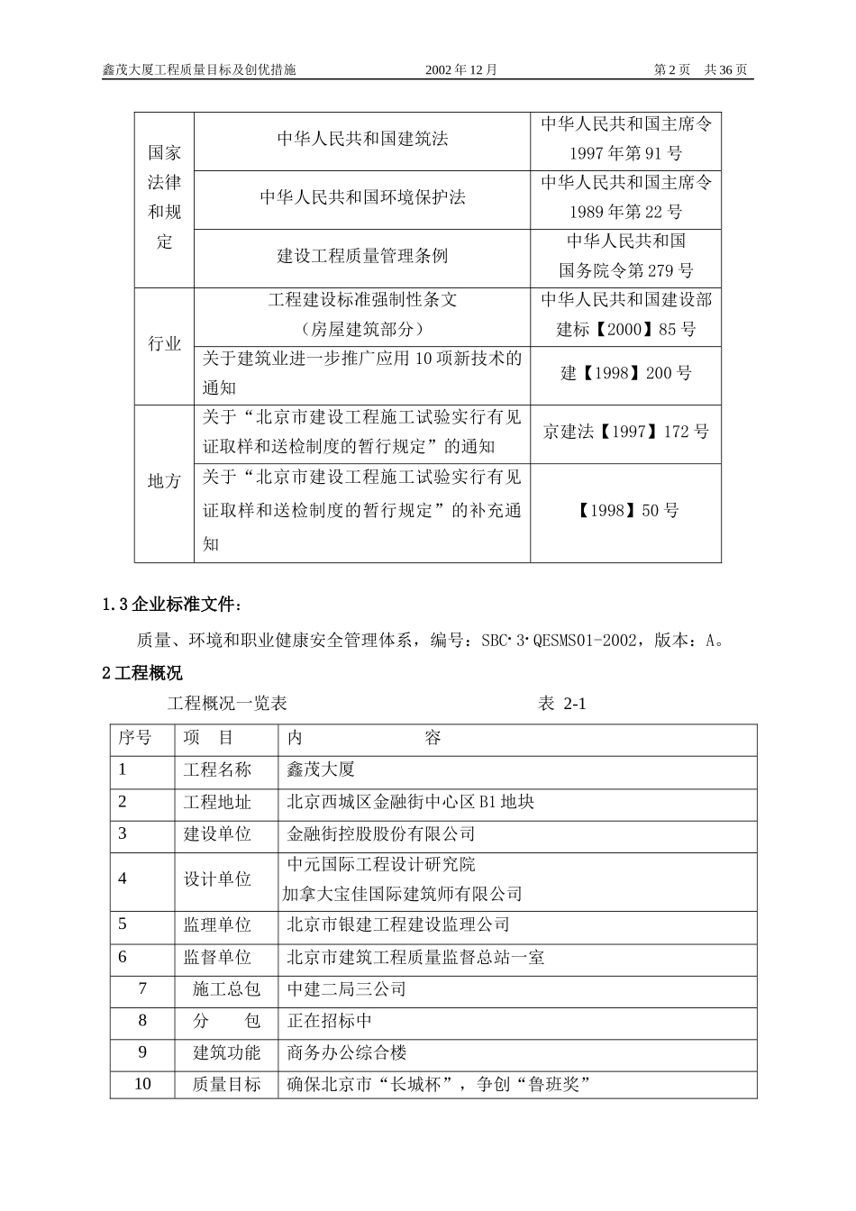
鑫茂大厦工程质量目标及创优措施2002年12月第1页共36页1编制依据1.1经过有关部门审批的有效鑫茂大厦工程施工图:建施图Q158G1-JS020-M1001~1002、S1001~1003、F1001~1020、1001~1073;结施图Q158G1-GS020-M1001~1006、S1001~1003、1001~1136;1.2工程所涉及的主要的国家或行业规范、规程、标准、法规,地方法规、图集规范、文件、图集一览表表1.2-1类别名称编号或文号规范建筑地基基础施工质量验收规范GB50202-2002砌体工程施工质量验收规范GB50203-2002混凝土结构工程施工质量验收规范GB50204-2002建筑工程施工质量验收统一规范GB50300-2001工程测量规范GB50026-93地下防水工程施工质量验收规范GB50208-2002行业标准、图集一览表表1.2-2类别名称编号或文号行标钢筋焊接和验收规程JGJ18-96钢筋机械连接通用技术规程JGJ107-96混凝土泵送施工技术规程JGJ/T10-95钢筋等强度剥肋滚压直螺纹连接技术规程Q/JY16-1999图集构造图集88J及88JX系列地标预防混凝土工程碱集料反应技术管理规定京TY5-99建筑安装工程资料管理规程DBJ01-51-2000标准一览表表1.2-3类别名称编号或文号标准民用建筑工程室内环境污染控制规范GB50325-2001混凝土质量控制标准GB50164-92混凝土强度检验评定标准GBJ107-87主要法规一览表表1.2-4类别名称编号鑫茂大厦工程质量目标及创优措施2002年12月第2页共36页国家法律和规定中华人民共和国建筑法中华人民共和国主席令1997年第91号中华人民共和国环境保护法中华人民共和国主席令1989年第22号建设工程质量管理条例中华人民共和国国务院令第279号行业工程建设标准强制性条文(房屋建筑部分)中华人民共和国建设部建标【2000】85号关于建筑业进一步推广应用10项新技术的通知建【1998】200号地方关于“北京市建设工程施工试验实行有见证取样和送检制度的暂行规定”的通知京建法【1997】172号关于“北京市建设工程施工试验实行有见证取样和送检制度的暂行规定”的补充通知【1998】50号1.3企业标准文件:质量、环境和职业健康安全管理体系,编号:SBC.3.QESMS01-2002,版本:A。2工程概况工程概况一览表表2-1序号项目内容1工程名称鑫茂大厦2工程地址北京西城区金融街中心区B1地块3建设单位金融街控股股份有限公司4设计单位中元国际工程设计研究院加拿大宝佳国际建筑师有限公司5监理单位北京市银建工程建设监理公司6监督单位北京市建筑工程质量监督总站一室7施工总包中建二局三公司8分包正在招标中9建筑功能商务办公综合楼10质量目标确保北京市“长城杯”,争创“鲁班奖”鑫茂大厦工程质量目标及创优措施2002年12月第3页共36页11建筑规模占地1.2万m2;建筑面积:131247m2;檐高北楼89m;西楼81.4m,基底标高-17.3m、-18.0m、-18.7m;室内外高差最大1.12m,±0.000相当于绝对标高49.2m。层数地上裙房4层北楼22层西楼20层层高(m)标准层3.8m地下4层12混凝土墙厚外墙尺寸分别为500、400mm;内墙尺寸分别为600、500、450、350、300、200mm13板厚基础底板厚700mm、1200mm、1400mm,地下室楼板厚度主要有140、180、200、250mm。地上楼板厚度主要有120、150、200mm。14混凝土强度等级基础垫层C15筏板基础、地下外墙C40S12地下一层金库顶板、底板及周圈混凝土墙C50主楼墙柱6层以下C60,7~12层C50,13层以上C40。梁板楼梯C30(水池、与土壤接触地下室顶板S8)15内外隔墙地下隔墙采用200mm粘土多孔砖砌筑;地上隔墙为200mm、100mm粘土多孔砖,机房采用200mm加气砌块;商务办公区采用150mm厚轻钢龙骨石膏板隔墙,内填不燃吸声材料。16屋面不上人屋面,为水泥砂浆面层屋面及粘贴人造草皮。17外墙面铝合金玻璃幕墙、花岗岩石材幕墙及部分金属框架遮阳体系等。18楼面水泥楼面、细石混凝土楼面、加硬混凝土楼面、防滑地砖楼面、花岗石楼面、活动地板楼面等。19内墙面水泥砂浆墙面、乳胶漆墙面、花岗岩墙面、彩釉砖墙面等。20顶棚板底喷涂顶棚、矿棉板吊顶、铝合金板吊顶、石膏板吊顶鑫茂大厦工程质量目标及创优措施2002年12月第4页共36页等。21防水卫生间为1.5厚聚氨酯防水涂膜;屋面采用1.5+1.5自粘型防水卷材和水泥基渗透结晶型喷涂防水层;地下室底板、外墙体及外顶板采用混凝土自防水加1....

1、当您付费下载文档后,您只拥有了使用权限,并不意味着购买了版权,文档只能用于自身使用,不得用于其他商业用途(如 [转卖]进行直接盈利或[编辑后售卖]进行间接盈利)。
2、本站所有内容均由合作方或网友上传,本站不对文档的完整性、权威性及其观点立场正确性做任何保证或承诺!文档内容仅供研究参考,付费前请自行鉴别。
3、如文档内容存在违规,或者侵犯商业秘密、侵犯著作权等,请点击“违规举报”。

碎片内容

某大厦工程质量目标及创优措施

中小学文库+ 关注
实名认证
内容提供者

精品资料应用尽有

确认删除?
VIP
微信客服
  • 扫码咨询
会员Q群
  • 会员专属群点击这里加入QQ群
客服邮箱
回到顶部