电脑桌面
添加小米粒文库到电脑桌面
安装后可以在桌面快捷访问

浙江省安全防范工程验收表VIP免费

浙江省安全防范工程验收表_第1页
1/13
浙江省安全防范工程验收表_第2页
2/13
浙江省安全防范工程验收表_第3页
3/13
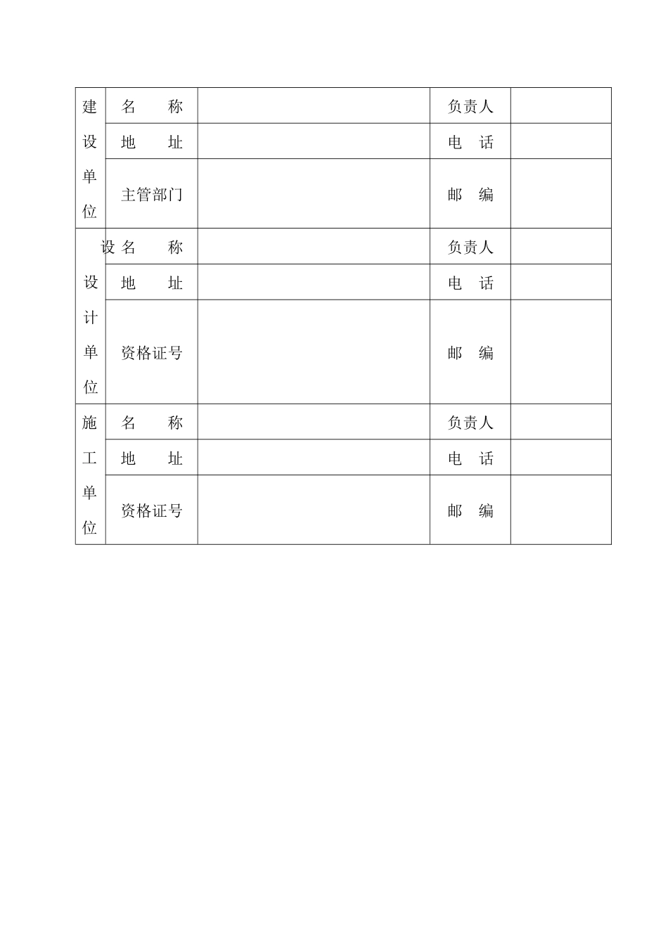
浙江省安全防范工程验收表建设单位:工程名称:工程级别:负责人:联系电话:验收组织单位:验收日期:浙江省公安厅技防办统一印制建设单位名称负责人地址电话主管部门邮编设设计单位名称负责人地址电话资格证号邮编施工单位名称负责人地址电话资格证号邮编工程概况设备安装质量检查(表4)系统(工程)名称:设计施工单位:项目要求方法检查结果抽查百分数前端设备1安装位置(方向)合理,有效现场抽查观察正确基本整齐不正确5%~10%(10台以下至少验收3台)2安装质量(工艺)牢固、整洁、规范现场抽查观察良好基本良好不好3线缆连接视频电缆一线到位,接插件可靠,电源线与信号线、控制线分开,走向顺直,无扭绞复核、抽查或对照图纸资料符合要求基本符合要求不符合要求4通电工作正常现场通电检查正常基本正常不正常100%控制室终端设备5操作台、机架安装平稳、合理现场观察体会合理基本合理不合理100%6控制设备安装操作方便、安全现场观察体会合理基本合理不合理7开关、按钮灵活、安全现场观察询问良好基本良好不好8机柜、设备接地符合GB50057等电位接地要求现场观察询问符合基本符合不符合9接地电阻整齐,有明显编号、标识对照表2并按6.1.2c)要求合格不合格10机架电缆线扎及标识引入线端标识明显、牢靠现场观察整齐.有标识基本整齐、有标识不整齐或无标识11电源引入线缆标识工作正常现场观察有,牢靠基本符合要求不符合要求12通电现场通电检查正常基本正常不正常检查结果统计:KS(合格率)安装质量检查结论施工验收组人员签名:验收日期:住:1、在检查结栏,按实际情况在相应空格内打“√”(左列打“√”,视为合格;中列打“√”,视为基本合格;右列打“√”,视为不合格)。2、检查结果统计:KS(合格率)=[合格数+基本合格数×0.6]/项目检查数(项目检查数如无要求或实际缺项未检查的,不计在内)。3、检查结论:KS(合格率)≥0.8,判为通过;0.8>KS≥0.6,判为基本通过;KS<0.6,判为不通过;必要时作简要说明。技术验收表5系统名称:设计施工单位:序号检查项目检查要求与方法检查结果合格基本合格不合格基本要求1系统主要技术性能6.2.1b)2设备配置6.2.1c)3主要技防产品、设备的质量保证6.2.1d)4备用供电6.2.1e)5系统集成功能6.2.1f)报警系统6误、漏报警,报警检查6.2.2a)7﹡系统布、撒防,报警显示6.2.2b)8联动功能6.2.2c)9直接或间接联网6.2.2d)电视监控10﹡主要技术指标6.2.3a)11系统结构与配置6.2.3b)12﹡图像质量6.2.3c)13操作与控制6.2.3d)14字符标识,电梯厢摄像机6.2.3e)15重要场所设计6.2.3f)出入口控制16系统功能6.2.4a)17存储信息与控制6.2.4b)18楼寓对讲6.2.4c)19联网报警6.2.4d)巡更20数据显示、归档、查询、打印6.2.5a)21即时报警6.2.5b)控制室22通讯联络6.2.6a)23自身防范6.2.6b)24雷电防护6.1.2c)检查结果统计:KJ(合格率)检查结论验收人员签名:验收日期:注1在检查结果栏,按实际情况在相应空格内打“√”(左列“√”,视为合格;中列“√”,视为基本合格;右列“√”,视为不合格)。2检查结果统计:KJ(合格率)=[合格率+基本合格数×0.6]/项目检查数(项目检查数如无要求或实际工程缺项未检查的,不计地内)。3检查结论:KJ(合格率)≥0.8,判为通过;0.8>KJ≥0.6判为基本通过;KJ<0.6判为不通过。﹡为重点项目,检查结果只要有一项不合格,即判为不通过。资料审查表6系统名称:序号审查内容审查结果完整性准确性完整(或有)基本完整不完整(或无)合格基本合格不合格1设计任务书2合同(或协议书)3初步设计方案论证意见(含评审机构组成人员名单)4通过初步设计方案论证的整改落实意见5正式设计方案和相关图纸6系统运行报告7竣工报告8初验9101112规范基本规范不规范审查结果统计:KZ(合格率)审查结论审查人员签名:日期:注1在审查结果栏,按实际情况在相应的空格内打“√≥”(左列打“√”,视为合格;中列打“√”,视为基本合格;右列打“√”,视为不合格)。2对三级安全防范系统,序号第3、4、10项内容可简或略。3审查结果统计:KZ(合格率)=[合格数+基本合格数×0.6]/项目审查数,(项目审查数如不作为要求的,不计在...

1、当您付费下载文档后,您只拥有了使用权限,并不意味着购买了版权,文档只能用于自身使用,不得用于其他商业用途(如 [转卖]进行直接盈利或[编辑后售卖]进行间接盈利)。
2、本站所有内容均由合作方或网友上传,本站不对文档的完整性、权威性及其观点立场正确性做任何保证或承诺!文档内容仅供研究参考,付费前请自行鉴别。
3、如文档内容存在违规,或者侵犯商业秘密、侵犯著作权等,请点击“违规举报”。

碎片内容

浙江省安全防范工程验收表

您可能关注的文档

中小学文库+ 关注
实名认证
内容提供者

精品资料应用尽有

确认删除?
VIP
微信客服
  • 扫码咨询
会员Q群
  • 会员专属群点击这里加入QQ群
客服邮箱
回到顶部