电脑桌面
添加小米粒文库到电脑桌面
安装后可以在桌面快捷访问

机械加工工艺规程VIP免费

机械加工工艺规程_第1页
1/11
机械加工工艺规程_第2页
2/11
机械加工工艺规程_第3页
3/11
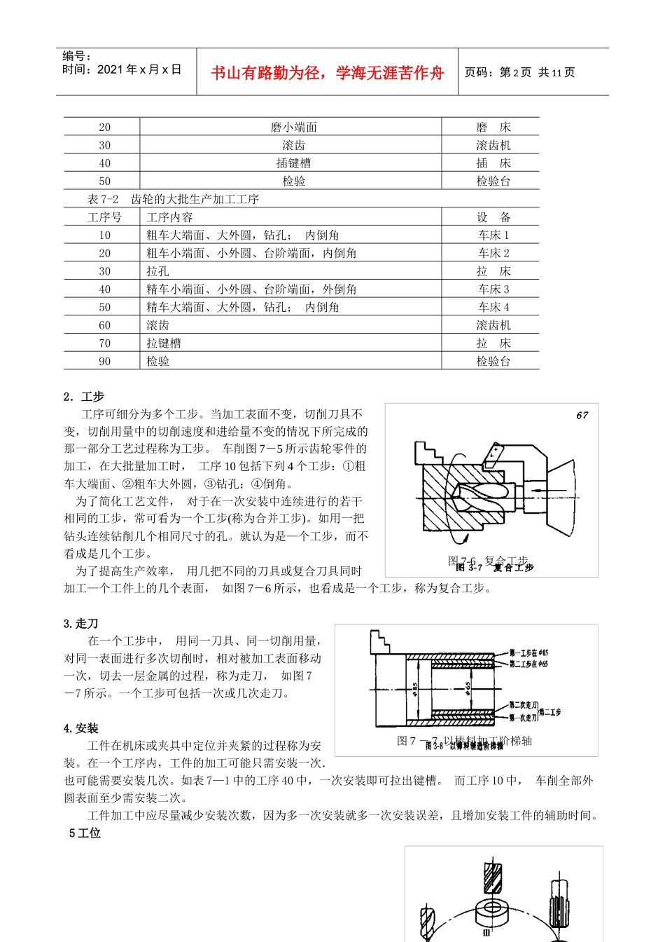
第1页共11页总体设计零部件设计决定功能选择材料决定结构与尺寸制定技术条件绘出样图与尺寸决定结构与尺寸制定技术条件绘出样图零部件设计决定功能选择材料决定结构与尺寸制定技术条件绘出样图零部件设计决定功能选择材料决定结构与尺寸制定技术条件绘出样图零部件设计决定功能选择材料决定结构与尺寸制定技术条件绘出样图总体设计零部件设计决定功能选择材料决定结构与尺寸制定技术条件绘出样图决定生产方案制定工艺规程及工艺卡设计并制造工艺装备铸件锻件冲压件焊接件棒料非金属材料毛坯粗加工精加工半精加工热处理及表面处理外购件外协件标准件组件装配部件装配总装配调试检测技术与生产管理(包括检测)依具体要求贯穿全过程产品设计工艺准备毛坯制造机械加工装配调试涂装出厂编号:时间:2021年x月x日书山有路勤为径,学海无涯苦作舟页码:第1页共11页第7章机械加工工艺规程ProcessEngineering第1节基本概念与术语一、生产过程与工艺过程1.生产过程我们通常所讲的生产过程是将原材料或半成品转变为成品所进行的全部过程。任何一种机械都是由零件、组件、部件装配而成,其制造是一个复杂的过程。对一个机械产品来说,要满足与适应市场的需求,其设计与制造应分为以下几个阶段,如图7-1所示:图7-1机械产品的生产过程2.工艺过程工艺过程-加工对象性能的变化,包括几何形状、硬度、状态、信息量等等。如锻压、铸造、机械加工、冲压、焊接、热处理、表面处理、装配和试车等。所以,具体地说,工艺过程是与改变原材料或半成品使之与成为成品直接有关的全部过程。二、工艺过程的组成机械加工工艺过程是由一系列工序组成的,毛坯依次通过这些工序而变为成品。工序是工艺过程的基本组成部分。1工序在一个工作地点上、对一个工件(或—组工件)进行加工所进行的连续工作过程,叫工序。如图7—5所示的齿轮,加工数量较少时,可按表7-1分工序,而加工数量较多时,工序划分如表7—2所示。工序的划分依靠两个基本要素:一是工序中的工人、工件和所用的机床或工作地点是否改变,;二是加工过程是否连续完成。比如,即使粗加工和精加工都是在同一机床上进行,如果中间插入其它处理,失去了工序的连续性,则应把这两次加工分成两道工序。表7-1齿轮的单件小批生产加工工序工序号工序内容设备10粗车大端面、大外圆,钻孔;调头,粗车小端面、小外圆、台阶端面,精车小端面、小外圆、台阶端面,倒角,调头精车大端面、大外圆,精镗孔,倒角车床图7-5齿轮第2页共11页第1页共11页图7-6复合工步图7-7以棒料加工阶梯轴编号:时间:2021年x月x日书山有路勤为径,学海无涯苦作舟页码:第2页共11页20磨小端面磨床30滚齿滚齿机40插键槽插床50检验检验台表7-2齿轮的大批生产加工工序工序号工序内容设备10粗车大端面、大外圆,钻孔;内倒角车床120粗车小端面、小外圆、台阶端面,内倒角车床230拉孔拉床40精车小端面、小外圆、台阶端面,外倒角车床350精车大端面、大外圆,钻孔;内倒角车床460滚齿滚齿机70拉键槽拉床90检验检验台2.工步工序可细分为多个工步。当加工表面不变,切削刀具不变,切削用量中的切削速度和进给量不变的情况下所完成的那一部分工艺过程称为工步。车削图7-5所示齿轮零件的加工,在大批量加工时,工序10包括下列4个工步:①粗车大端面、②粗车大外圆,③钻孔;④倒角。为了简化工艺文件,对于在一次安装中连续进行的若干相同的工步,常可看为一个工步(称为合并工步)。如用一把钻头连续钻削几个相同尺寸的孔。就认为是—个工步,而不看成是几个工步。为了提高生产效率,用几把不同的刀具或复合刀具同时加工—个工件上的几个表面,如图7-6所示,也看成是一个工步,称为复合工步。3.走刀在一个工步中,用同一刀具、同一切削用量,对同一表面进行多次切削时,相对被加工表面移动一次,切去一层金属的过程,称为走刀,如图7-7所示。一个工步可包括一次或几次走刀。4.安装工件在机床或夹具中定位并夹紧的过程称为安装。在一个工序内,工件的加工可能只需安装一次.也可能需要安装几次。如表7—1中的工序40中,一次安装即可拉出键槽。而工序10中,车削全部外圆表面至少需安装二次。工件加...

1、当您付费下载文档后,您只拥有了使用权限,并不意味着购买了版权,文档只能用于自身使用,不得用于其他商业用途(如 [转卖]进行直接盈利或[编辑后售卖]进行间接盈利)。
2、本站所有内容均由合作方或网友上传,本站不对文档的完整性、权威性及其观点立场正确性做任何保证或承诺!文档内容仅供研究参考,付费前请自行鉴别。
3、如文档内容存在违规,或者侵犯商业秘密、侵犯著作权等,请点击“违规举报”。

碎片内容

机械加工工艺规程

您可能关注的文档

确认删除?
VIP
微信客服
  • 扫码咨询
会员Q群
  • 会员专属群点击这里加入QQ群
客服邮箱
回到顶部