电脑桌面
添加小米粒文库到电脑桌面
安装后可以在桌面快捷访问

某住宅及地下车库工程电气安装施工组织设计(DOC18页)VIP免费

某住宅及地下车库工程电气安装施工组织设计(DOC18页)_第1页
1/18
某住宅及地下车库工程电气安装施工组织设计(DOC18页)_第2页
2/18
某住宅及地下车库工程电气安装施工组织设计(DOC18页)_第3页
3/18
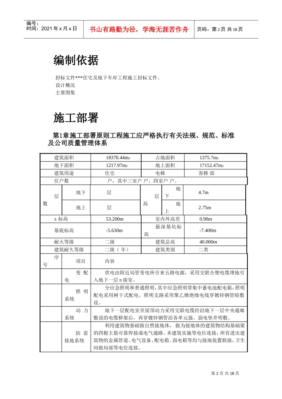
第1页共18页编号:时间:2021年x月x日书山有路勤为径,学海无涯苦作舟页码:第1页共18页目录第卷编制依据...............................................第卷施工部署...............................................第章施工部署原则工程施工应严格执行有关法规、规范、标准及公司质量管理体系.................................................第卷主要施工方法...........................................第章暗敷管线安装方法...................................第章电缆桥架施工方法...................................第章柜盘安装及二次结线.................................第章电缆敷设安装.......................................第章热缩电缆头制作.....................................第章照明施工方法.......................................第章防雷、接地安装及测试...............................第卷电气安装工程送电操作规程...............................第章概述...............................................第章送电程序...........................................第章安全措施...........................................第卷环境保护及安全文明施工措施.............................第章环境保护管理.......................................第章安全文明施工管理...................................第2页共18页编号:时间:2021年x月x日书山有路勤为径,学海无涯苦作舟页码:第2页共18页编制依据招标文件***住宅及地下车库工程施工招标文件。设计概况主要图集施工部署第1章施工部署原则工程施工应严格执行有关法规、规范、标准及公司质量管理体系建筑面积18370.44m2占地面积1375.7m2地下面积1217.97m2地上面积17152.47m2建筑用途住宅电梯客梯部住户数户,其中三室户户,四室户户。层数地下层层高地下4.7m地上层地上2.75m±标高53.200m室内外高差0.90m基底标高-5.630m最深基坑标高-7.400m耐火等级二级建筑总高40.000m建筑耐久等级二级(年)建筑类别二类序号项目内容变配电供电由附近局管变电所引来五路电源,采用交联全塑电缆埋地引入地下一层π接室。照明系统分应急照明和普通照明,其中应急照明带集中蓄电池配电箱;照明配电采用树干式配电,照明支路采用聚乙烯绝缘电线穿镀锌钢管暗敷设。动力系统地下一层配电室至屋顶动力采用交联电缆经沿地下一层中央通廊敷设的电缆桥架后,再穿镀锌钢管沿各单元强、弱电竖井明敷。防雷接地系统利用建筑物基础做自然接地体,做为接地体的建筑物结构基础梁的四根主筋可靠焊接成电气通路。本建筑实施等电位连接,所有进出建筑物的金属管道、电气设备、配电箱、弱电箱等均与接地装置联接,卫生间做局部等电位连接。第3页共18页编号:时间:2021年x月x日书山有路勤为径,学海无涯苦作舟页码:第3页共18页电话系统电话电缆采用交接式配线方式,每三层强、弱配电间内设置一台壁龛式电话接线箱,每户进两对电话线。电视系统由市政有线电视信号光缆经楼前配电管井接入地下一层弱电室,每层强、弱电间各设一个电视分配箱,每户进一条入户线,经户弱电箱内的二分配器,每户设两个用户终端。可视对讲本楼大门口设一台室外摄像对讲机,大门上设电控锁,每户设一台室内可视对讲机。火灾自动报警系统本楼属二类建筑物,采用区域报警方式,报警及联动控制皆通过总线制方式;本楼消火栓启泵按钮及正压送风机启动按钮继电控制线经一层强、弱电间内的消防设备接线箱引向小区消防控制中心。《建筑电气通用图集》~《建筑物防雷设施安装》《等电位及接地》《利用建筑物金属体做防雷及接地装置安装》电气《常用低压配电设备安装》《线槽配线安装》《防空地下室电气设计》~()、环境管理体系()、职业健康安全管理体系()文件,严格按项目法组织施工,确保各项目标实现。.1.1质量目标单位工程竣工按国家施工质量验收规范达到合格要求,各分部、分项工程全部合格。*住宅楼争创北京市结构“长城杯”。2.1.2文明安全目标严格遵守安全生产的法律法规及规范性文件,在合同履约期间不发生重伤或死亡事故,轻伤率控制...

1、当您付费下载文档后,您只拥有了使用权限,并不意味着购买了版权,文档只能用于自身使用,不得用于其他商业用途(如 [转卖]进行直接盈利或[编辑后售卖]进行间接盈利)。
2、本站所有内容均由合作方或网友上传,本站不对文档的完整性、权威性及其观点立场正确性做任何保证或承诺!文档内容仅供研究参考,付费前请自行鉴别。
3、如文档内容存在违规,或者侵犯商业秘密、侵犯著作权等,请点击“违规举报”。

碎片内容

某住宅及地下车库工程电气安装施工组织设计(DOC18页)

确认删除?
VIP
微信客服
  • 扫码咨询
会员Q群
  • 会员专属群点击这里加入QQ群
客服邮箱
回到顶部