电脑桌面
添加小米粒文库到电脑桌面
安装后可以在桌面快捷访问

某路面工程沥青下面层施工组织设计VIP免费

某路面工程沥青下面层施工组织设计_第1页
1/29
某路面工程沥青下面层施工组织设计_第2页
2/29
某路面工程沥青下面层施工组织设计_第3页
3/29
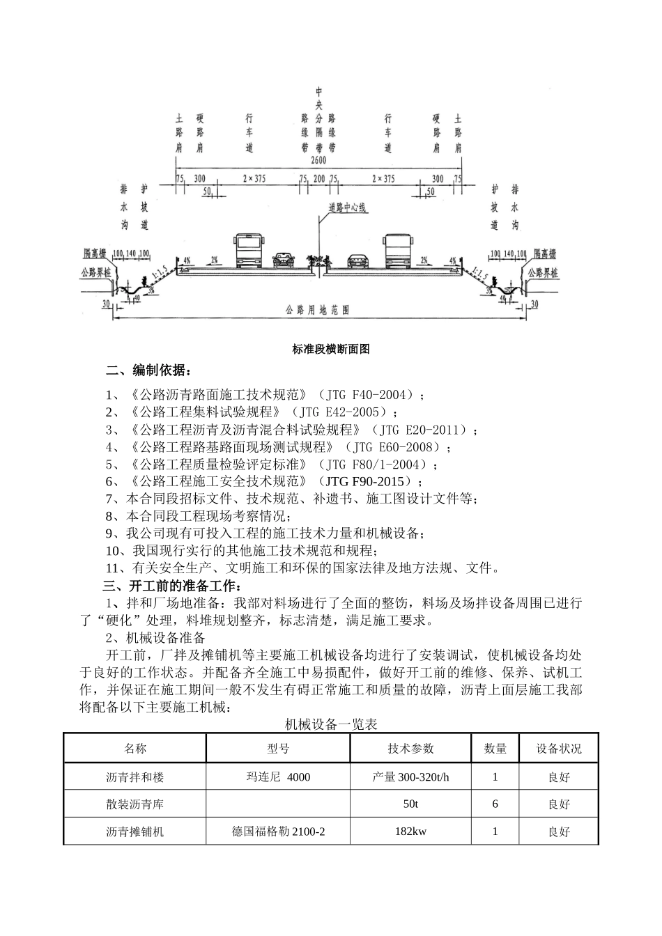
272省道徐州至沛县段工程沛县段路面工程XPPX-LM2标沥青下面层施工组织设计(SMA-13沥青上面层)江苏路翔交通工程有限公司272省道徐州至沛县段工程沛县段XPPX-LM2标项目经理部二〇一七年五月二十六日SMA-13沥青上面层施工组织设计一、工程概况本标段起讫桩号K39+800-K54+203,全长14.403km。主线采用一级公路建设标准,设计速度为100Km/h。主线路基宽度为26.0m,沥青路面宽度2×11m,其中中间带宽3.5m(中央分隔带宽2m+左侧路缘带2×0.75m),行车道宽2×(2×3.75m),硬路肩宽2×3.0m(其中包含右侧路缘带2×0.5m),土路肩宽2×0.75m。主要路面结构组成如下:1、主线路面结构:4cm厚细粒式(SBS改性)沥青玛蹄脂碎石SMA-13上面层;8cm厚SUP-20中粒式(SBS改性)沥青混凝土下面层;36cm抗裂嵌挤型水泥稳定碎石基层;18cm低剂量水泥稳定碎石底基层。总厚度66cm。2、互通立交匝道路面结构:4cm厚细粒式(SBS改性)沥青玛蹄脂碎石SMA-13上面层;6cm厚SUP-20中粒式(SBS改性)沥青混凝土下面层;18cm抗裂嵌挤型水泥稳定碎石基层;18cm低剂量水泥稳定碎石底基层。总厚度46cm。3、分离式立交支线引道、天桥引道路面结构:4cm厚细粒式(70#A级石油沥青)沥青玛蹄脂碎石SUP-13上面层;6cm厚SUP-20中粒式(70#A级石油沥青)沥青混凝土下面层;18cm抗裂嵌挤型水泥稳定碎石基层;18cm低剂量水泥稳定碎底基层。总厚度46cm。4、机耕通道、人行通道两侧路面结构:20cm水泥混凝土面层;20cm级配碎石基层。总厚度40cm。5、桥面铺装:上面层采用4cm厚SMA-13细粒式(SBS改性)沥青玛蹄脂碎石;下面层采用6cm厚SUP-20中粒式(SBS改性)沥青混凝土。总厚度10cm。标准段横断面图二、编制依据:1、《公路沥青路面施工技术规范》(JTGF40-2004);2、《公路工程集料试验规程》(JTGE42-2005);3、《公路工程沥青及沥青混合料试验规程》(JTGE20-2011);4、《公路工程路基路面现场测试规程》(JTGE60-2008);5、《公路工程质量检验评定标准》(JTGF80/1-2004);6、《公路工程施工安全技术规范》(JTGF90-2015);7、本合同段招标文件、技术规范、补遗书、施工图设计文件等;8、本合同段工程现场考察情况;9、我公司现有可投入工程的施工技术力量和机械设备;10、我国现行实行的其他施工技术规范和规程;11、有关安全生产、文明施工和环保的国家法律及地方法规、文件。三、开工前的准备工作:1、拌和厂场地准备:我部对料场进行了全面的整饬,料场及场拌设备周围已进行了“硬化”处理,料堆规划整齐,标志清楚,满足施工要求。2、机械设备准备开工前,厂拌及摊铺机等主要施工机械设备均进行了安装调试,使机械设备均处于良好的工作状态。并配备齐全施工中易损配件,做好开工前的维修、保养、试机工作,并保证在施工期间一般不发生有碍正常施工和质量的故障,沥青上面层施工我部将配备以下主要施工机械:机械设备一览表名称型号技术参数数量设备状况沥青拌和楼玛连尼4000产量300-320t/h1良好散装沥青库50t6良好沥青摊铺机德国福格勒2100-2182kw1良好沥青摊铺机德国福格勒1800-2130kw2良好双钢轮振动压路机悍马13814.6t5良好手扶振动压路机徐工083手扶式1良好切割机MCD214V1良好装载机LW350K3.5t1良好洒水车东风1538t1良好运输车欧曼自卸车45t30良好地磅SCS-200150t1良好以上机械数量能满足沥青上面层铺筑施工要求,在实际施工中,我部将根据工程进展情况进行进一步补充与完善,确保施工机械数量满足施工要求。3、材料准备碎石、沥青等主要原材料已确定料源,目前已完成备料任务,集料的各项指标经项目部自检,监理组抽检,均能满足施工图设计及规范要求,目前所需要的集料已经全部准备就绪。4、测量及试验仪器准备试验室和测量队是保证工程质量的重要职能部门,配备了先进的检测仪器,沥青上面层所需的试验检测仪器已安装、调试完毕。测量、试验仪器在使用前均已经国家计量部门的检验校正,并建立起仪器使用和保管制度,保证在使用期间正常运转(具体见后附表)。5、现场准备情况(1)对已摊铺好的下面层清扫干净,必要时用水清洗,清洗晾干后喷洒改性乳化沥青粘层油。6、技术准备情况(1)沥青下面层标高控...

1、当您付费下载文档后,您只拥有了使用权限,并不意味着购买了版权,文档只能用于自身使用,不得用于其他商业用途(如 [转卖]进行直接盈利或[编辑后售卖]进行间接盈利)。
2、本站所有内容均由合作方或网友上传,本站不对文档的完整性、权威性及其观点立场正确性做任何保证或承诺!文档内容仅供研究参考,付费前请自行鉴别。
3、如文档内容存在违规,或者侵犯商业秘密、侵犯著作权等,请点击“违规举报”。

碎片内容

某路面工程沥青下面层施工组织设计

确认删除?
VIP
微信客服
  • 扫码咨询
会员Q群
  • 会员专属群点击这里加入QQ群
客服邮箱
回到顶部