电脑桌面
添加小米粒文库到电脑桌面
安装后可以在桌面快捷访问

某市政工程部桥梁工程监理手册VIP免费

某市政工程部桥梁工程监理手册_第1页
1/76
某市政工程部桥梁工程监理手册_第2页
2/76
某市政工程部桥梁工程监理手册_第3页
3/76
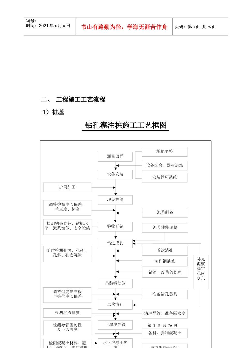
第1页共76页编号:时间:2021年x月x日书山有路勤为径,学海无涯苦作舟页码:第1页共76页市政工程部桥梁工程监理手册北京赛瑞斯国际工程咨询有限公司第2页共76页第1页共76页编号:时间:2021年x月x日书山有路勤为径,学海无涯苦作舟页码:第2页共76页二○一三年四月十八日一、工程概况××××××第3页共76页第2页共76页测量放样设备安装埋设护筒验收开钻钻进成孔吊装钢筋笼二次清孔下灌注导管水下混凝土灌注补充泥浆稳定孔内水头护筒加工调整护筒中心偏差、垂直度、标高检测钻头直径、钻机水平、泥浆性能、安全设施随时检测孔深、孔径、孔斜、孔底沉渣调整钢筋笼高程与桩位中心偏差检测沉渣厚度检测导管密封性及下入深度检测混凝土材料、配比、坍落度、灌注高度场地平整设备配套、器材进场安装循环系统泥浆性能调整首次清孔制作钢筋笼钻渣、废浆的处理准备清孔器具清理导管、准备隔水塞备料、拌制混凝土留取混凝土试件泥浆制备编号:时间:2021年x月x日书山有路勤为径,学海无涯苦作舟页码:第3页共76页二、工程施工工艺流程1)桩基钻孔灌注桩施工工艺框图第4页共76页第3页共76页自检合格报请监理工程师验收合格拌制、浇注砼立模板、绑扎钢筋钢筋制作桩基检测合格开挖基坑、破桩头测量放线检查尺寸及高程(自检)制作砼试件编号:时间:2021年x月x日书山有路勤为径,学海无涯苦作舟页码:第4页共76页2)承台承台施工工艺框图第5页共76页第4页共76页钢筋加工测量放样钢筋绑扎支模板浇注砼养生拆模钢筋认可工程师检测YN交验砼拌合、运输原材料认可砼配合比设计工程师检测YN试压试块制作模板加工编号:时间:2021年x月x日书山有路勤为径,学海无涯苦作舟页码:第5页共76页3)柱钢筋砼墩柱施工工艺框图第6页共76页第5页共76页编号:时间:2021年x月x日书山有路勤为径,学海无涯苦作舟页码:第6页共76页4)盖梁盖梁施工工艺框图第7页共76页第6页共76页测量放线支架基础处理支架基础施工支架安装底模安装钢筋绑扎预应力体系安装定位位位穿预应力钢筋侧模安装混凝土浇筑混凝土养生侧模拆除预应力张拉、锚固预应力孔道压浆封锚模板及支架拆除钢筋加工预应力钢筋制作混凝土运输混凝土搅拌千斤顶、压力表配对校验灰浆配制试块制作养生试块试验混凝土试块制作养生混凝土试块试验编号:时间:2021年x月x日书山有路勤为径,学海无涯苦作舟页码:第7页共76页5)T梁制作第8页共76页第7页共76页底模铺设绑扎钢筋钢筋下料成型安放波纹管支侧模板现场检查浇注砼砼拌合运输养生试块制作拆模板试块检测穿钢绞线钢铰线下料张拉压浆灰浆配制封锚试块制作吊运试块检测检查验收模板制作准备工作编号:时间:2021年x月x日书山有路勤为径,学海无涯苦作舟页码:第8页共76页预应力T梁预制施工工艺框图第9页共76页第8页共76页基础处理及搭支架平整场地支模板及预压绑扎底腹板钢筋及安波纹管中线标高检查钢筋下料、成型支内腹板、堵头模板第一次浇注砼及养生拆内腹板模板、支顶板模板绑扎顶板钢筋、浇注顶板砼养生及拆侧模、内顶板模板穿预应力钢绞线张拉压浆封锚拆箱梁底模板及支架中间检查砼拌合及运输试块制作试块检测灰浆配制试块制作试块检测试块制作砼拌合及运输试块检测模板制作编号:时间:2021年x月x日书山有路勤为径,学海无涯苦作舟页码:第9页共76页6)箱梁制作预应力钢筋混凝土箱梁施工工艺框图第10页共76页第9页共76页立侧模涂脱模油绑底板立墙钢筋设纵向竖向预应力管道检查模板平面尺寸束道位置N立芯模扎顶板钢筋设纵向横向预应力管道检查N砼泵准备千斤顶校验千斤顶校验千斤顶校验Y浇捣砼养护张拉三向预应力压浆顶推挂篮结束制作试块R>80%R28d制作试块Y准备工作设备机具正常测量控制点砼试配砼泵调试各材料进场各材料实验挂篮制作试拼挂篮拼装成型底板成型挂篮试压调正平台标高轴线放样N调正尺寸底板成型编号:时间:2021年x月x日书山有路勤为径,学海无涯苦作舟页码:第10页共76页7)悬浇箱梁悬浇变截面箱梁工艺流程框图第11页共76页第10页共76页梁体砼强度检查检查处理锚垫板下砼钢绞线伸长量计算清孔穿束报工程师审批报工程师审批锚具、孔道、千斤顶三对中初张拉张拉控制吨位张拉超张拉持荷5...

1、当您付费下载文档后,您只拥有了使用权限,并不意味着购买了版权,文档只能用于自身使用,不得用于其他商业用途(如 [转卖]进行直接盈利或[编辑后售卖]进行间接盈利)。
2、本站所有内容均由合作方或网友上传,本站不对文档的完整性、权威性及其观点立场正确性做任何保证或承诺!文档内容仅供研究参考,付费前请自行鉴别。
3、如文档内容存在违规,或者侵犯商业秘密、侵犯著作权等,请点击“违规举报”。

碎片内容

某市政工程部桥梁工程监理手册

您可能关注的文档

确认删除?
VIP
微信客服
  • 扫码咨询
会员Q群
  • 会员专属群点击这里加入QQ群
客服邮箱
回到顶部