电脑桌面
添加小米粒文库到电脑桌面
安装后可以在桌面快捷访问

环氧煤沥青防腐层VIP免费

环氧煤沥青防腐层_第1页
1/7
环氧煤沥青防腐层_第2页
2/7
环氧煤沥青防腐层_第3页
3/7
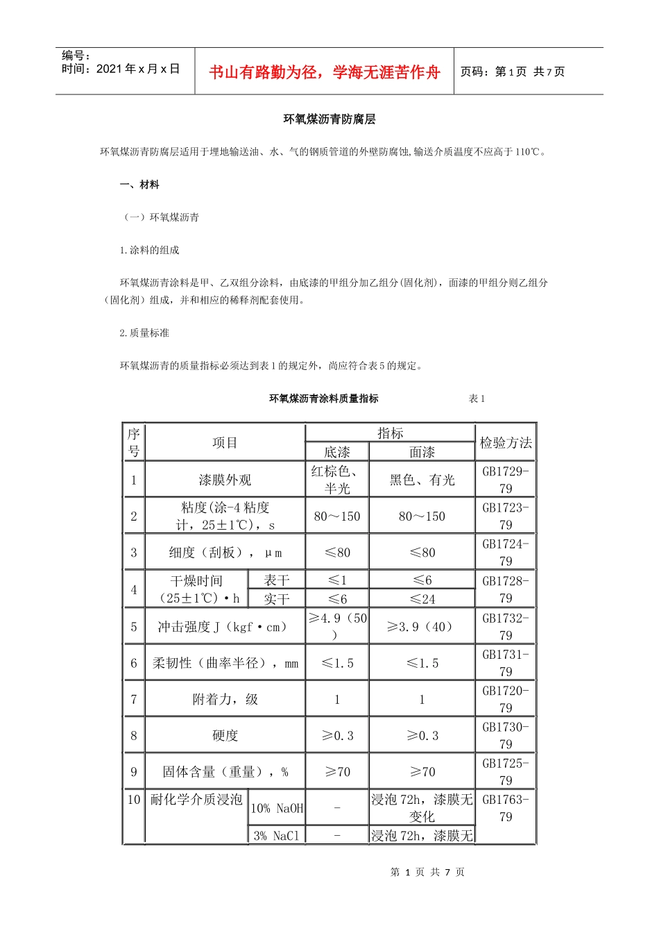
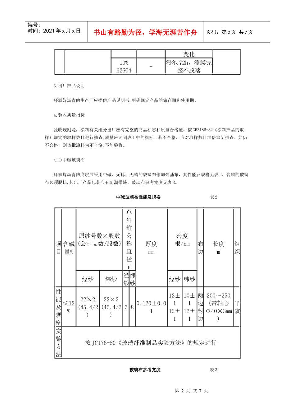
第1页共7页编号:时间:2021年x月x日书山有路勤为径,学海无涯苦作舟页码:第1页共7页环氧煤沥青防腐层环氧煤沥青防腐层适用于埋地输送油、水、气的钢质管道的外壁防腐蚀,输送介质温度不应高于110℃。一、材料(一)环氧煤沥青1.涂料的组成环氧煤沥青涂料是甲、乙双组分涂料,由底漆的甲组分加乙组分(固化剂),面漆的甲组分则乙组分(固化剂)组成,并和相应的稀释剂配套使用。2.质量标准环氧煤沥青的质量指标必须达到表1的规定外,尚应符合表5的规定。环氧煤沥青涂料质量指标表1序号项目指标检验方法底漆面漆1漆膜外观红棕色、半光黑色、有光GB1729-792粘度(涂-4粘度计,25±1℃),s80~15080~150GB1723-793细度(刮板),μm≤80≤80GB1724-794干燥时间(25±1℃)·h表干≤1≤6GB1728-79实干≤6≤245冲击强度J(kgf·cm)≥4.9(50)≥3.9(40)GB1732-796柔韧性(曲率半径),mm≤1.5≤1.5GB1731-797附着力,级11GB1720-798硬度≥0.3≥0.3GB1730-799固体含量(重量),%≥70≥70GB1725-7910耐化学介质浸泡10%NaOH-浸泡72h,漆膜无变化GB1763-793%NaCl-浸泡72h,漆膜无第2页共7页第1页共7页编号:时间:2021年x月x日书山有路勤为径,学海无涯苦作舟页码:第2页共7页变化10%H2SO4-浸泡72h,漆膜完整不脱落3.出厂产品说明环氧媒沥青的生产厂应提供产品说明书,明确规定产品的储存期和使用期。4.验收质量指标验收规则是,涂料有关组分出厂应有完整的商品标志和质量合格证。按GB3186-82《涂料产品的取样》规定的取样数目进行抽查,质量应达到表l中的指标。若不合格,应对取样数目加倍重新抽查。如仍不合格,则该批漆料为不合格,不能验收。(二)中碱玻璃布环氧煤沥青防腐层应采用中碱、无捻、无蜡的玻璃布作加强基布,其性能及规格见表2。含蜡的玻璃布必须脱蜡,其出厂产品包装应有防潮措施。玻璃布参考宽度见表3。中碱玻璃布性能及规格表2项目含碱量%原纱号数×股数(公制支数/股数)单纤维公称直径μ厚度mm密度根/cm布边长度m组织经纱纬纱经纱纬纱经纱纬纱性能及规格≤12%22×2(45.4/2)22×2(45.4/2)780.120±0.0112±112±110±112±1两边封边200~250(带轴心Φ40×3mm)平纹实验方法按JC176-80《玻璃纤维制品实验方法》的规定进行玻璃布参考宽度表3第3页共7页第2页共7页编号:时间:2021年x月x日书山有路勤为径,学海无涯苦作舟页码:第3页共7页管径60~89114~159219273377426~529720布宽120150200~250300400500600~700二、防腐层的等级与结构环氧煤沥青涂料用于埋地钢管外防腐蚀时,应根据不同的土壤腐蚀环境,选用不同等级结构的防腐层,见表4。环氧煤沥青防腐层等级与结构表4防腐层等级结构干膜厚度mm普通底漆—面漆—面漆≥0.2加强底漆—面漆—玻璃布—面漆—面漆≥0.4特加强底漆—面漆—玻璃布—面漆—玻璃布—面漆—面漆≥0.6三、防腐层质量评定标准及检查方法(一)评定标准环氧煤沥青防腐层的质量评定标准应达到表5的指标。(二)防腐层的检查方法:1.外观检查外观检查,应对涂敷过的管子要逐根检查,要求防腐层表面平整,无皱折和鼓包,玻璃布网孔为面漆所灌满;2.厚度检查厚度检查,要以防腐层等级规定的厚度为标准,用防腐层测厚仪进行检测。每20根抽查一根,每根测3个相隔一定距离的截面。在每截面测上、下、左、右四点。如最薄点低于规定厚度,则为不合格,再抽查2根,其中1根仍末合格时,全部为不合格。3.针孔检查针孔检查必须用电火花检漏仪检测,普通级检漏电压为2000V,加强级为3000V,特加强级为5000V,以不打火花为合格。每20根抽查1根,从管子一端测至另一端,如不合格再抽查2根,其中1根仍不合格时,全部为不合格。4.粘附力检查气第4页共7页第3页共7页编号:时间:2021年x月x日书山有路勤为径,学海无涯苦作舟页码:第4页共7页粘附力检查应在防腐层固化后(一般需7天),用小刀割开舌形切口,用力撕切口的防腐层,不易撕开,破坏处管面仍为漆膜所覆盖而不露铁为合格。按上述方法每20根抽查1根,每根涮l点,如不合格,再抽查2根,其中1根仍不合格,全部为不合格,不合格的应铲掉重新施工。5.检验合格记录经检验合格后的防腐管,应在管内壁标上:防腐厂名、钢管长度、防腐等级、生...

1、当您付费下载文档后,您只拥有了使用权限,并不意味着购买了版权,文档只能用于自身使用,不得用于其他商业用途(如 [转卖]进行直接盈利或[编辑后售卖]进行间接盈利)。
2、本站所有内容均由合作方或网友上传,本站不对文档的完整性、权威性及其观点立场正确性做任何保证或承诺!文档内容仅供研究参考,付费前请自行鉴别。
3、如文档内容存在违规,或者侵犯商业秘密、侵犯著作权等,请点击“违规举报”。

碎片内容

环氧煤沥青防腐层

您可能关注的文档

确认删除?
VIP
微信客服
  • 扫码咨询
会员Q群
  • 会员专属群点击这里加入QQ群
客服邮箱
回到顶部