电脑桌面
添加小米粒文库到电脑桌面
安装后可以在桌面快捷访问

某商场电气工程施工技术VIP免费

某商场电气工程施工技术_第1页
1/27
某商场电气工程施工技术_第2页
2/27
某商场电气工程施工技术_第3页
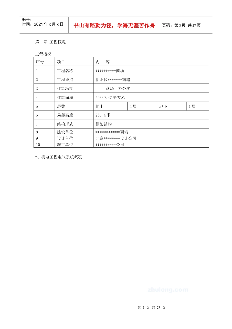
3/27
第1页共27页编号:时间:2021年x月x日书山有路勤为径,学海无涯苦作舟页码:第1页共27页目录第一章编制依据2第二章工程概况3第三章施工部署及施工准备5第一节项目管理策划5第二节施工准备及部署6第四章主要施工方法及技术措施10第一节主要施工方法10第二节成品保护措施29第三节冬雨期施工措施30第五章主要施工管理措施32第一节质量保证措施32第二节工期保证措施34第三节安全生产方针与目标、职业卫生措施及规定35第四节安全管理35第五节消防保卫措施37第六节文明及环境保护措施39第2页共27页第1页共27页编号:时间:2021年x月x日书山有路勤为径,学海无涯苦作舟页码:第2页共27页第一章编制依据1、施工图纸图纸名称图纸编号批准日期强电电施-1-152004年2月弱电电施-16-342004年2月2、行国家规范、规程、标准类别名称编号国家《民用建筑电气设计规范》JGJ/T16-92《建筑物防雷设计规范》GB50057-94(2000版)《高层民用建筑设计防火规范》GB50045-95(2001版)《低压配电设计规范》GB50054-95《火灾自动报警系统设计规范》GB50116-98《10KV及以下变配电所设计规范》GB50053-94《建筑电气安装工程施工质量验收规范》GB50303-2002地方《建筑安装分项工程施工工艺规程》DBJ/T01-26-2003企业《建筑电气工程施工工艺标准》ZJQ00-SG-006-20033、施工图集类别名称国家常用低压配电设备安装90D702-1防雷与接地安装电缆桥架安装86SD169接地装置安装03D501-4等电位联结安装03D501-2钢管配线安装03D301-3第3页共27页第2页共27页编号:时间:2021年x月x日书山有路勤为径,学海无涯苦作舟页码:第3页共27页第二章工程概况工程概况序号项目内容1工程名称**********商场2工程地点朝阳区*******南路3建筑功能商场、办公楼4建筑面积59339.47平方米5层数地上4层地下1层6局部高度26.4米7结构形式框架结构8建设单位************商场9设计单位北京********设计公司10施工单位**********公司2、机电工程电气系统概况第4页共27页第3页共27页编号:时间:2021年x月x日书山有路勤为径,学海无涯苦作舟页码:第4页共27页供配电系统本工程电力负荷等级为:二级负荷:消防用电,电梯,消防应急照明等;三级负荷:其他电力负荷及一般照明。消防及网络中心为一级负荷。电力系统低压配电系统采用220/380V放射式与树干式相结合的方式,对于单台容量较大的负荷或重要负荷采用放射式供电;对于照明及一般负荷采用放射式与树干式相结合的供电方式。二级负荷采用双电源供电,在末端互投。三级负荷采用单电源供电。本工程小于15KW的电动机采用全压启动方式;18KW及以上电动机采用星-三角启动方式。排风兼补风风机平时,由手动控制,火灾时,由消防控制室控制,消防控制室具有控制优先权。用于消防时,设备的过载保护只报警,不跳闸。电气照明系统照明电源由配变电所单独提供,从配变电所电缆沿桥架至各个照明箱,根据厂房性质及土建结构型式采用相应的灯具。一般场所为荧光灯、主厂房采用金卤灯,照度为500LX;其它部分采用荧光灯,照度标准为300LX。在消防泵房、排烟机房、防烟楼梯间及前室等的照明100%为应急照明;商场营业区等的照明(50%)为应急照明;其他公共场所应急照明一般按正常照明的10%~15%设置;在大空间用房、走廊、楼梯间及其前室、消防电梯间及其前室、主要出入口等场所设置疏散照明;出口指示灯、疏散指示灯、疏散楼梯、走道应急照明灯采用区域集中蓄电池式供电应急照明系统,其他场所应急照明采用双电源末端互投供电,应急照明供电时间大于30分,火灾时由消防控制室自动控制点亮全部应急照明灯。商场营业区的应急照明为长明灯。建筑物防雷与接地系统本工程按三类防雷建筑物设计防雷系统,利用建筑物本身金属体进行防雷接地,在女儿墙顶部内埋设通长φ10圆钢,作暗装避雷带,并与屋面板内钢筋连接组成避雷网。屋面板与柱子和基础钢筋作可靠电气通路连接,利用钢筋混凝土柱内主筋作引下线,基础内钢筋作为接地极。所有出屋面的金属构件及设备的金属外壳等均就近与预留接地钢板可靠焊接。所有强、弱电竖井内均垂直敷设二条,水平敷设一圈40×4mm镀锌扁钢,水平与垂直接地扁钢间可靠连接。总电位板由紫铜板制...

1、当您付费下载文档后,您只拥有了使用权限,并不意味着购买了版权,文档只能用于自身使用,不得用于其他商业用途(如 [转卖]进行直接盈利或[编辑后售卖]进行间接盈利)。
2、本站所有内容均由合作方或网友上传,本站不对文档的完整性、权威性及其观点立场正确性做任何保证或承诺!文档内容仅供研究参考,付费前请自行鉴别。
3、如文档内容存在违规,或者侵犯商业秘密、侵犯著作权等,请点击“违规举报”。

碎片内容

某商场电气工程施工技术

确认删除?
VIP
微信客服
  • 扫码咨询
会员Q群
  • 会员专属群点击这里加入QQ群
客服邮箱
回到顶部