电脑桌面
添加小米粒文库到电脑桌面
安装后可以在桌面快捷访问

烟花爆竹经营企业(包括批发和零售企业)安全检查表VIP免费

烟花爆竹经营企业(包括批发和零售企业)安全检查表_第1页
1/6
烟花爆竹经营企业(包括批发和零售企业)安全检查表_第2页
2/6
烟花爆竹经营企业(包括批发和零售企业)安全检查表_第3页
3/6
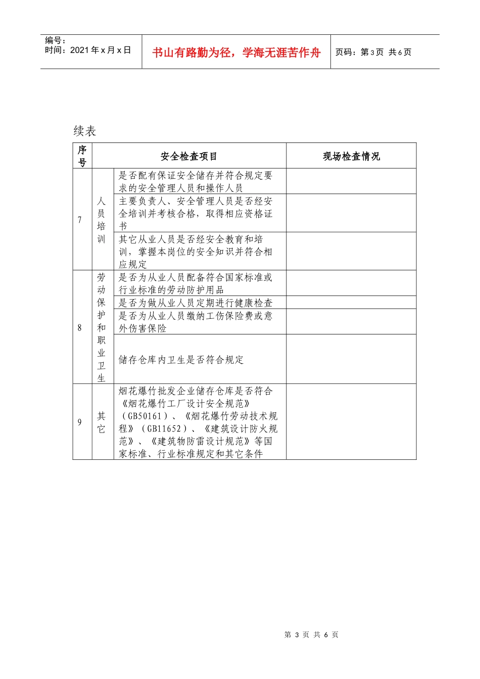
第1页共6页编号:时间:2021年x月x日书山有路勤为径,学海无涯苦作舟页码:第1页共6页烟花爆竹经营企业(包括批发和零售企业)安全检查表一、烟花爆竹批发企业储存条件安全检查表序号安全检查项目现场检查情况1选址选址是否符合城镇规划的要求,并与居民区、学校、重点建筑、铁路和公路运输线、工业区、旅游区、高压输电线等保持足够的安全距离烟花爆竹批发企业储存仓库周边距离是否经过公安部门审核(出具县级公安部门审核意见书,包括与周边建筑的距离数据)2布局在烟花爆竹批发企业储存仓库区的外部距离范围内是否设置建筑物仓库区四周是否设置密砌围墙,其高度是否低于2米,围墙与危险性建筑物的距离是否小于5米。仓库区是否设在安全地带,是否按照储存品种分别设置仓库,是否有无关人员和货流通过仓库区仓库是否长面相对布置核算药量大或危险性大的仓库是否布置在仓库区的边缘或其它有利于安全的地形处3组织机构是否设有安全管理机构是否配备足够数量的安全管理人员是否成立了事故应急救援机构,明确了应急救援人员,配备必要的应急救援器材。4规章制度是否制定从主要负责人到各从业人员的安全管理制度是否制定安全奖惩制度是否制定安全检查制度是否制定事故隐患整改制度是否制定符合《烟花爆竹劳动安全技术规程》(GB11652)要求的安全规程是否制定劳动用工及从业人员的工伤保险制度是否制定重大危险源管理制度是否制定从业人员安全教育培训制度是否制定动火管理制度第2页共6页第1页共6页编号:时间:2021年x月x日书山有路勤为径,学海无涯苦作舟页码:第2页共6页是否制定符合安全储存条件的安全投入保障制度续表序号安全检查项目现场检查情况4规章制度是否制定职业卫生管理制度是否制定防护用品(具)管理制度是否制定烟花爆竹及烟花爆竹原材料的保管制度是否制定仓库内运输、搬运及装卸管理制度是否制定仓库内的安全保卫及值班制度是否制定事故应急救援预案并定期进行演练5管理企业各项管理规章制度及事故应急救援预案是否落实企业烟花爆竹及烟花爆竹原材料仓库管理是否符合安全要求企业仓库是否存在超员和超量现象员工操作是否存在违章作业现象储存的产品是否符合《烟花爆竹安全与质量》(GB10631-89)的要求,是否存在储存违禁药物情况劳动用工是否符合要求,是否存在使用童工情况6设施是否具有与其销售规模、产品品种相适应并符合安全储存要求的储存场所储存仓库的内外部安全距离、建筑结构、安全疏散条件、消防设施以及防爆、防雷、防静电等安全措施是否符合《烟花爆竹工厂设计安全规范》(GB50161)的要求,是否取得消防等到部门的审查意见A级建筑物是否设有安全防护屏障仓库是否按照储存的品种进行标识仓库区域内是否有明显的安全警示标志或标语,仓库内是否牢固张贴安全管理制度和操作规程仓库外架空线路是否符合要求,是否在危险场所架设临时性电气设施第3页共6页第2页共6页编号:时间:2021年x月x日书山有路勤为径,学海无涯苦作舟页码:第3页共6页续表序号安全检查项目现场检查情况7人员培训是否配有保证安全储存并符合规定要求的安全管理人员和操作人员主要负责人、安全管理人员是否经安全培训并考核合格,取得相应资格证书其它从业人员是否经安全教育和培训,掌握本岗位的安全知识并符合相应规定8劳动保护和职业卫生是否为从业人员配备符合国家标准或行业标准的劳动防护用品是否为做从业人员定期进行健康检查是否为从业人员缴纳工伤保险费或意外伤害保险储存仓库内卫生是否符合规定9其它烟花爆竹批发企业储存仓库是否符合《烟花爆竹工厂设计安全规范》(GB50161)、《烟花爆竹劳动技术规程》(GB11652)、《建筑设计防火规范》、《建筑物防雷设计规范》等国家标准、行业标准规定和其它条件第4页共6页第3页共6页编号:时间:2021年x月x日书山有路勤为径,学海无涯苦作舟页码:第4页共6页二、烟花爆竹经营单位安全检查表项目序号检查内容检查意见基本条件1应具有企业法人资格;2应具有爆炸物品销售许可证;3具有与其销售品种规模相适应的注册资本;4库区周边安全防护距离是否符合国家有关规定;5库房建筑结构是否符合国家有关标准要求;6库区布局是否符合国家有...

1、当您付费下载文档后,您只拥有了使用权限,并不意味着购买了版权,文档只能用于自身使用,不得用于其他商业用途(如 [转卖]进行直接盈利或[编辑后售卖]进行间接盈利)。
2、本站所有内容均由合作方或网友上传,本站不对文档的完整性、权威性及其观点立场正确性做任何保证或承诺!文档内容仅供研究参考,付费前请自行鉴别。
3、如文档内容存在违规,或者侵犯商业秘密、侵犯著作权等,请点击“违规举报”。

碎片内容

烟花爆竹经营企业(包括批发和零售企业)安全检查表

确认删除?
VIP
微信客服
  • 扫码咨询
会员Q群
  • 会员专属群点击这里加入QQ群
客服邮箱
回到顶部