电脑桌面
添加小米粒文库到电脑桌面
安装后可以在桌面快捷访问

沥青路面铺设冬季施工(DOC32页)VIP专享VIP免费

沥青路面铺设冬季施工(DOC32页)_第1页
1/26
沥青路面铺设冬季施工(DOC32页)_第2页
2/26
沥青路面铺设冬季施工(DOC32页)_第3页
3/26
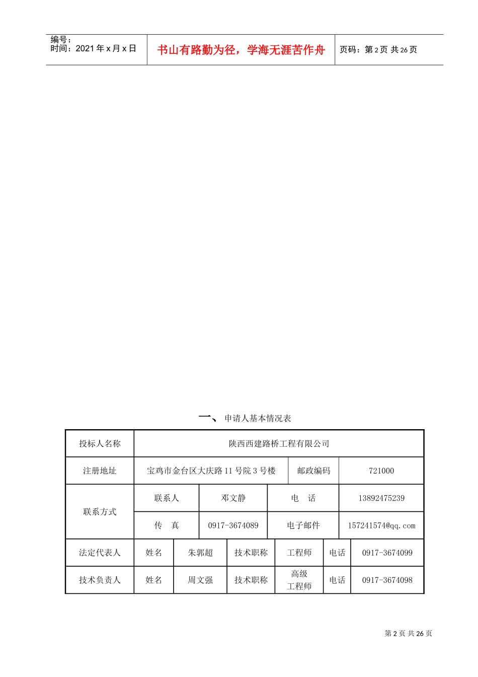
第1页共26页编号:时间:2021年x月x日书山有路勤为径,学海无涯苦作舟页码:第1页共26页宝鸡渭河人防隧道道路提升改造工程商务及技术文件编制:审核:审批:陕西西建路桥工程有限公司日期:二0一五年十月二十日目录一、申请人基本情况表………………………………………………1二、申请人企业组织机构框图………………………………………12三、拟委任的主要管理人员和技术人员汇总表……………………13四、拟委任的项目经理和项目总工资历表…………………………14五、施工组织实施方案………………………………………………37第2页共26页编号:时间:2021年x月x日书山有路勤为径,学海无涯苦作舟页码:第2页共26页一、申请人基本情况表投标人名称陕西西建路桥工程有限公司注册地址宝鸡市金台区大庆路11号院3号楼邮政编码721000联系方式联系人邓文静电话13892475239传真0917-3674089电子邮件157241574@qq.com法定代表人姓名朱郭超技术职称工程师电话0917-3674099技术负责人姓名周文强技术职称高级工程师电话0917-3674098第3页共26页编号:时间:2021年x月x日书山有路勤为径,学海无涯苦作舟页码:第3页共26页成立时间1999.2员工总人数:269人企业资质等级公路工程施工总承包二级其中项目经理19营业执照号610301100006187高级职称人员10注册资金叁仟万中级职称人员53基本帐号开户银行建行宝鸡开发区支行初级职称人员36基本账户帐号61001628908050000934技工151经营范围可承担单项合同额不超过企业注册资本金5倍的一级标准及以下公路、单跨跨度<100米的桥梁、长度<1000米的隧道工程的施工。资产构成情况及投资参股的关联企业情况自然人控股备注二、申请人企业组织机构框图第4页共26页编号:时间:2021年x月x日书山有路勤为径,学海无涯苦作舟页码:第4页共26页以框图方式表示:说明:公司下设办公室、经营开发部、项目管理部、安全监察部、财务审计部、物资采供部等六个部室及三个分公司,现有职工269人,管理干部69人,具有本科、专科学历员工占职工人数的38%,各类持证上岗人员213人。公司拥有各类机械设备190台(件),年完成产值7000余万元。三、拟委任的主要管理人员和技术人员汇总表陕西西建路桥工程有限公司办公室物资采供部项目管理部经营开发部财务审计部安全监察部各工程项目经理部路基分公司油路分公司机械分公司第5页共26页编号:时间:2021年x月x日书山有路勤为径,学海无涯苦作舟页码:第5页共26页姓名本项目中担任的职务技术职称工作年限类似施工经验年限杨海峰项目经理工程师11年8年杨恩宽技术负责工程师20年15年贾海鹏技术员工程师11年8年李新军测量员助理工程师8年6年张胜利施工员助理工程师11年6年刘广平安全员助理工程师15年6年曹敏资料员助理工程师2年2年姜智刚试验员助理工程师4年4年四、拟委任的项目经理和项目总工资历表第6页共26页编号:时间:2021年x月x日书山有路勤为径,学海无涯苦作舟页码:第6页共26页姓名杨海峰年龄32岁专业公路与桥梁职称工程师公司单位职务拟在本工程担任职务项目经理毕业学校2005年7月毕业于陕西交通职业技术学院公路与桥梁专业,学制3年。经历年参加过的工程项目名称担任职务发包人2013宝鸡市高新大道(高新十六路—虢潘路)三期二标段道路工程项目经理宝鸡市第一建筑工程有限责任公司2014宝鸡市体育场周边道路提升改造工程路面工程项目经理宝鸡市市政工程有限公司2015陇县陇马路县城至天成段改道工程C标段项目经理陇县交通运输局获奖情况无目前任职项目状况项目名称无担任职务无可以调离日期随时备注现在在公司上班。四、拟委任的项目经理和项目总工资历表第7页共26页编号:时间:2021年x月x日书山有路勤为径,学海无涯苦作舟页码:第7页共26页姓名杨恩宽年龄38岁专业公路工程与管理职称工程师公司单位职务拟在本工程担任职务项目总工毕业学校1996年7月毕业于西安交通大学公路工程与管理专业,学制3年。经历年参加过的工程项目名称担任职务发包人2013宝鸡市高新大道(高新十六路—虢潘路)三期二标段道路工程项目总工宝鸡市第一建筑工程有限责任公司2014宝鸡市体育场周边道路提升改造工程路面工程项目总工宝鸡市市政工程有限公...

1、当您付费下载文档后,您只拥有了使用权限,并不意味着购买了版权,文档只能用于自身使用,不得用于其他商业用途(如 [转卖]进行直接盈利或[编辑后售卖]进行间接盈利)。
2、本站所有内容均由合作方或网友上传,本站不对文档的完整性、权威性及其观点立场正确性做任何保证或承诺!文档内容仅供研究参考,付费前请自行鉴别。
3、如文档内容存在违规,或者侵犯商业秘密、侵犯著作权等,请点击“违规举报”。

碎片内容

沥青路面铺设冬季施工(DOC32页)

确认删除?
VIP
微信客服
  • 扫码咨询
会员Q群
  • 会员专属群点击这里加入QQ群
客服邮箱
回到顶部