电脑桌面
添加小米粒文库到电脑桌面
安装后可以在桌面快捷访问

滑动导轨系列立式数控铣床VIP免费

滑动导轨系列立式数控铣床_第1页
1/17
滑动导轨系列立式数控铣床_第2页
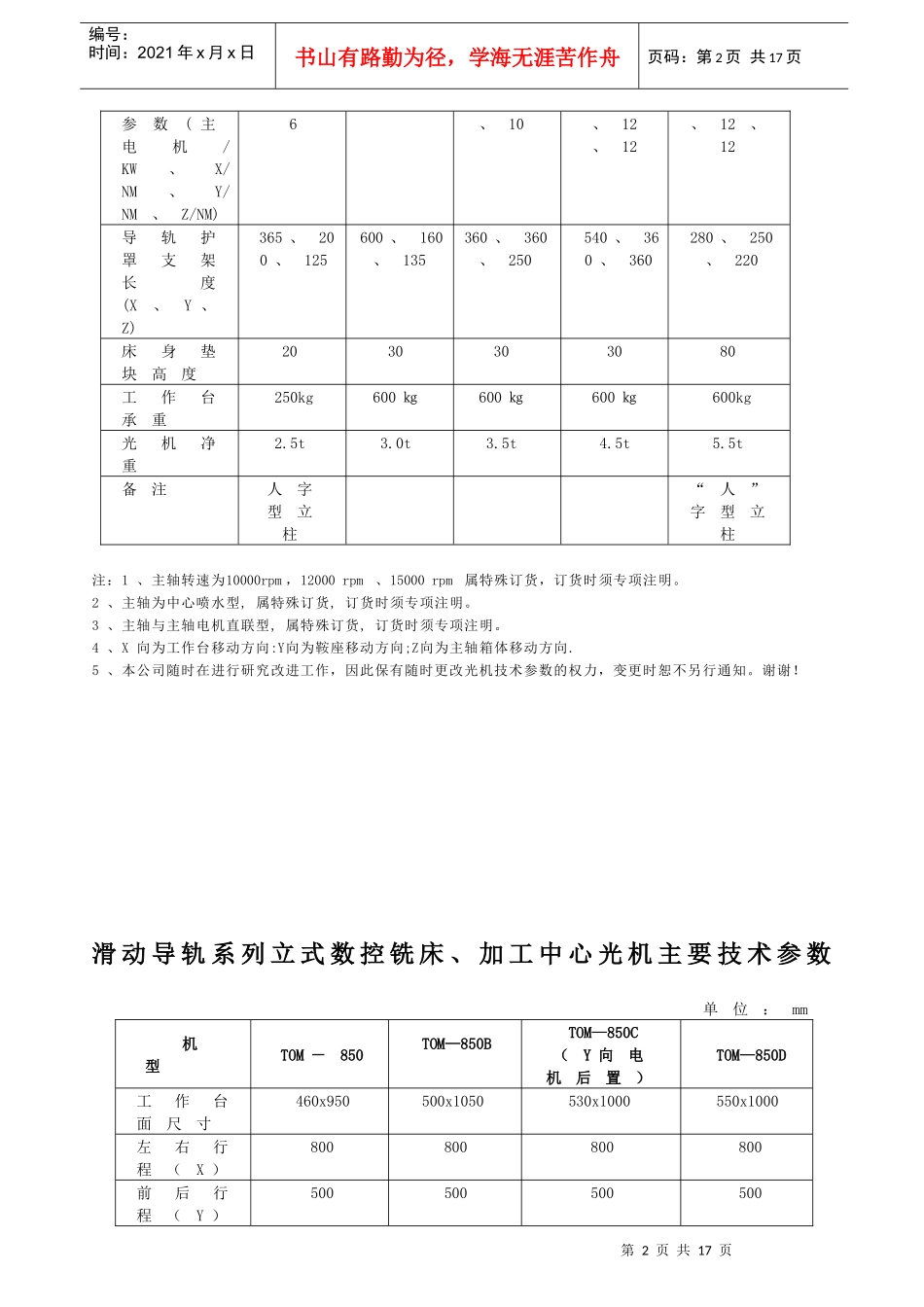
2/17
滑动导轨系列立式数控铣床_第3页
3/17
第1页共17页编号:时间:2021年x月x日书山有路勤为径,学海无涯苦作舟页码:第1页共17页滑动导轨系列立式数控铣床、加工中心光机主要技术参数单位:mm机型TOM-545(电机后置)TOM-600ATOM-650TOM-750TOM—750C(Y向电机后置)工作台面尺寸620x380405x1370420x800450x900500x900左右行程(X)500900650750750前后行程(Y)400500400450500上下行程(Z)500550480500700主轴中心至立柱导轨距离450515480520575主轴端面至工作台面距离35-53580-63080-560180-680110x810工作台T型槽(数目-尺寸x间距)3-16*1105-16*603-18*1353-18*1505-18*100主轴锥孔(型号/安装尺寸)BT30/¢120BT40/¢150BT40/¢150BT40/¢150BT40/¢150主轴转速(rpm)80008000800080008000X·Y轴滚珠丝杆规格32053205320640104010Z轴滚珠丝杆规格32053205320640104010X·Y·Z电机联接方式直联皮带传动直联直联直联推荐选用电机3.5、6、6、5.5、6、6、65.5、8、105.5-7.5、105.5-7.5、10第2页共17页第1页共17页编号:时间:2021年x月x日书山有路勤为径,学海无涯苦作舟页码:第2页共17页参数(主电机/KW、X/NM、Y/NM、Z/NM)6、10、12、12、12、12导轨护罩支架长度(X、Y、Z)365、200、125600、160、135360、360、250540、360、360280、250、220床身垫块高度2030303080工作台承重250kg600㎏600㎏600㎏600kg光机净重2.5t3.0t3.5t4.5t5.5t备注人字型立柱“人”字型立柱注:1、主轴转速为10000rpm,12000rpm、15000rpm属特殊订货,订货时须专项注明。2、主轴为中心喷水型,属特殊订货,订货时须专项注明。3、主轴与主轴电机直联型,属特殊订货,订货时须专项注明。4、X向为工作台移动方向:Y向为鞍座移动方向;Z向为主轴箱体移动方向.5、本公司随时在进行研究改进工作,因此保有随时更改光机技术参数的权力,变更时恕不另行通知。谢谢!滑动导轨系列立式数控铣床、加工中心光机主要技术参数单位:mm机型TOM-850TOM—850BTOM—850C(Y向电机后置)TOM—850D工作台面尺寸460x950500x1050530x1000550x1000左右行程(X)800800800800前后行程(Y)500500500500第3页共17页第2页共17页编号:时间:2021年x月x日书山有路勤为径,学海无涯苦作舟页码:第3页共17页上下行程(Z)550550700500主轴中心至立柱导轨距离550550575600主轴端面至工作台面距离105-655105-655110-810160-660工作台T型槽(数目-尺寸*间距)3-18*1503-18*1505-18*1005-18*100主轴锥孔(型号/安装尺寸)BT40/¢150BT40/¢150BT40/¢150BT40/¢150主轴转速(rpm)8000800080008000X·Y轴滚珠丝杆规格4008400840104516Z轴滚珠丝杆规格4008400840104512X·Y·Z电机联接方式直联直联直联直联推荐选用电机参数(主电机/KW、X/NM、Y/NM、Z/NM)5.5-7.5、10、12、125.5-7.5、10、12、125.5-7.5、10、12、127.5-15、16、16、16导轨护罩支架长度(X、Y、Z)465、250、220515、250、220465、250、220352、250(前)、450(后)床身垫块高度30308030第4页共17页第3页共17页编号:时间:2021年x月x日书山有路勤为径,学海无涯苦作舟页码:第4页共17页工作台承重600㎏600㎏600kg800kg光机净重4t4t5.5t5t备注:“人”字型立柱“人”字型立柱注:1、主轴转速为10000rpm,12000rpm、15000rpm属特殊订货,订货时须专项注明。2、主轴为中心喷水型,属特殊订货,订货时须专项注明。3、主轴与主轴电机直联型,属特殊订货,订货时须专项注明。4、X向为工作台移动方向:Y向为鞍座移动方向;Z向为主轴箱体移动方向.5、本公司随时在进行研究改进工作,因此保有随时更改光机技术参数的权力,变更时恕不另行通知。谢谢!滑动导轨系列立式数控铣床、加工中心光机主要技术参数单位:mm机型TOM-1060TOM—1060CTOM-1060B(Y向电机后置)工作台面尺寸600x1300600x1300600x1300左右行程(X)100010001000前后行程(Y)600600600上下行程(Z)600560600主轴中心至立柱导轨距离600700655主轴端面至工作台面距离180-780170-770180-780工作台T型槽(数目-尺寸*间距)5-18*1205-18*1205-18*120主轴锥孔BT40/¢150BT40/¢150BT40¢150第5页共17页第4页共17页编号:时间:2021年x月x日书山有路勤为径,学海无涯苦...

1、当您付费下载文档后,您只拥有了使用权限,并不意味着购买了版权,文档只能用于自身使用,不得用于其他商业用途(如 [转卖]进行直接盈利或[编辑后售卖]进行间接盈利)。
2、本站所有内容均由合作方或网友上传,本站不对文档的完整性、权威性及其观点立场正确性做任何保证或承诺!文档内容仅供研究参考,付费前请自行鉴别。
3、如文档内容存在违规,或者侵犯商业秘密、侵犯著作权等,请点击“违规举报”。

碎片内容

滑动导轨系列立式数控铣床

您可能关注的文档

确认删除?
VIP
微信客服
  • 扫码咨询
会员Q群
  • 会员专属群点击这里加入QQ群
客服邮箱
回到顶部