电脑桌面
添加小米粒文库到电脑桌面
安装后可以在桌面快捷访问

水利工程质量检测单位资质等级标准-附件1:VIP免费

水利工程质量检测单位资质等级标准-附件1:_第1页
1/5
水利工程质量检测单位资质等级标准-附件1:_第2页
2/5
水利工程质量检测单位资质等级标准-附件1:_第3页
3/5
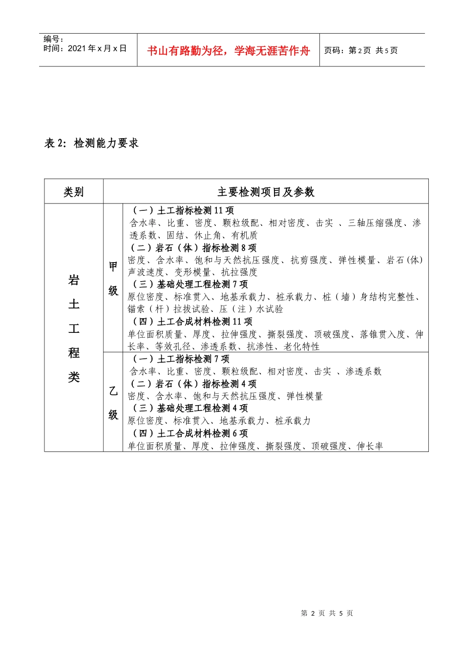
第1页共5页编号:时间:2021年x月x日书山有路勤为径,学海无涯苦作舟页码:第1页共5页附件:水利工程质量检测单位资质等级标准水利工程质量检测单位资质分为岩土工程、混凝土工程、金属结构、机械电气和量测5个类别,每个类别分为甲级、乙级2个等级。所有类别的人员配备、业绩、管理体系和质量保证体系要求见表1。各个类别的检测能力要求见表2。表1:人员配备、业绩、管理体系和质量保证体系要求等级甲级乙级人员配备经考试合格的检测人员≥15人(其中具备中级及以上技术职称人员不少于7人)≥10人(其中具备中级及以上技术职称人员不少于5人)主要负责人具有10年以上从事水利水电工程建设相关工作经历并具有高级以上职称。具有8年以上从事水利水电工程建设相关工作经历并具有高级以上职称。技术负责人具有10年以上从事水利水电工程建设相关工作经历,并具有水利水电专业高级以上技术职称。具有8年以上从事水利水电工程建设相关工作经历,并具有水利水电专业高级以上技术职称。业绩近3年内至少承担过3个大型水利水电工程(含一级堤防)或6个中型水利水电工程(含二级堤防)的主要检测任务。管理体系和质量保证体系有健全的技术管理和质量保证体系,有计量认证资质证书。第2页共5页第1页共5页编号:时间:2021年x月x日书山有路勤为径,学海无涯苦作舟页码:第2页共5页表2:检测能力要求类别主要检测项目及参数岩土工程类甲级(一)土工指标检测11项含水率、比重、密度、颗粒级配、相对密度、击实、三轴压缩强度、渗透系数、固结、休止角、有机质(二)岩石(体)指标检测8项密度、含水率、饱和与天然抗压强度、抗剪强度、弹性模量、岩石(体)声波速度、变形模量、抗拉强度(三)基础处理工程检测7项原位密度、标准贯入、地基承载力、桩承载力、桩(墙)身结构完整性、锚索(杆)拉拔试验、压(注)水试验(四)土工合成材料检测11项单位面积质量、厚度、拉伸强度、撕裂强度、顶破强度、落锥贯入度、伸长率、等效孔径、渗透系数、抗渗性、老化特性乙级(一)土工指标检测7项含水率、比重、密度、颗粒级配、相对密度、击实、渗透系数(二)岩石(体)指标检测4项密度、含水率、饱和与天然抗压强度、弹性模量(三)基础处理工程检测4项原位密度、标准贯入、地基承载力、桩承载力(四)土工合成材料检测6项单位面积质量、厚度、拉伸强度、撕裂强度、顶破强度、伸长率第3页共5页第2页共5页编号:时间:2021年x月x日书山有路勤为径,学海无涯苦作舟页码:第3页共5页类别主要检测项目及参数混凝土工程类甲级(一)水泥8项细度、标准稠度用水量、凝结时间、安定性、胶砂流动度、胶砂强度、比表面积、烧失量(二)粉煤灰7项强度比、需水量比、细度、安定性、烧失量、三氧化硫含量、均匀性(三)混凝土骨料13项颗粒级配、含水率、含泥量、堆积密度、表观密度、针片状颗粒含量、软弱颗粒含量、压碎指标、碱活性、硫化物含量、软化物含量、云母含量、超逊径(四)混凝土18项拌合物坍落度、拌合物泌水率、拌合物均匀性、拌合物含气量、温度、拌合物凝结时间、拌合物水胶比、抗压强度、抗拉强度、抗折强度、弹性模量、抗渗、钢筋间距、钢筋保护层厚度、碳化深度、回弹值、超声波测缺(五)钢筋7项抗拉强度、屈服强度、伸长率、冷弯性能、焊接性能、硬度、弯曲(六)砂浆6项稠度、泌水率、密度、含气量、抗压强度、抗渗(七)外加剂11项减水率、含固量、含水率、含气量、pH值、细度、氯离子含量、硫酸钠含量、流动度、收缩率比、限制膨胀率(八)沥青6项密度、相对密度、针入度、延度、软化点、脆点第4页共5页第3页共5页编号:时间:2021年x月x日书山有路勤为径,学海无涯苦作舟页码:第4页共5页乙级(一)水泥6项细度、标准稠度用水量、凝结时间、安定性、胶砂流动度、胶砂强度(二)混凝土骨料8项颗粒级配、含水率、含泥量、堆积密度、表观密度、针片状颗粒含量、压碎指标、软弱颗粒含量(三)混凝土9项拌合物坍落度、拌合物泌水率、拌合物均匀性、拌合物含气量、温度、拌合物凝结时间、拌合物水胶比、抗压强度、抗拉强度(四)钢筋6项抗拉强度、屈服强度、伸长率、冷弯性能、焊接性能、弯曲(五)...

1、当您付费下载文档后,您只拥有了使用权限,并不意味着购买了版权,文档只能用于自身使用,不得用于其他商业用途(如 [转卖]进行直接盈利或[编辑后售卖]进行间接盈利)。
2、本站所有内容均由合作方或网友上传,本站不对文档的完整性、权威性及其观点立场正确性做任何保证或承诺!文档内容仅供研究参考,付费前请自行鉴别。
3、如文档内容存在违规,或者侵犯商业秘密、侵犯著作权等,请点击“违规举报”。

碎片内容

水利工程质量检测单位资质等级标准-附件1:

确认删除?
VIP
微信客服
  • 扫码咨询
会员Q群
  • 会员专属群点击这里加入QQ群
客服邮箱
回到顶部