电脑桌面
添加小米粒文库到电脑桌面
安装后可以在桌面快捷访问

某家具公司询报价流程VIP免费

某家具公司询报价流程_第1页
1/35
某家具公司询报价流程_第2页
2/35
某家具公司询报价流程_第3页
3/35
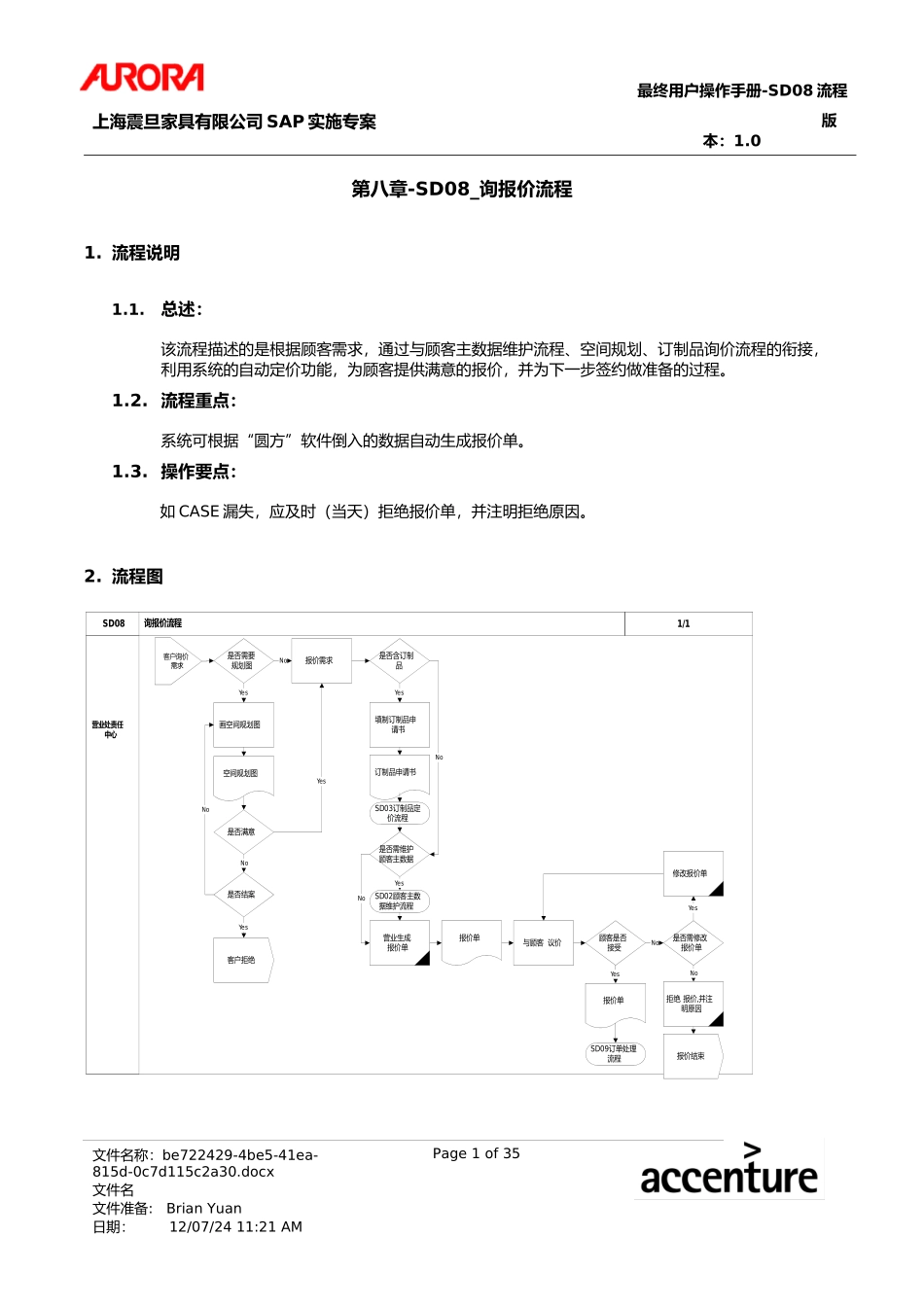
最终用户操作手册-SD08流程上海震旦家具有限公司SAP实施专案版本:1.0第八章-SD08_询报价流程1.流程说明1.1.总述:该流程描述的是根据顾客需求,通过与顾客主数据维护流程、空间规划、订制品询价流程的衔接,利用系统的自动定价功能,为顾客提供满意的报价,并为下一步签约做准备的过程。1.2.流程重点:系统可根据“圆方”软件倒入的数据自动生成报价单。1.3.操作要点:如CASE漏失,应及时(当天)拒绝报价单,并注明拒绝原因。2.流程图文件名称:be722429-4be5-41ea-815d-0c7d115c2a30.docx文件名Page1of35文件准备:BrianYuan日期:12/07/2411:21AM询报价流程SD08营业处责任中心客户询价需求是否需要规划图画空间规划图空间规划图是否满意报价需求是否含订制品YesYesYesNoNoNo填制订制品申请书订制品申请书SD03订制品定价流程是否需维护顾客主数据SD02顾客主数据维护流程报价单YesNo与顾客议价顾客是否接受SD09订单处理流程是否需修改报价单YesNoNoYes拒绝,报价并注明原因修改报价单营业生成报价单是否结案No客户拒绝Yes报价结束报价单1/1最终用户操作手册-SD08流程上海震旦家具有限公司SAP实施专案版本:1.03.系统操作3.1.操作范例创建、修改并打印报价单3.2.系统菜单及交易代码后勤→销售和分销→销售→报价→创建交易代码:VA21后勤→销售和分销→销售→报价→修改交易代码:VA22后勤→销售和分销→销售→报价→显示交易代码:VA233.3.系统屏幕及栏位解释3.3.1.创建报价单(分楼层报价)文件名称:be722429-4be5-41ea-815d-0c7d115c2a30.docx文件名Page2of35文件准备:BrianYuan日期:12/07/2411:21AM最终用户操作手册-SD08流程上海震旦家具有限公司SAP实施专案版本:1.0栏位名称栏位说明资料范例报价单类型ZFBJ(所有责任中心报价单统一使用此种类型)ZFBJ销售组织F011分销渠道对直销客户报价为10,对经销商报价为2010部门01销售办公室4005销售组005按键进入下一个画面。文件名称:be722429-4be5-41ea-815d-0c7d115c2a30.docx文件名Page3of35文件准备:BrianYuan日期:12/07/2411:21AM最终用户操作手册-SD08流程上海震旦家具有限公司SAP实施专案版本:1.0栏位名称栏位说明资料范例物料100527(一般物料);100010(可配置物料)订单数量10,10备注100010为可配置物料,进入物料编辑屏,选择特性值文件名称:be722429-4be5-41ea-815d-0c7d115c2a30.docx文件名Page4of35文件准备:BrianYuan日期:12/07/2411:21AM最终用户操作手册-SD08流程上海震旦家具有限公司SAP实施专案版本:1.0需选择特性值按下拉菜单,进入下一画面文件名称:be722429-4be5-41ea-815d-0c7d115c2a30.docx文件名Page5of35文件准备:BrianYuan日期:12/07/2411:21AM最终用户操作手册-SD08流程上海震旦家具有限公司SAP实施专案版本:1.0选择物料的特性值按<继续>键,进入下一画面文件名称:be722429-4be5-41ea-815d-0c7d115c2a30.docx文件名Page6of35文件准备:BrianYuan日期:12/07/2411:21AM最终用户操作手册-SD08流程上海震旦家具有限公司SAP实施专案版本:1.0按键,进入下一画面,继续输入其他物料文件名称:be722429-4be5-41ea-815d-0c7d115c2a30.docx文件名Page7of35文件准备:BrianYuan日期:12/07/2411:21AM最终用户操作手册-SD08流程上海震旦家具有限公司SAP实施专案版本:1.0按键进入下一画面文件名称:be722429-4be5-41ea-815d-0c7d115c2a30.docx文件名Page8of35文件准备:BrianYuan日期:12/07/2411:21AM最终用户操作手册-SD08流程上海震旦家具有限公司SAP实施专案版本:1.0栏位名称栏位说明资料范例售达方必输2110050007报价有效至报价有效日期(必输)2001/04/19物料物料号100527,100010,100151订单数量10,10,20按“保存”完成创建报价单。若需按楼层报价,则双击各项目,进入下一画面文件名称:be722429-4be5-41ea-815d-0c7d115c2a30.docx文件名Page9of35文件准备:BrianYuan日期:12/07/2411:21AM最终用户操作手册-SD08流程上海震旦家具有限公司SAP实施专案版本:1.0按<文本>键进入下一画面文件名称:be722429-4be5-41ea-815d-0c7d115c2a30.docx文件名Page10of35文件准备:BrianYuan日期...

1、当您付费下载文档后,您只拥有了使用权限,并不意味着购买了版权,文档只能用于自身使用,不得用于其他商业用途(如 [转卖]进行直接盈利或[编辑后售卖]进行间接盈利)。
2、本站所有内容均由合作方或网友上传,本站不对文档的完整性、权威性及其观点立场正确性做任何保证或承诺!文档内容仅供研究参考,付费前请自行鉴别。
3、如文档内容存在违规,或者侵犯商业秘密、侵犯著作权等,请点击“违规举报”。

碎片内容

某家具公司询报价流程

您可能关注的文档

确认删除?
VIP
微信客服
  • 扫码咨询
会员Q群
  • 会员专属群点击这里加入QQ群
客服邮箱
回到顶部