电脑桌面
添加小米粒文库到电脑桌面
安装后可以在桌面快捷访问

某工程给排水初步设计说明图样VIP免费

某工程给排水初步设计说明图样_第1页
1/18
某工程给排水初步设计说明图样_第2页
2/18
某工程给排水初步设计说明图样_第3页
3/18
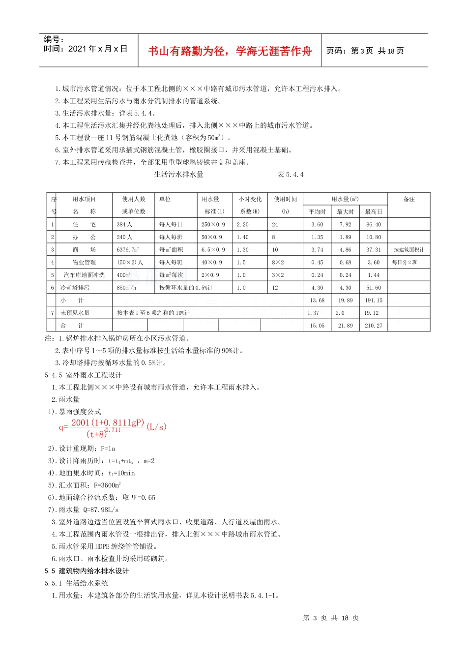
第1页共18页编号:时间:2021年x月x日书山有路勤为径,学海无涯苦作舟页码:第1页共18页5设计说明书5.1设计依据5.1.1××××开发公司关于本工程的设计任务书、设计要求和该公司提供的有关资料。5.1.2××××开发公司提供的本工程周围城市市政管道概况资料。5.1.3国家现行的设计规范、规程。1《建筑给水排水设计规范》GB50015-20032《住宅设计规范》GB50096-1999(2003年版)3《室外给水设计规范》GBJ13-86(1997年版)4《室外排水设计规范》GB14-87(1997年版)5《二次供水设施卫生规范》GB17051-19976《高层民用建筑设计防火规范》GB50045-95(2001年版)7《自动喷水灭火系统设计规范》GB50084-20018《建筑灭火器配置设计规范》GBJ140-90(1997年版)9《汽车库、修理库、停车场设计防火规范》GB50067-975.1.4本项目建筑、结构、采暖空调、电气和总图等专业提供的作业条件图和设计资料。5.2工程概况5.2.1本工程位于北京市××区×××中路北侧现有居住区内的空地上。5.2.2本工程由一栋高层综合楼和一栋机械停车库组成。规划用地面积为3600m2,其中综合楼总建筑面积22128.752m,其中地下为3188.552m,建筑檐口(女儿墙)高度73.50m;机械停车库总面积320m2,高度6.0m。5.2.3综合楼由地下二层设备机房及库房、地下一层超市、地上一至二层商场、三至四层办公室及五层至二十三层住宅等四部分组成;机械停车库为单层建筑。5.3设计范围5.3.1本工程红线以内室外和室内给水排水及消防系统由本院设计。5.3.2本工程水表井与城市给水管的连接管段和最末一座检查井与城市污水管及雨水管的连接管等,由城市有关部门负责设计。5.4室外给水排水工程5.4.1室外给水工程设计1.水源1).本工程水源为城市自来水,供水压力≥0.25MPa。2).本工程从北侧×××中路的城市给水管道上接二根DN150mm的引入管。建筑红线内,分别经四座水表井(一座为办公用水水表,一座为商场用水水表,另两座为住宅用水水表)后,与小区管网相连接。2.用水量1).生活饮用水量:最高日362.90m3,最大小时36.08m3,平均小时28.52m3。2).主要用水项目及其用水量,详表5.4.1-1。3).消防用水量,详表5.4.1-2。3.给水管道系统1).生活饮用水量:最高日362.90m,最大小时36.08m,平均小时28.52m。2).由于本工程内部使用功能不同,其水费标准不一样,故在本小区的建筑物外设有四座水表井。3).本工程消防为二路供水,给水引入管至红线内经二座住宅水表后与本工程室外生活消防合用环状给水管相连接,且表后设"倒流防止器"。本工程各用水项目用水量汇总表表5.4.1-1序用水项目使用人数单位用水量小时变化使用时间用水量(m3)备注第2页共18页第1页共18页编号:时间:2021年x月x日书山有路勤为径,学海无涯苦作舟页码:第2页共18页号名称或单位数标准(L)系数(K)(h)平均时最大时最高日1住宅384人每人每日2502.20244.008.8096.002办公240人每人每班501.4081.502.1012.003商场6376.7m2每m2面积6.51.30104.155.4041.45按建筑面积计4锅炉补水每小时20001.0102.002.0020.005冷却塔补水850m3/h按循环水量的1.5%计1.01212.8012.80153.606物业管理(50×2)人每人每班401.58×20.500.754.00每日分成2班7绿化及道路洒水700m2每m2每次21.020.700.701.40按每日1次计8汽车库地面冲洗400m2每m2每次21.03×20.270.271.60按每日2次计小计25.9232.82330.059未预见水量按本表1至7项之和的10%计2.603.2632.85合计28.5236.08362.90消防用水量标准及一次灭火用水量表5.4.1-2序号消防系统名称消防用水量标准火灾延续时间一次灭火用水量备注1室内消火栓系统40L/s3h432m3由消防水池供2自动喷水灭火系统30L/s1h108m3由消防水池供3室外消火栓系统30L/s3h324m3由城市管网供合计864m34).管材(1).管径DN<80mm者,采用内外壁涂塑钢管,丝扣连接。(2).管径DN≥80mm者,采用管内壁涂塑球墨给水铸铁管,橡胶圈接口。并设支墩。(3).管内壁涂塑材质应符合《生活饮用水输配水设备及防护材料的安全性评价标准》GB/T17219-1998的要求。(4).管道、管件及阀门的工作压力为1.0MPa。5).水表井和阀门井均采用砖砌筑。井盖采用球墨铸铁井盖和盖座,位于行车道上者为重型;位于非行车道上者为轻型。5.4.2...

1、当您付费下载文档后,您只拥有了使用权限,并不意味着购买了版权,文档只能用于自身使用,不得用于其他商业用途(如 [转卖]进行直接盈利或[编辑后售卖]进行间接盈利)。
2、本站所有内容均由合作方或网友上传,本站不对文档的完整性、权威性及其观点立场正确性做任何保证或承诺!文档内容仅供研究参考,付费前请自行鉴别。
3、如文档内容存在违规,或者侵犯商业秘密、侵犯著作权等,请点击“违规举报”。

碎片内容

某工程给排水初步设计说明图样

您可能关注的文档

确认删除?
VIP
微信客服
  • 扫码咨询
会员Q群
  • 会员专属群点击这里加入QQ群
客服邮箱
回到顶部