电脑桌面
添加小米粒文库到电脑桌面
安装后可以在桌面快捷访问

某高速公路公司工程质量管理副经理岗岗位说明书VIP免费

某高速公路公司工程质量管理副经理岗岗位说明书_第1页
1/4
某高速公路公司工程质量管理副经理岗岗位说明书_第2页
2/4
某高速公路公司工程质量管理副经理岗岗位说明书_第3页
3/4
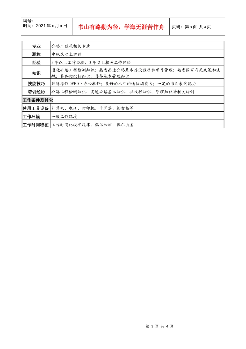
第1页共4页编号:时间:2021年x月x日书山有路勤为径,学海无涯苦作舟页码:第1页共4页某高速公路公司工程质量管理副经理岗岗位说明书岗位名称工程质量管理副经理岗位编号所在部门工程管理部岗位定员1人直接上级工程管理部经理工资等级直接下级工程质量管理岗,科研项目管理岗,档案管理岗薪酬类型所辖人员6人岗位分析日期200*年*月本职:在经理的领导下,负责组织建设项目工程质量管理工作、科研工作和档案管理工作职责与工作任务:职责一职责表述:协助经理制定本部门工作管理制度和年度工作计划工作任务协助经理制定及完善相关规定和制度协助经理制定本部门的年度工作计划参与制定并执行本部门的财务预算计划职责二职责表述:负责参与建设项目开工前的准备工作工作任务负责参与公司组织的项目法人投标工作负责参与编制高速公路建设项目的项目建议书以及项目的立项报批负责参与高速公路建设项目的预可行性研究、工程可行性研究及工程设计,并上报审批负责参与组建高速公路建设项目公司职责三职责表述:负责在建项目的工程质量管理工作工作任务负责参与监督、指导建设项目公司的招标投标工作负责组织建设项目公司开工报告的审核、报批工作负责组织建设项目进度计划的审核报批工作负责参与省交通厅组织的阶段性检查,掌握工程质量情况负责组织对建设项目的工程质量进行随机抽检,建立质量控制数据库负责组织对各建设项目的质量、进度、计划落实及施工现场管理等进行检查评比负责组织对高速公路建设项目合同进行审查,监督检查合同的执行落实情况负责参与在建项目设计变更的审核、论证和优化工作负责组织各项目公司项目管理经验的交流和信息的沟通职责四职责表述:负责参与建设项目的验收和后评价工作工作任务负责参与建设项目的交工验收负责参与建设项目的竣工验收第2页共4页第1页共4页编号:时间:2021年x月x日书山有路勤为径,学海无涯苦作舟页码:第2页共4页负责参与建设项目的后评价及上报审查工作职责五职责表述:负责组织公司的档案管理工作工作任务负责组织制定公司档案管理制度和规范负责组织公司档案管理的规范化工作负责指导检查所属单位的档案管理工作职责六职责表述:负责组织科研项目管理工作工作任务负责组织制定公司科研工作计划,参与制定科研工作年度预算负责组织落实本部门所承担的科研项目负责组织科研项目的申报评审工作负责组织公司科研专利的申请和知识产权保护工作,跟踪科研成果的转化利用情况职责七职责表述:协助经理负责部门内部管理工作工作任务指导直接下级制定工作计划,并督促实施负责制定分管工作内部工作流程,进行人员分配负责指导、检查、考核、评价直接下级的工作对直接下级进行相关培训职责八职责表述:其他日常工作工作任务协助经理完成本部门年、季、月度计划及总结协助经理协调本部门与其他部门的业务工作及信息沟通定期向直接上级汇报工作,接受检查和监督职责九职责表述:完成领导交办的其他工作权力:权限一:对项目公司的工程建设工作有监督检查权权限二:对有关招投标工作有监督检查权权限三:对有关合同文本有审查权权限四:对项目公司工程建设中存在的问题有命令整改权权限五:对项目公司有奖惩建议权权限六:对直接下级有考评权权限七:对所属下级的工作有监督、检查权权限八:对所属下级的工作争议有裁决权权限九:对所属下级有岗位调配权、任命的提名权和奖惩权任职资格:教育水平本科及以上学历第3页共4页第2页共4页编号:时间:2021年x月x日书山有路勤为径,学海无涯苦作舟页码:第3页共4页专业公路工程及相关专业职称中级及以上职称经验5年以上工作经验,3年以上相关工作经验知识通晓公路工程检测知识;熟悉高速公路基本建设程序和项目管理;熟悉国家有关政策和法规;具备招投标知识;具备基本管理知识技能技巧熟练操作OFFICE办公软件;良好的人际沟通协调能力;一定的书面表达能力培训经历公路工程检测知识、高速公路基本知识、招投标知识、管理知识等相关培训工作条件及其它使用工具设备计算机、电话、打印机、计算器、档案柜等工作环境一般工作环境工作时间特征工作时间比较有规律,偶尔加班,偶尔出差第4页共4页第3页共4页...

1、当您付费下载文档后,您只拥有了使用权限,并不意味着购买了版权,文档只能用于自身使用,不得用于其他商业用途(如 [转卖]进行直接盈利或[编辑后售卖]进行间接盈利)。
2、本站所有内容均由合作方或网友上传,本站不对文档的完整性、权威性及其观点立场正确性做任何保证或承诺!文档内容仅供研究参考,付费前请自行鉴别。
3、如文档内容存在违规,或者侵犯商业秘密、侵犯著作权等,请点击“违规举报”。

碎片内容

某高速公路公司工程质量管理副经理岗岗位说明书

确认删除?
VIP
微信客服
  • 扫码咨询
会员Q群
  • 会员专属群点击这里加入QQ群
客服邮箱
回到顶部