电脑桌面
添加小米粒文库到电脑桌面
安装后可以在桌面快捷访问

建筑安装材料、设备及配件产品进场验收记录湘质监统编VIP免费

建筑安装材料、设备及配件产品进场验收记录湘质监统编_第1页
1/55
建筑安装材料、设备及配件产品进场验收记录湘质监统编_第2页
2/55
建筑安装材料、设备及配件产品进场验收记录湘质监统编_第3页
3/55
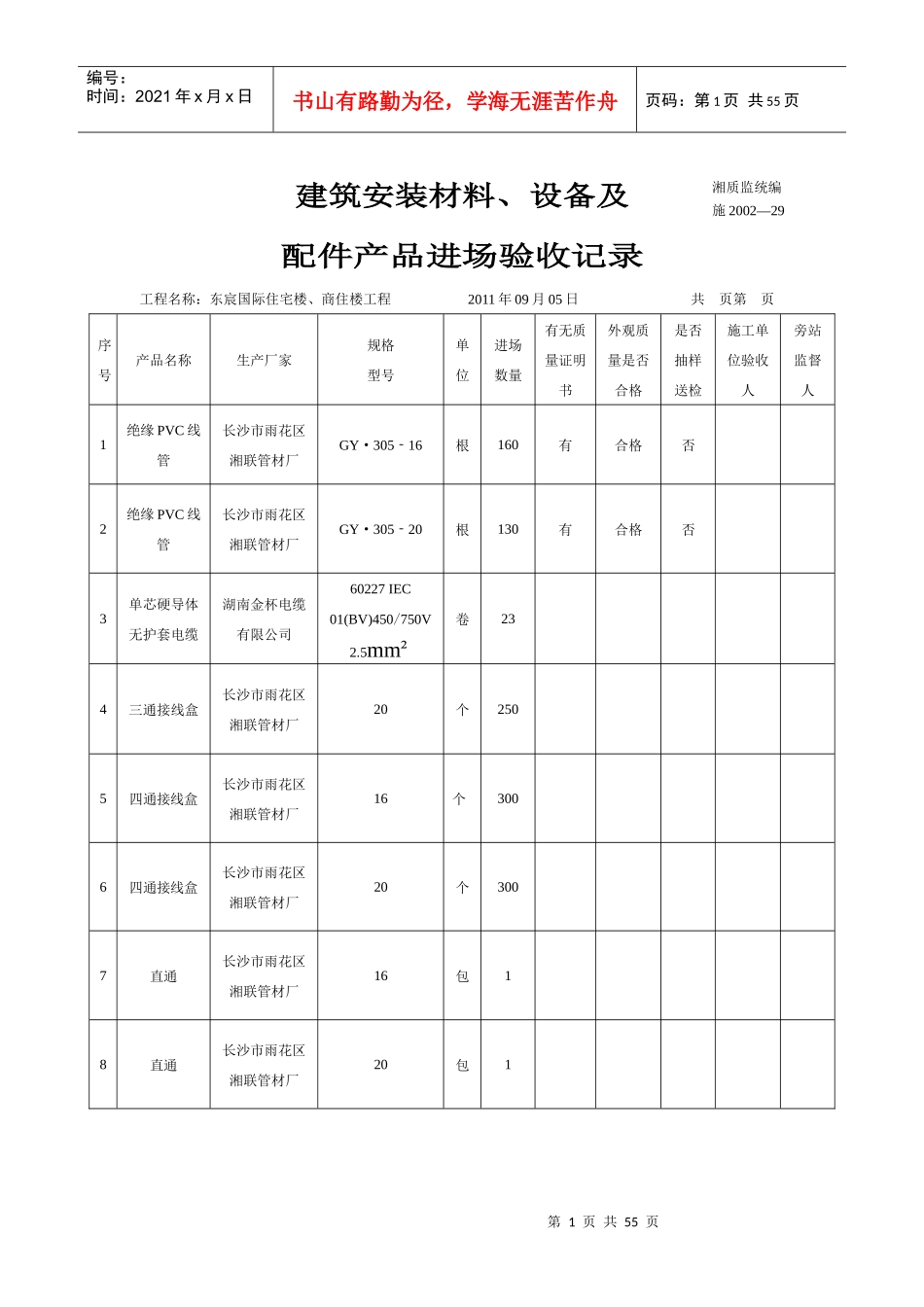
第1页共55页编号:时间:2021年x月x日书山有路勤为径,学海无涯苦作舟页码:第1页共55页建筑安装材料、设备及配件产品进场验收记录工程名称:东宸国际住宅楼、商住楼工程2011年09月05日共页第页序号产品名称生产厂家规格型号单位进场数量有无质量证明书外观质量是否合格是否抽样送检施工单位验收人旁站监督人1绝缘PVC线管长沙市雨花区湘联管材厂GY·305‐16根160有合格否2绝缘PVC线管长沙市雨花区湘联管材厂GY·305‐20根130有合格否3单芯硬导体无护套电缆湖南金杯电缆有限公司60227IEC01(BV)450/750V2.5mm²卷234三通接线盒长沙市雨花区湘联管材厂20个2505四通接线盒长沙市雨花区湘联管材厂16个3006四通接线盒长沙市雨花区湘联管材厂20个3007直通长沙市雨花区湘联管材厂16包18直通长沙市雨花区湘联管材厂20包1湘质监统编施2002—29第2页共55页第1页共55页编号:时间:2021年x月x日书山有路勤为径,学海无涯苦作舟页码:第2页共55页9弯头长沙市雨花区湘联管材厂16mm90°包1注:质量证明书系指该批产品出厂前的质量检验报告;外观质量系指国监理(建设)项目部(章)家标准规定该产品的外观质量;是否抽样送检是指国家规定,需进行物理年月日建筑安装材料、设备及配件产品进场验收记录工程名称:东宸国际住宅楼、商住楼工程2011年06月25日共页第页序号产品名称生产厂家规格型号单位进场数量有无质量证明书外观质量是否合格是否抽样送检施工单位验收人旁站监督人1弯头长沙市雨花区湘联管材厂20mm90°包12主卡龙骨38米2003主吊杆8mm米1204木方35*25米5饰面型防火涂料长沙华润涂料有限公司OMeSC‐01桶10有合格否湘质监统编施2002—29第3页共55页第2页共55页编号:时间:2021年x月x日书山有路勤为径,学海无涯苦作舟页码:第3页共55页注:质量证明书系指该批产品出厂前的质量检验报告;外观质量系指国监理(建设)项目部(章)家标准规定该产品的外观质量;是否抽样送检是指国家规定,需进行物理年月日建筑安装材料、设备及配件产品进场验收记录工程名称:东宸国际住宅楼、商住楼工程2011年07月04日共页第页序号产品名称生产厂家规格型号单位进场数量有无质量证明书外观质量是否合格是否抽样送检施工单位验收人旁站监督人1有合格否2湘质监统编施2002—29第4页共55页第3页共55页编号:时间:2021年x月x日书山有路勤为径,学海无涯苦作舟页码:第4页共55页注:质量证明书系指该批产品出厂前的质量检验报告;外观质量系指国监理(建设)项目部(章)家标准规定该产品的外观质量;是否抽样送检是指国家规定,需进行物理年月日建筑安装材料、设备及配件产品进场验收记录工程名称:东宸国际住宅楼、商住楼工程2011年04月20日共页第页序产品名称生产厂家规格单进场有无质外观质是否施工单旁站湘质监统编施2002—29第5页共55页第4页共55页编号:时间:2021年x月x日书山有路勤为径,学海无涯苦作舟页码:第5页共55页号型号位数量量证明书量是否合格抽样送检位验收人监督人1开关、插座广东朗能电器有限公司JC34K/210A250V个有合格否注:质量证明书系指该批产品出厂前的质量检验报告;外观质量系指国监理(建设)项目部(章)家标准规定该产品的外观质量;是否抽样送检是指国家规定,需进行物理年月日第6页共55页第5页共55页编号:时间:2021年x月x日书山有路勤为径,学海无涯苦作舟页码:第6页共55页建筑安装材料、设备及配件产品进场验收记录工程名称:绿洲花园8#栋及二期地下室2011年9月22日共页第页序号产品名称生产厂家规格型号单位进场数量有无质量证明书外观质量是否合格是否抽样送检施工单位验收人旁站监督人1一位暗开关佛山市顺德区思美电气制造有限公司NO1、10A、250V个有合格否2二、三极暗插座佛山市顺德区思美电气制造有限公司N30、10A、250V个有合格否湘质监统编施2002—29第7页共55页第6页共55页编号:时间:2021年x月x日书山有路勤为径,学海无涯苦作舟页码:第7页共55页注:质量证明书系指该批产品出厂前的质量检验报告;外观质量系指国监理(建设)项目部(章)家标准规定该产品的外观质量;是否抽样送检是指国家规定,需进行物理年月日建筑安装材料、设备及配件产品进场验收记录...

1、当您付费下载文档后,您只拥有了使用权限,并不意味着购买了版权,文档只能用于自身使用,不得用于其他商业用途(如 [转卖]进行直接盈利或[编辑后售卖]进行间接盈利)。
2、本站所有内容均由合作方或网友上传,本站不对文档的完整性、权威性及其观点立场正确性做任何保证或承诺!文档内容仅供研究参考,付费前请自行鉴别。
3、如文档内容存在违规,或者侵犯商业秘密、侵犯著作权等,请点击“违规举报”。

碎片内容

建筑安装材料、设备及配件产品进场验收记录湘质监统编

您可能关注的文档

确认删除?
VIP
微信客服
  • 扫码咨询
会员Q群
  • 会员专属群点击这里加入QQ群
客服邮箱
回到顶部