电脑桌面
添加小米粒文库到电脑桌面
安装后可以在桌面快捷访问

数控加工工艺与编程项目七教案VIP免费

数控加工工艺与编程项目七教案_第1页
1/13
数控加工工艺与编程项目七教案_第2页
2/13
数控加工工艺与编程项目七教案_第3页
3/13
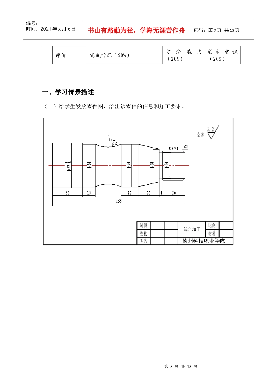
第1页共13页编号:时间:2021年x月x日书山有路勤为径,学海无涯苦作舟页码:第1页共13页学习情境七:综合轴的加工学习情境综合轴的加工参考学时教学内容1、能够在仿真平台上按图样要求完成工件的加工;2、能够合理拟订加工方案,较熟练的编制典型零件的加工程序。教学目标1、职业能力目标(1)具有与设计人员、工艺人员、操作人员沟通的能力;(2)具有读图、识图、分析零件图的能力;(3)具有零件工艺分析能力;(4)具有数控编程的能力;(5)具有查阅资料及相关应用手册的能力;(6)善于观察、思考、自主学习及创新能力。2、专业知识目标通过典型零件的程序编制,掌握数控车床的编程特点及原则。3、社会能力:(1)团队协作意识及方法;(2)语言表达能力。教学重点难点与解决方法1.教学重点工件的加工工艺分析2.教学难点(1)粗、精加工走刀路线合理安排;(2)充分利用每一把刀,尽量减少换刀次数;(2)加工方法的选择。3.解决方法(1)图形示例,零件加工仿真;(2)查阅专业书籍及相关设计手册;(3)咨询企业相关人员或教师;教学条件1.教室、多媒体;2.校内实训机房、数控加工仿真软件;3.生产性实习车间、数控车床。教学方法多媒体讲授理论知识;仿真软件练习掌握数控机床操作面板及基本指令加工;数控机床实际操作练习掌握基本能力。第2页共13页第1页共13页编号:时间:2021年x月x日书山有路勤为径,学海无涯苦作舟页码:第2页共13页学习情境七:综合轴的加工(详案)教学过程的实施步骤教学内容教学方法时间情景描述(咨询)1.给出零件图;2.给出零件的信息及加工要求;3.分析零件特点,指导学生自学内容。教师介绍;学生自学制定加工工艺(计划)1.工件的装夹与定位;2.加工路线的确定;3.切削用量的选择;4.刀具的选择;5.机床及数控系统的选择。学生自主确定加工方案编制零件加工程序(决策)1.学生根据制订的加工工艺编写加工程序;2.教师引导学生编制程序的可操作性学生自主确定加工方案数控仿真和实操加工(实施)1.数控系统面板的应用;2.零件数控仿真加工;3.零件实操加工。教师指导;学生操作检测加工零件(检查)1.零件的尺寸精度检测;2.零件加工质量评估;3.总结。教师点评任务扩展1.热处理工序的安排;2.辅助工序的安排;3.模态指令的含义;4.学习应用教师讲授课后自学第3页共13页第2页共13页编号:时间:2021年x月x日书山有路勤为径,学海无涯苦作舟页码:第3页共13页评价完成情况(60%)方法能力(20%)创新意识(20%)一、学习情景描述(一)给学生发放零件图,给出该零件的信息和加工要求。第4页共13页第3页共13页编号:时间:2021年x月x日书山有路勤为径,学海无涯苦作舟页码:第4页共13页图示零件毛坯尺寸为φ52mm的棒料,材料为45钢,无热处理和硬度要求,不切断。要求对零件进行数控加工工序卡的编制,并进行数控车削加工工艺分析,进行程序编制、加工。二、制订加工工艺1.零件图的工艺分析该零件表面由圆柱面、圆锥面、圆弧面及螺纹等表面组成。零件图纸尺寸标注完整,符合数控加工尺寸标注要求;轮廓描述清楚完整;零件材料为45钢,切削加工性能较好,无热处理和硬度要求。为便于装夹该零件,坯件左端应预先车出夹持部分,右端面也应先粗车并钻好中心孔。2.装夹与定位工件左端采用三爪自定心卡盘定心夹紧,右端采用活动顶尖支承的装夹方式。3.确定加工顺序及进给路线加工顺序按先粗后精、先近后远的原则确定,即先从右到左进行粗车(留0.25mm精车余量),然后从右到左进行精车,最后车削螺纹。可采用粗车复合循环指令和车螺纹循环功能,机床数控系统就会自动确定第5页共13页第4页共13页编号:时间:2021年x月x日书山有路勤为径,学海无涯苦作舟页码:第5页共13页其进给路线,因此,该零件的粗车循环和车螺纹循环不需要人为确定其进给路线(但精车的进给路线需要人为确定,沿零件表面轮廓从右到左描述)。4.选择刀具(1)选用φ5mm中心钻钻削中心孔;(2)粗车及平端面选用90°硬质合金车刀;(3)精车选用90°硬质合金车刀;(4)刀宽为4mm的切槽刀;(5)车螺纹选用硬质合金60°外螺纹车刀。刀具编号为T05中心钻、T01为外圆粗...

1、当您付费下载文档后,您只拥有了使用权限,并不意味着购买了版权,文档只能用于自身使用,不得用于其他商业用途(如 [转卖]进行直接盈利或[编辑后售卖]进行间接盈利)。
2、本站所有内容均由合作方或网友上传,本站不对文档的完整性、权威性及其观点立场正确性做任何保证或承诺!文档内容仅供研究参考,付费前请自行鉴别。
3、如文档内容存在违规,或者侵犯商业秘密、侵犯著作权等,请点击“违规举报”。

碎片内容

数控加工工艺与编程项目七教案

确认删除?
VIP
微信客服
  • 扫码咨询
会员Q群
  • 会员专属群点击这里加入QQ群
客服邮箱
回到顶部