电脑桌面
添加小米粒文库到电脑桌面
安装后可以在桌面快捷访问

厂房工程竣工预验收质量评估报告VIP专享VIP免费

厂房工程竣工预验收质量评估报告_第1页
1/10
厂房工程竣工预验收质量评估报告_第2页
2/10
厂房工程竣工预验收质量评估报告_第3页
3/10
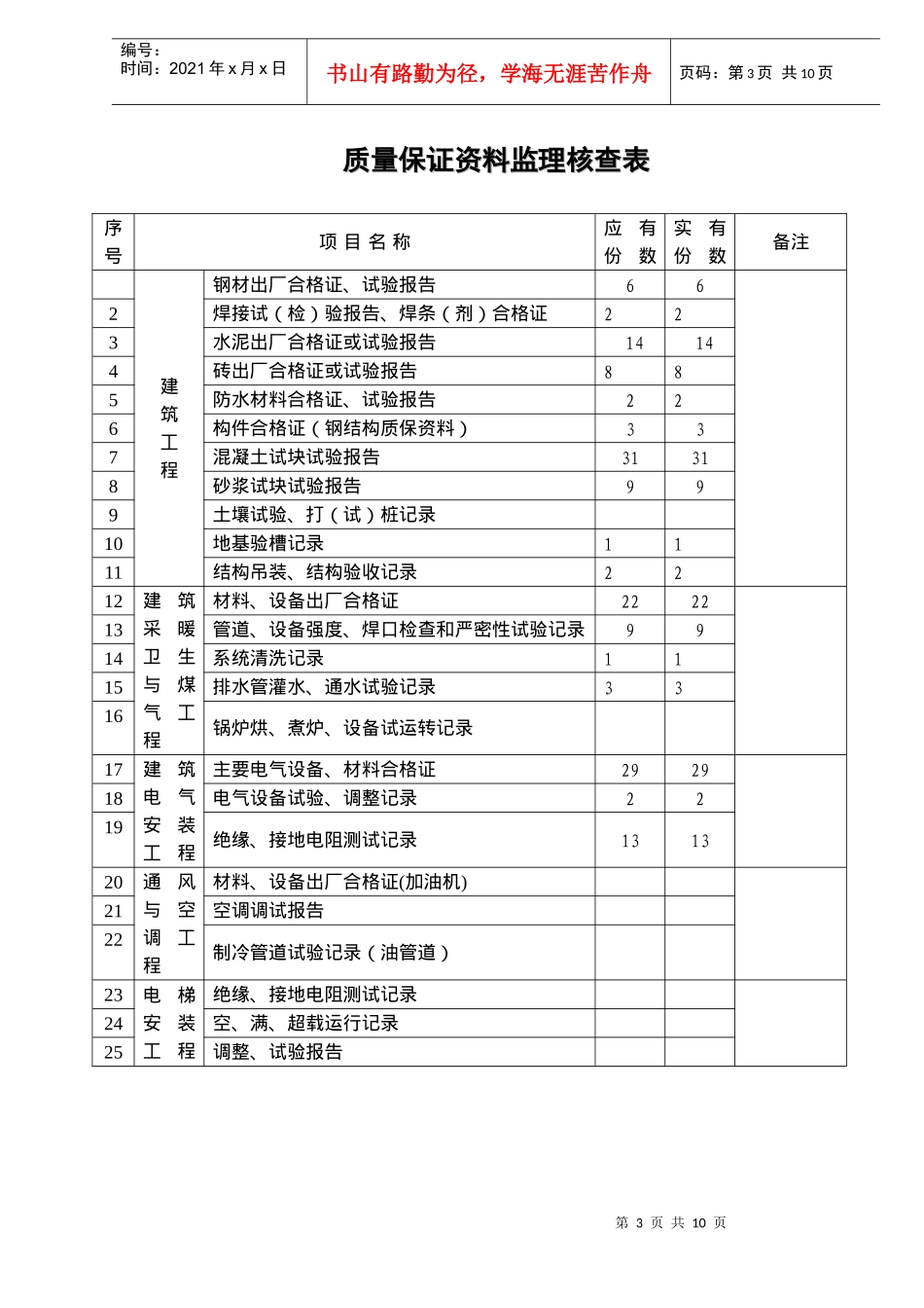
第1页共10页编号:时间:2021年x月x日书山有路勤为径,学海无涯苦作舟页码:第1页共10页B9B9有限公司厂房工程竣工预验收质量评估报告竣工预验收质量评估报告建设单位:设计单位:施工单位:建筑工程有限公司监理单位(章):总监理工程师:预验收日期:江苏省建设厅建设监理处监制第2页共10页第1页共10页编号:时间:2021年x月x日书山有路勤为径,学海无涯苦作舟页码:第2页共10页目录目录一、工程概况二、工程质量评估意见三、质量评估结论附一:质量保证资料核查记录表附二:分部和分项工程监理抽检情况汇总表附三:单位工程观感质量监理检查表附四:监理抽查/见证试验情况汇总及说明附五:竣工预验收遗留的整改问题及商定解决办法附六:竣工预验收小组成员名单及分工表江苏省建设厅建设监理处监制附一:附一:第3页共10页第2页共10页编号:时间:2021年x月x日书山有路勤为径,学海无涯苦作舟页码:第3页共10页质量保证资料监理核查表质量保证资料监理核查表序号项目名称应有份数实有份数备注建筑工程钢材出厂合格证、试验报告662焊接试(检)验报告、焊条(剂)合格证223水泥出厂合格证或试验报告14144砖出厂合格证或试验报告885防水材料合格证、试验报告226构件合格证(钢结构质保资料)337混凝土试块试验报告31318砂浆试块试验报告999土壤试验、打(试)桩记录10地基验槽记录1111结构吊装、结构验收记录2212建筑采暖卫生与煤气工程材料、设备出厂合格证222213管道、设备强度、焊口检查和严密性试验记录9914系统清洗记录1115排水管灌水、通水试验记录3316锅炉烘、煮炉、设备试运转记录17建筑电气安装工程主要电气设备、材料合格证292918电气设备试验、调整记录2219绝缘、接地电阻测试记录131320通风与空调工程材料、设备出厂合格证(加油机)21空调调试报告22制冷管道试验记录(油管道)23电梯安装工程绝缘、接地电阻测试记录24空、满、超载运行记录25调整、试验报告第4页共10页第3页共10页编号:时间:2021年x月x日书山有路勤为径,学海无涯苦作舟页码:第4页共10页核查结论资料基本齐全核查人:总监理工程师:日期:江苏省建设厅建设监理处监制附二:附二:分部和分项工程监理抽检情况汇总表分部和分项工程监理抽检情况汇总表分部工程名称检查分项工程项数一次报验通过项数一次报验通过率(%)合计抽查点数其中合格点数合格率%验收结论地基基础分部7710016815592.3合格主体分部551001440136594.8合格装饰分部121210079270388.7合格屋面分部55100585391.4合格建筑电气分部9910046443293.1合格建筑给排水分部6610025623391合格第5页共10页第4页共10页编号:时间:2021年x月x日书山有路勤为径,学海无涯苦作舟页码:第5页共10页合计填表人:总监理工程师:日期:江苏省建设厅建设监理处监制附三附三单位工程观感质量监理检查表单位工程观感质量监理检查表序号项目名称标准分等级得分情况说明1建筑工程室外墙面1038.02室外大角231.63外墙面横竖线角332.44散水、台阶、明沟231.65滴水槽(线)120.96变形缝、水落管231.67屋面坡向231.68屋面防水层332.49屋面细部332.410屋面保护层111室内顶棚4/5523.612室内墙面102913地面与楼面103814楼梯、踏步231.615厕浴、阳台泛水221.816抽气、垃圾道231.617细木、护栏2/418门安装433.219窗安装433.220玻璃221.6第6页共10页第5页共10页编号:时间:2021年x月x日书山有路勤为径,学海无涯苦作舟页码:第6页共10页21油漆4/633.222室内给排水管道坡度、接口、支架、管件332.423卫生器具、支架、阀门、配件332.424检查口、扫除口、地漏221.8序号项目名称标准分等级得分情况说明25室内采暖管道坡度、接口、支架、弯管326散热器及支架227伸缩器、膨胀水箱228室内煤气管道坡度、接口、支架229煤气管与其他管距离130煤气表、阀门131室内电气安装线路敷设221.832配电箱(盘、板)221.833照明器具221.834开关、插座221.835防雷、动力221.836通风空调风管、支架237风口、风阀、罩238风机1风管、支架2风口、风阀239空气处理室、机组140电梯运行、平层、开关门341层门、信号系统142机房1第7页共10页第6页...

1、当您付费下载文档后,您只拥有了使用权限,并不意味着购买了版权,文档只能用于自身使用,不得用于其他商业用途(如 [转卖]进行直接盈利或[编辑后售卖]进行间接盈利)。
2、本站所有内容均由合作方或网友上传,本站不对文档的完整性、权威性及其观点立场正确性做任何保证或承诺!文档内容仅供研究参考,付费前请自行鉴别。
3、如文档内容存在违规,或者侵犯商业秘密、侵犯著作权等,请点击“违规举报”。

碎片内容

厂房工程竣工预验收质量评估报告

确认删除?
VIP
微信客服
  • 扫码咨询
会员Q群
  • 会员专属群点击这里加入QQ群
客服邮箱
回到顶部