电脑桌面
添加小米粒文库到电脑桌面
安装后可以在桌面快捷访问

变电站扩建工程组织技术安全措施VIP免费

变电站扩建工程组织技术安全措施_第1页
1/28
变电站扩建工程组织技术安全措施_第2页
2/28
变电站扩建工程组织技术安全措施_第3页
3/28
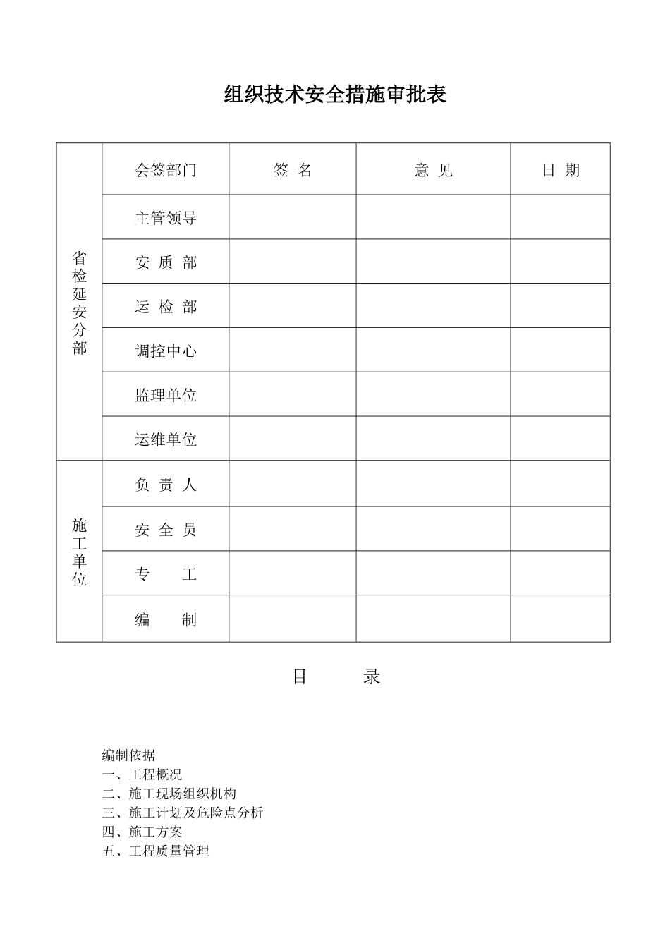
绥德330kV变电站扩建工程组织技术安全措施编制单位:榆林华源电力有限责任公司2017年8月3日绥德330kV变电站扩建工程组织技术安全措施审批表目录编制依据一、工程概况二、施工现场组织机构三、施工计划及危险点分析四、施工方案五、工程质量管理省检延安分部会签部门签名意见日期主管领导安质部运检部调控中心监理单位运维单位施工单位负责人安全员专工编制六、组织措施七、工程技术措施八、工程安全措施附:危险点分析编制依据:1、330kV绥德变电站扩建工程施工合同;2、《电力建设安全工作规程》(变电站部分)国家电网科(2011)1738号;3、《国家电网公司输变电工程施工现场安全通病及防冶措施》(2010版);4、《输变电工程建设标准强制性条文实施管理规程》(电网科(2009)642);5、《电气装置安装工程质量检验及评定规程》(DL/T5161.1~5161.17-2002);6、榆林华源电力设计咨询有限公司330kV绥德变电站扩建工程设计施工图纸;7、省电力检修公司等单位的的相关规定。1一、工程概况330kV绥德变电站扩建工程,该间隔于2014年12月完成了一次设备的安装、调试及验收,母线刀闸与母线已搭火,其该间隔一直未投入运行,根据相关要求现已超过时效需重新对一二次设备进行试验验收。本次工作内容为:1.1电气一次部分:1.1.1本间隔一次设备的常规试验。(SF6断路器1台;SF6电流互感器3台;电压互感器1台;隔离开关3组;避雷器3只)1.1.2自检消缺、配合验收。1.2电气二次部分:1.2.1110kV保护小室线路保护调试(含对调);1.2.2本间隔的点表信息核对。二、施工现场组织机构2.1施工现场组织机构及组织职责:本工程实行项目管理,由公司委派施工管理经验丰富的人员组织项目经理部,负责具体施工与管理,做好人力、物资、周转材料、机械设备等保证工作。项目经理:(1)认真贯彻执行上级和施工单位颁发的规章制度、技术规范、标准。组织编制符合变电所(换流站)工程实际的实施性文件和重大施工方案,并在施工过程中负责技术指导和把关。(2)组织对施工图及时预审,接受业主项目部组织的交底活动。对施工图纸和工程变更的有效性执行负责,在施工过程中发现施工图纸中存在问题,负责向监理项目部提出书面资料。(3)组织相关施工作业指导书、安全技术措施的编审工作,组织项目部安全、质量、技术及环保等专业交底工作。负责对承担的施工方案进行技术经济分析与评价。(4)组织编制设备、材料供货计划、大型机具配置计划、技术培训计划并督促实施。(5)组织本项目部全员的安全、质量、技术及环保等相关法律、法规及其他要求等的培训。(6)定期组织项目专业管理人员,检查或抽查工程安全和质量。当工程项目安全和质量存在问题或隐患时,提出技术解决和防范措施。(7)在项目经理的领导下,主持项目施工日常管理工作,负责落实业主、监理项目部对工程技术方面的有关要求。(8)负责及时组织项目部管理人员收集、整理及汇总施工过程资料,项目投产后组织移交竣工资料。(9)协助项目经理做好其他各项施工管理工作。(10)负责施工新工艺、新技术的研究、试验、应用及总结。技术负责人:(1)认真贯彻执行有关技术管理规定,积极协助项目经理或项目总工做好各项技术管理工作。(2)认真阅读有关设计文件和施工图纸,在施工过程中发现设计文件和施工图纸存在21问题及时向项目总工提出。施工过程中加强对设计文件等资料做到闭环管理。(3)编写和出版各工序施工作业指导书、安全技术措施等技术文件;并在施工过程中负责落实有关要求和技术指导。(4)在工程施工过程中随时进行检查和技术指导,当存在问题或隐患时,提出技术解决和防范措施。(5)负责组织施工队伍做好项目施工过程中的施工记录和签证。(6)不断提高自身的业务素质,并从技术方面指导和支持项目部各项管理工作。质量员:(1)积极协助项目经理全面负责项目实施过程中的质量控制和管理工作。(2)认真贯彻执行上级和公司颁发的规章制度、技术规范、质量标准,参与编制符合项目管理实际情况的质量实施细则和措施,并在施工过程中监督落实和业务指导。(3)组织项目部职工学习工程质量验收规范和产品质量标准。定期检查工程施工质...

1、当您付费下载文档后,您只拥有了使用权限,并不意味着购买了版权,文档只能用于自身使用,不得用于其他商业用途(如 [转卖]进行直接盈利或[编辑后售卖]进行间接盈利)。
2、本站所有内容均由合作方或网友上传,本站不对文档的完整性、权威性及其观点立场正确性做任何保证或承诺!文档内容仅供研究参考,付费前请自行鉴别。
3、如文档内容存在违规,或者侵犯商业秘密、侵犯著作权等,请点击“违规举报”。

碎片内容

变电站扩建工程组织技术安全措施

您可能关注的文档

确认删除?
VIP
微信客服
  • 扫码咨询
会员Q群
  • 会员专属群点击这里加入QQ群
客服邮箱
回到顶部