电脑桌面
添加小米粒文库到电脑桌面
安装后可以在桌面快捷访问

建筑装饰装修工程监理细则(doc 32页)VIP免费

建筑装饰装修工程监理细则(doc 32页)_第1页
1/31
建筑装饰装修工程监理细则(doc 32页)_第2页
2/31
建筑装饰装修工程监理细则(doc 32页)_第3页
3/31
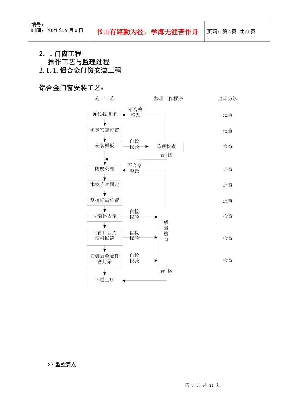
广州地铁十四号线一期新和站工程装修工程监理细则工程名称:新和站编制:季恩来审批:褚勇编制日期:2017年7月20日乌鲁木齐市铁路工程咨询监理有限公司一、适用范围本细则适用于广州地铁十号线一期新和站工程建筑装饰装修工程质量验收的监督管理。第2页共31页编号:时间:2021年x月x日书山有路勤为径,学海无涯苦作舟页码:第2页共31页二、编制依据1.国家有关工程建设的法律、法规、地方的法规、规章和有关的文件规定;2.建筑装饰装修工程质量验收规范GB50210-2001、《铝材幕墙工程技术规范》JGJ102-963.建设工程委托监理合同、建设工程施工合同;4.与专业工程相关的标准、设计文件和技术资料;5.经批准的监理规划和施工组织设计。三、细则内容1.准备阶段1)熟悉设计图纸及有关技术要求,根据施工质量验收规范的要求向施工单位进行交底,督促施工单位组织技术交底并形成交底纪录。2)建筑装饰装修工程所用材料应符合国家有关建筑装饰装修材料有害物质限量标准的规定。3)所有材料进场时应对品种、规格、外观和尺寸进行验收。材料包装应完好,应有产品合格证书、中文说明书及相关性能的检测报告;进口产品应按规定进行商品检验。施工单位质检员自检合格,填报《工程材料/构配件/设备报审表》,配合监理人员对运抵现场的材料进行检查,符合设计及施工规范要求的,签返《工程材料/构配件/设备报审表》同意进场。不符合设计及施工规范要求的,则要求施工单位清退不合格的材料,并记录在监理日记上。4)进场后需要进行复验的材料,属同一厂家生产的同一品种、同一类型的进场材料至少抽取一组样品进行复验,当合同另有约定时应按合同执行,监理人员按见证制度的要求监督取样送检。合格者,签返《工程材料/构配件/设备报审表》同意使用。不合格者,监理人员应在《工程材料/构配件/设备报审表》上签署不合格意见,监督施工单位将不合格材料完全撤出施工现场,并记录在监理日记上。5)施工单位应将承担建筑装饰装修材料检测单位相应的资质及其质量管理体系报送监理部门审查。有特殊要求的装饰装修工程,其施工人员应有相应的岗位资格证书。6)承担建筑装饰装修工程的施工单位应将其相应的资质及其质量管理体系报送监理部门审查。7)建筑装饰装修工程所使用的材料应按设计要求进行防火、防腐和防虫处理。8)管道、设备等的安装及调试应在建筑装饰装修工程施工前完成,当必须同步进行时,应在饰面层施工前完成。主体结构工程验收合格后,办理完交接手续才可进行装饰装修工程的施工。9)监理人员对监理过程中发现的不合格项目,应签发《监理工程师通知单》,要求施工单位及时整改。施工单位整改后填报《监理工程师通知回复单》,监理人员确认整改合格后签返《监理工程师通知回复单》。对需要存证且需向业主说明的事项以《监理备忘录》通报有关单位。2.施工阶段第3页共31页第2页共31页合格不合格整改自检报验合格不合格整改自检报验施工工艺监理工作程序监理方法弹线找规矩确定安装位置安装样板防腐处理木楔临时固定复核标高位置与墙体固定监理检查巡查巡查检查巡查巡查巡查门窗口四周填料嵌缝检查下道工序安装五金配件密封条检查检查自检报验自检报验质量检查编号:时间:2021年x月x日书山有路勤为径,学海无涯苦作舟页码:第3页共31页2.1门窗工程操作工艺与监理过程2.1.1.铝合金门窗安装工程铝合金门窗安装工艺:2)监控要点第4页共31页第3页共31页编号:时间:2021年x月x日书山有路勤为径,学海无涯苦作舟页码:第4页共31页工程项目监控要点规范标准对策措施检验方法备注金属门窗安装工程主控项目金属门窗的品种、类型、规格、尺寸、性能、开启方向、安装位置、连接方式及铝合金门窗的型材壁厚;金属门窗的防腐处理及填嵌、密封处理符合设计要求1、安装前,对金属门窗及其配件进行验收,按设计要求严格控制。2、在隐蔽验收过程中,重点控制预埋件的数量、位置、埋设方式、连接方式、防腐处理及填嵌、密封处理。3、推拉门窗扇必须有防脱落措施。4、外门窗的安装必须牢固。在砌体上安装门窗严禁用射钉固定。观察;尺量检查;检查产品合格证书、性能检测报告、进场验收记录和复验报告;检查隐蔽...

1、当您付费下载文档后,您只拥有了使用权限,并不意味着购买了版权,文档只能用于自身使用,不得用于其他商业用途(如 [转卖]进行直接盈利或[编辑后售卖]进行间接盈利)。
2、本站所有内容均由合作方或网友上传,本站不对文档的完整性、权威性及其观点立场正确性做任何保证或承诺!文档内容仅供研究参考,付费前请自行鉴别。
3、如文档内容存在违规,或者侵犯商业秘密、侵犯著作权等,请点击“违规举报”。

碎片内容

建筑装饰装修工程监理细则(doc 32页)

您可能关注的文档

确认删除?
VIP
微信客服
  • 扫码咨询
会员Q群
  • 会员专属群点击这里加入QQ群
客服邮箱
回到顶部