电脑桌面
添加小米粒文库到电脑桌面
安装后可以在桌面快捷访问

室内upvc排水管安装技术交底_secretVIP免费

室内upvc排水管安装技术交底_secret_第1页
1/8
室内upvc排水管安装技术交底_secret_第2页
2/8
室内upvc排水管安装技术交底_secret_第3页
3/8
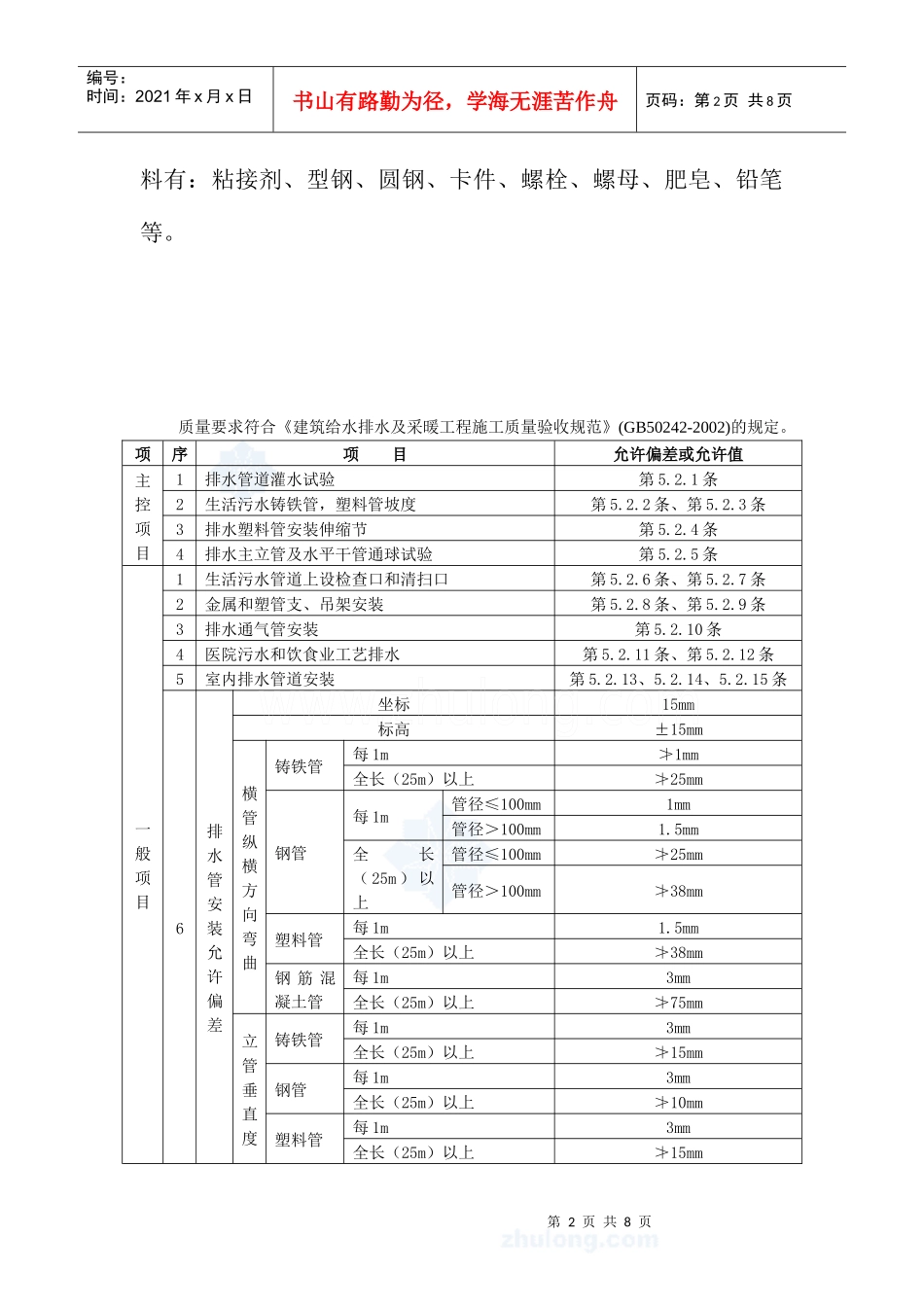
第1页共8页编号:时间:2021年x月x日书山有路勤为径,学海无涯苦作舟页码:第1页共8页室内排水技术交底1、UPVC埋设管道,应开挖沟槽,沟槽要平直,必须有坡度,沟底夯实。地下铸铁排水管道的铺设必须在基础达到或接近±O.OO标高,房心回填到管底或稍高的高度,房心内沿管线位置无堆积物,且管线穿过建筑基础处,己按设计要求预留管洞。暗装管道(包括设备层、竖井、吊顶内的管道)首先应核对各种管道的标高、坐标的排列有无矛盾。预留孔洞、预埋件巳完成。土建支模巳拆除,操作场地清理干净,安装高度超过3.5m应搭脚手,并做好安全防护。室内明装管道要与结构进度相隔二层的条件下进行安装。室内地平线应弹好,粗装修抹灰工程已完成。安装场地无障碍物。2、硬质聚氯乙烯(UPVC)管材、管件、支架、粘接剂应是管材厂家配套产品。管道规格尺寸应与卫生洁具连接适宜,并有产品质量合格证、相关检验报告及说明书。管材内外表层应光滑,无气泡、裂纹,管壁厚度均匀,色泽一致。直管段挠度不大于1%。管件造型应规矩、光滑,无毛刺。承口应有梢度,并与插口配套。码放时地面要平,如果上架应多设几个支点防止管子变形。冬季防止冻坏,夏季防止太阳晒。用到的其他材第2页共8页第1页共8页编号:时间:2021年x月x日书山有路勤为径,学海无涯苦作舟页码:第2页共8页料有:粘接剂、型钢、圆钢、卡件、螺栓、螺母、肥皂、铅笔等。质量要求符合《建筑给水排水及采暖工程施工质量验收规范》(GB50242-2002)的规定。项序项目允许偏差或允许值主控项目1排水管道灌水试验第5.2.1条2生活污水铸铁管,塑料管坡度第5.2.2条、第5.2.3条3排水塑料管安装伸缩节第5.2.4条4排水主立管及水平干管通球试验第5.2.5条一般项目1生活污水管道上设检查口和清扫口第5.2.6条、第5.2.7条2金属和塑管支、吊架安装第5.2.8条、第5.2.9条3排水通气管安装第5.2.10条4医院污水和饮食业工艺排水第5.2.11条、第5.2.12条5室内排水管道安装第5.2.13、5.2.14、5.2.15条6排水管安装允许偏差坐标15mm标高±15mm横管纵横方向弯曲铸铁管每1m≯1mm全长(25m)以上≯25mm钢管每1m管径≤100mm1mm管径>100mm1.5mm全长(25m)以上管径≤100mm≯25mm管径>100mm≯38mm塑料管每1m1.5mm全长(25m)以上≯38mm钢筋混凝土管每1m3mm全长(25m)以上≯75mm立管垂直度铸铁管每1m3mm全长(25m)以上≯15mm钢管每1m3mm全长(25m)以上≯10mm塑料管每1m3mm全长(25m)以上≯15mm第3页共8页第2页共8页编号:时间:2021年x月x日书山有路勤为径,学海无涯苦作舟页码:第3页共8页3、UPVC管预制加工。根据图纸要求并结合实际情况,按预留口位置测量尺寸,绘制加工草图。根据草图量好管道尺寸,进行断管。断口要平齐,用铣刀或刮刀除掉断口内外飞刺,外棱铣出15°角。粘接前应对承插口先插入试验,不得全部插入一般为承口的3/4深度。试插合格后,用棉布将承插口需粘接部分的水分、灰尘擦拭干净。如有油污需用丙酮除掉。用毛刷涂抹粘接剂,先涂抹承口后涂抹插口,随即用力垂直插入,插入粘接时将插口稍作转动,以利粘接剂分布均匀,约30s至lmin即可粘接牢固。牢固后立即将溢处的粘接剂擦拭干净。多口粘接时应注意预留口方向。粘接剂易挥发,使用后应随时封盖,冬季施工进行粘接时,凝固时间为2~3min。粘接场所应通风良好,远离明火。4、UPVC管道。采用托吊管安装时应按设计坐标、标高、坡向做好托、吊架。施工条件具备时,将预制加工的管段,按编号运至安装部位进行安装。各管段粘接时也必须按粘接工艺依次进行。全部粘连后,管道要直,坡度均匀,各预留口位置准确。干管安装完成后应作闭水试验,出口应用充气橡胶堵封闭,达到不渗漏,5min内水位不下降为合格。托吊管粘牢后在按流水方向找坡度。最后将预留口封严和堵洞。地下埋设管道,第4页共8页第3页共8页编号:时间:2021年x月x日书山有路勤为径,学海无涯苦作舟页码:第4页共8页根据图纸要求的坐标、标高,预留槽洞或预埋套管,而后开挖沟槽并夯实,回填时应先用细砂回填至管上皮100mm,回填土过筛,夯实时勿碰损管道。5、UPVC管道。安装前清理场地,根据需要支撑操作平台。将已预制好的立管运到安装部位。安...

1、当您付费下载文档后,您只拥有了使用权限,并不意味着购买了版权,文档只能用于自身使用,不得用于其他商业用途(如 [转卖]进行直接盈利或[编辑后售卖]进行间接盈利)。
2、本站所有内容均由合作方或网友上传,本站不对文档的完整性、权威性及其观点立场正确性做任何保证或承诺!文档内容仅供研究参考,付费前请自行鉴别。
3、如文档内容存在违规,或者侵犯商业秘密、侵犯著作权等,请点击“违规举报”。

碎片内容

室内upvc排水管安装技术交底_secret

您可能关注的文档

确认删除?
VIP
微信客服
  • 扫码咨询
会员Q群
  • 会员专属群点击这里加入QQ群
客服邮箱
回到顶部