电脑桌面
添加小米粒文库到电脑桌面
安装后可以在桌面快捷访问

施工安全和文明施工前提条件检查表VIP免费

施工安全和文明施工前提条件检查表_第1页
1/4
施工安全和文明施工前提条件检查表_第2页
2/4
施工安全和文明施工前提条件检查表_第3页
3/4
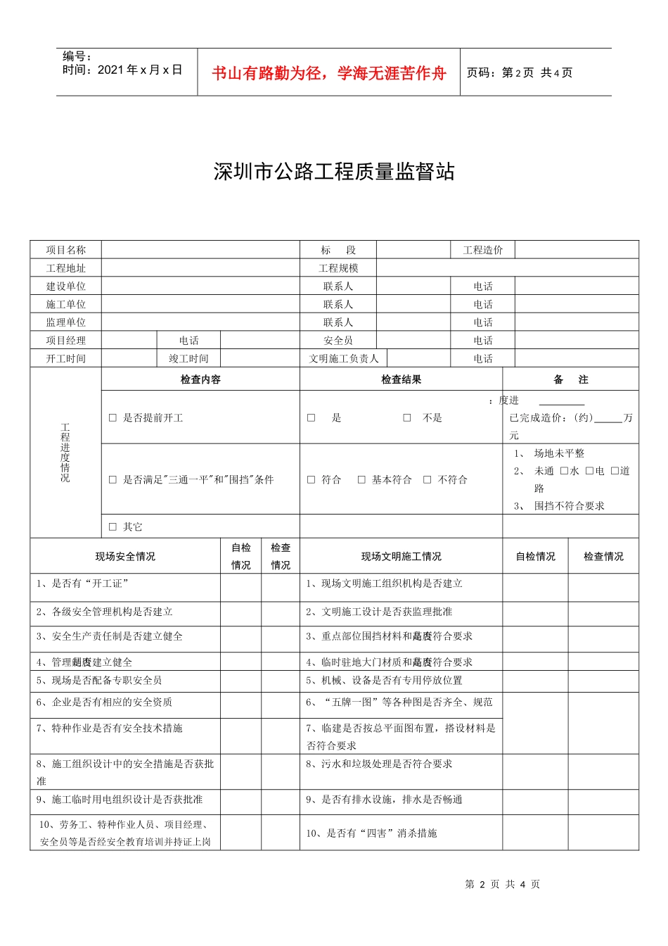
第1页共4页编号:时间:2021年x月x日书山有路勤为径,学海无涯苦作舟页码:第1页共4页施工安全和文明施工前提条件检查表工程项目:施工单位:监理单位:第2页共4页第1页共4页编号:时间:2021年x月x日书山有路勤为径,学海无涯苦作舟页码:第2页共4页深圳市公路工程质量监督站项目名称标段工程造价工程地址工程规模建设单位联系人电话施工单位联系人电话监理单位联系人电话项目经理电话安全员电话开工时间竣工时间文明施工负责人电话工程进度情况检查内容检查结果备注□是否提前开工□是□不是进度:已完成造价:(约)万元□是否满足"三通一平"和"围挡"条件□符合□基本符合□不符合1、场地未平整2、未通□水□电□道路3、围挡不符合要求□其它现场安全情况自检情况检查情况现场文明施工情况自检情况检查情况1、是否有“开工证”1、现场文明施工组织机构是否建立2、各级安全管理机构是否建立2、文明施工设计是否获监理批准3、安全生产责任制是否建立健全3、重点部位围挡材料和高度是否符合要求4、管理制度是否建立健全4、临时驻地大门材质和高度是否符合要求5、现场是否配备专职安全员5、机械、设备是否有专用停放位置6、企业是否有相应的安全资质6、“五牌一图”等各种图是否齐全、规范7、特种作业是否有安全技术措施7、临建是否按总平面图布置,搭设材料是否符合要求8、施工组织设计中的安全措施是否获批准8、污水和垃圾处理是否符合要求9、施工临时用电组织设计是否获批准9、是否有排水设施,排水是否畅通10、劳务工、特种作业人员、项目经理、安全员等是否经安全教育培训并持证上岗10、是否有“四害”消杀措施第3页共4页第2页共4页编号:时间:2021年x月x日书山有路勤为径,学海无涯苦作舟页码:第3页共4页11、危险作业是否经专项安全认证11、施工作业区与生活区是否严格分开12、对地下管线和相邻建构筑物是否有安全保护措施12、食堂、卫生间、淋浴间等是否符合要求13、防护用品和设施是否有准用证13、消防器材、措施是否健全14、是否签订安全生产合同14、粉尘、噪音是否有控制措施15、安全生产教育培训制度是否建立15、治安管理制度是否建立健全16、是否建立安全生产规章制度和操作规程16、卫生管理制度是否建立健全备注五牌一图:工程概况牌、管理人员名单及监督电话牌、消防保卫牌、安全生产牌、文明施工牌和施工现场平面图人员情况特种作业工种人数固定工临时工持证人数发证机关备注机械情况主要施工名称型号规格数量使用时间生产厂家合格证备注情况分包工程施工单位分包项目造价(万元)负责人电话自检意见施工单位安全员(签字):年月日项目负责人(签字):年月日(公章)第4页共4页第3页共4页编号:时间:2021年x月x日书山有路勤为径,学海无涯苦作舟页码:第4页共4页检查意见监理单位驻地监理(签字):年月日项目总监(签字):年月日(公章)注:1、以上表格一式四份,建设单位、施工单位、监理单位、监督单位各存一份;2、施工单位在开工前填写本表;填表时,应确保书写清楚、内容真实,并加盖单位公章;3、施工单位自检合格后,由监理单位进行检查,对于不合格项目监理单位有权要求施工单位进行整改,全部检查项目合格后由监理单位签署检查意见,并加盖单位公章;4、自检和检查通过后,施工单位须及时将此表格(原件)报送至市公路质监站备案;5、市公路质监站将对各公路工程项目进行不定期抽查,对于未通过此项检查而擅自开工的,将对有关单位、责任人按有关规定予以处罚;对于虚报资料、检查内容严重失实的,将视具体情况对有关责任人进行通报批评直至清退出场。

1、当您付费下载文档后,您只拥有了使用权限,并不意味着购买了版权,文档只能用于自身使用,不得用于其他商业用途(如 [转卖]进行直接盈利或[编辑后售卖]进行间接盈利)。
2、本站所有内容均由合作方或网友上传,本站不对文档的完整性、权威性及其观点立场正确性做任何保证或承诺!文档内容仅供研究参考,付费前请自行鉴别。
3、如文档内容存在违规,或者侵犯商业秘密、侵犯著作权等,请点击“违规举报”。

碎片内容

施工安全和文明施工前提条件检查表

您可能关注的文档

确认删除?
VIP
微信客服
  • 扫码咨询
会员Q群
  • 会员专属群点击这里加入QQ群
客服邮箱
回到顶部