电脑桌面
添加小米粒文库到电脑桌面
安装后可以在桌面快捷访问

找平层工程检验批质量验收记录表VIP免费

找平层工程检验批质量验收记录表_第1页
1/2
找平层工程检验批质量验收记录表_第2页
2/2
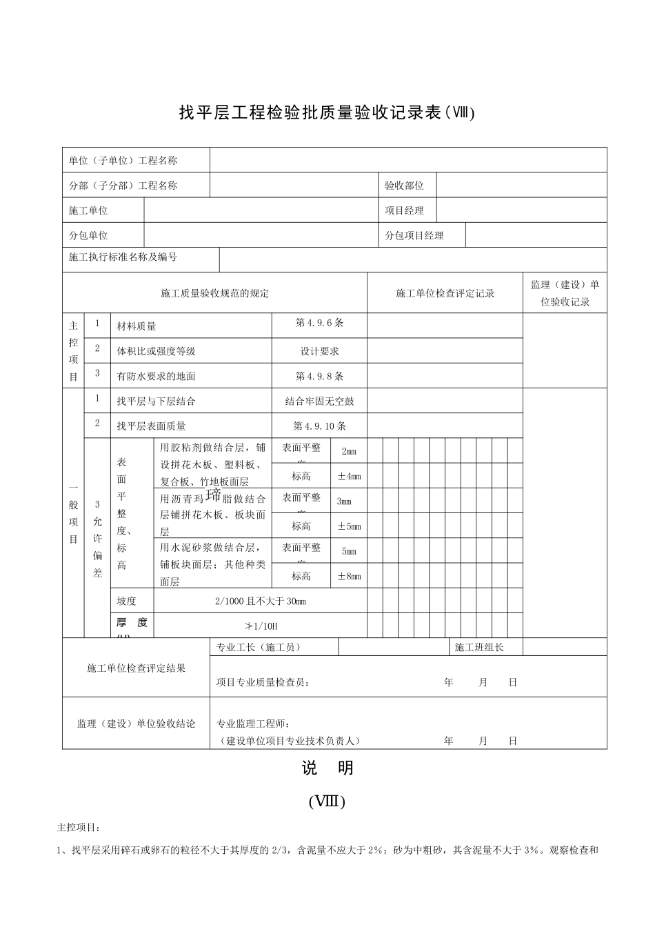
找平层工程检验批质量验收记录表(Ⅷ)单位(子单位)工程名称分部(子分部)工程名称验收部位施工单位项目经理分包单位分包项目经理施工执行标准名称及编号施工质量验收规范的规定施工单位检查评定记录监理(建设)单位验收记录主控项目1材料质量第4.9.6条2体积比或强度等级设计要求3有防水要求的地面第4.9.8条一般项目1找平层与下层结合结合牢固无空鼓2找平层表面质量第4.9.10条3允许偏差表面平整度、标高用胶粘剂做结合层,铺设拼花木板、塑料板、复合板、竹地板面层表面平整度2mm标高±4mm用沥青玛脂做结合层铺拼花木板、板块面层表面平整度3mm标高±5mm用水泥砂浆做结合层,铺板块面层;其他种类面层表面平整度5mm标高±8mm坡度2/1000且不大于30mm厚度(H)≯1/10H施工单位检查评定结果专业工长(施工员)施工班组长项目专业质量检查员:年月日监理(建设)单位验收结论专业监理工程师:(建设单位项目专业技术负责人)年月日说明()Ⅷ主控项目:1、找平层采用碎石或卵石的粒径不大于其厚度的2/3,含泥量不应大于2%;砂为中粗砂,其含泥量不大于3%。观察检查和检查材质合格证明文件及检测报告。2、水泥砂浆体积比或水泥混凝土强度等级,符合设计要求。水泥混凝土强度等级不应小于C15。观察检查和检查配合比单及检测报告。3、有防水要求地面的立管、套管、地漏处严禁渗漏,坡向应正确、无积水。观察检查和蓄水、泼水检验及坡度尺检查。一般项目:1、找平层与其下一层结合牢固,不得有空鼓。用小锤轻击检查。2、表面应密实,不得有起砂、蜂窝和裂缝等缺陷。观察检查。3、表面允许偏差,应按本规范表4.1.5中的检验方法检验。

1、当您付费下载文档后,您只拥有了使用权限,并不意味着购买了版权,文档只能用于自身使用,不得用于其他商业用途(如 [转卖]进行直接盈利或[编辑后售卖]进行间接盈利)。
2、本站所有内容均由合作方或网友上传,本站不对文档的完整性、权威性及其观点立场正确性做任何保证或承诺!文档内容仅供研究参考,付费前请自行鉴别。
3、如文档内容存在违规,或者侵犯商业秘密、侵犯著作权等,请点击“违规举报”。

碎片内容

找平层工程检验批质量验收记录表

您可能关注的文档

书海行舟+ 关注
实名认证
内容提供者

热爱教学事业,对互联网知识分享很感兴趣

确认删除?
VIP
微信客服
  • 扫码咨询
会员Q群
  • 会员专属群点击这里加入QQ群
客服邮箱
回到顶部