电脑桌面
添加小米粒文库到电脑桌面
安装后可以在桌面快捷访问

建筑工程创杯施工质量评分样张VIP免费

建筑工程创杯施工质量评分样张_第1页
1/24
建筑工程创杯施工质量评分样张_第2页
2/24
建筑工程创杯施工质量评分样张_第3页
3/24
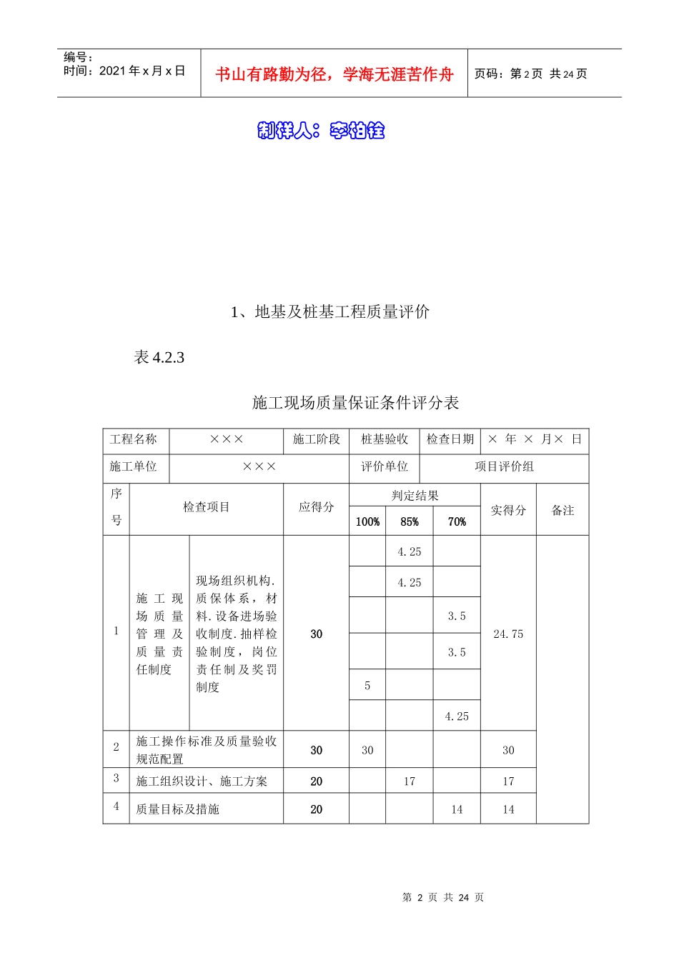
第1页共24页编号:时间:2021年x月x日书山有路勤为径,学海无涯苦作舟页码:第1页共24页建筑工程施工质量评定标准GB/T50375-2006综合评分样张第2页共24页第1页共24页编号:时间:2021年x月x日书山有路勤为径,学海无涯苦作舟页码:第2页共24页制样人:李柏铨1、地基及桩基工程质量评价表4.2.3施工现场质量保证条件评分表工程名称×××施工阶段桩基验收检查日期×年×月×日施工单位×××评价单位项目评价组序号检查项目应得分判定结果实得分备注100%85%70%1施工现场质量管理及质量责任制度现场组织机构.质保体系,材料.设备进场验收制度.抽样检验制度,岗位责任制及奖罚制度304.2524.754.253.53.554.252施工操作标准及质量验收规范配置3030303施工组织设计、施工方案2017174质量目标及措施201414第3页共24页第2页共24页编号:时间:2021年x月x日书山有路勤为径,学海无涯苦作舟页码:第3页共24页检查结果权重值10分应得分合计:100实得分合计:85.75施工现场质量保证条件评分=实得分/应得分×10=85.75/100×10=8.575评价人员:***、***、***、***、***200*年*月**日表5.1.3地基及桩基工程性能检测评分表工程名称×××施工阶段桩基验收检查日期×年×月×日施工单位×××评价单位项目评价组序号检查项目应得分判定结果实得分备注100%85%70%1地基地基强度、压实系数、注浆体强度50地基承载力502复合地基桩体强度、桩体干密度(50)复合地基承载力(50)第4页共24页第3页共24页编号:时间:2021年x月x日书山有路勤为径,学海无涯苦作舟页码:第4页共24页3桩基单桩竖向抗压承载力(50)√92.5桩身完整性(50)√检查结果权重值35分应得分合计:100分实得分合计:92.5分地基及桩基工程性能检测评分=实得分/应得分×35=92.5/100×35=32.375评价人员:***、***、***、***2008年3月10日表5.2.3地基及桩基工程质量记录评分表工程名称×××施工阶段桩基验收检查日期×年×月×日施工单位×××评价单位项目评价组序号检查项目应得分判定结果实得分备注100%85%70%1材料、预制桩合格证(出厂试验报告)及进场验收记录材料合格证(出厂试验报告)及进场验收记录及钢筋、水泥复试报告3021预制桩合格证(出厂试验报告)及进场验收报告(30)√第5页共24页第4页共24页编号:时间:2021年x月x日书山有路勤为径,学海无涯苦作舟页码:第5页共24页2施工记录地基处理、验槽、钎探施工记录307+17+8.5预制桩接头施工记录(10)√打(压)桩试桩记录及施工记录(20)√灌注桩成孔、钢筋笼、混凝土灌注检查记录及施工记录(30)检验批、分项、分部(子分部)工程质量验收记录10√检查结果权重值10分应得分合计:100实得分合计:83.5地基及桩基工程质量记录评分=实得分/应得分×35=83.5/100×35=29.225评价人员:***、***、***、***2008年3月10日表5.3.3地基及桩基工程尺寸偏差及限实测评分表工程名称×××施工阶段桩基验收检查日期×年×月×日第6页共24页第5页共24页编号:时间:2021年x月x日书山有路勤为径,学海无涯苦作舟页码:第6页共24页施工单位×××评价单位项目评价组序号检查项目应得分判定结果实得分备注100%85%70%1天然地基标高及基槽宽度偏差1002复合地基桩位偏差(100)3打(压)桩桩位偏差(100)√704灌注桩桩位偏差(100)检查结果权重值15分应得分合计:100实得分合计:70地基及桩基工程尺寸偏差及限实测评分=实得分/应得分×15=70/100×15=10.5评价人员:***、***、***、***200*年*月**日表5.4.3地基及桩基工程观感质量评分表第7页共24页第6页共24页编号:时间:2021年x月x日书山有路勤为径,学海无涯苦作舟页码:第7页共24页工程名称╳╳╳施工阶段桩基验收检查日期×年×月×日施工单位×××评价单位项目评价组序号检查项目应得分判定结果实得分备注100%85%70%1地基、复合地基标高、表面平整、边坡1002桩基桩头、桩顶标高、场地平整(100)√70检查结果权重值5分应得分合计:100实得分合计:70地基及桩基工程观感质量评分=实得分/应得分×5=70/100×5=3.5评价人员:***、***、***、***200*年*月**日表10.3.1地基及桩基工程质量各项目评价得分汇总表第8页共24页第7页共24页编号:时间:2021年x月x日书山有路勤为径,...

1、当您付费下载文档后,您只拥有了使用权限,并不意味着购买了版权,文档只能用于自身使用,不得用于其他商业用途(如 [转卖]进行直接盈利或[编辑后售卖]进行间接盈利)。
2、本站所有内容均由合作方或网友上传,本站不对文档的完整性、权威性及其观点立场正确性做任何保证或承诺!文档内容仅供研究参考,付费前请自行鉴别。
3、如文档内容存在违规,或者侵犯商业秘密、侵犯著作权等,请点击“违规举报”。

碎片内容

建筑工程创杯施工质量评分样张

精品中小学文档+ 关注
实名认证
内容提供者

精品资料,值得下载

确认删除?
VIP
微信客服
  • 扫码咨询
会员Q群
  • 会员专属群点击这里加入QQ群
客服邮箱
回到顶部