电脑桌面
添加小米粒文库到电脑桌面
安装后可以在桌面快捷访问

小机组电气运行规程VIP免费

小机组电气运行规程_第1页
1/39
小机组电气运行规程_第2页
2/39
小机组电气运行规程_第3页
3/39
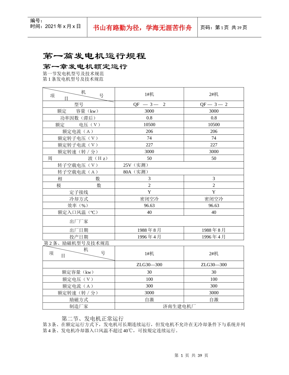
第1页共39页机号项目机号项目编号:时间:2021年x月x日书山有路勤为径,学海无涯苦作舟页码:第1页共39页第一篇发电机运行规程第一章发电机额定运行第一节发电机型号及技术规范第1条发电机型号及技术规范1#机2#机型号QF—3—2QF—3—2额定容量(kw)30003000功率因数(滞后)0.80.8额定电压(V)1050010500额定电流(A)206206额定转子电压(V)7474额定转子电流(V)227227额定转速(转/分)30003000周波(Hz)5050转子空载电压(V)25V(实测)转子空载电流(A)80A(实测)相数33极数22定子接线YY冷却方式密闭空冷密闭空冷效率(%)96.6396.63额定入口风温(ºC)4040出厂厂家出厂日期1988年8月1988年8月投产日期1996年4月1996年4月第2条、励磁机型号及技术规范1#机2#机ZLG30—300ZLG30—300额定容量(kw)3030额定电压(V)100100额定电流(A)300300额定转速(转/分)30003000励磁方式自激自激制造厂家济南生建电机厂第二节、发电机正常运行第3条、在额定运行方式下,发电机可长期连续运行,但发电机不允许在无冷却条件下与系统并列第4条、发电机冷却器入口风温不超过40℃,可按規定连续运行。第2页共39页第1页共39页编号:时间:2021年x月x日书山有路勤为径,学海无涯苦作舟页码:第2页共39页发电机部件测量方法冷却器入口风温40ºC30ºC25ºC允许温升(ºC)定子绕组电阻温度计法65ºC75ºC80ºC转子绕组电阻法90ºC100ºC105ºC定子铁芯电阻温度计法65ºC75ºC80ºC轴承油温度温度计65ºC第5条、定子线圈及铁芯温度不得超过105℃转子线圈温度不超过130℃(其温度升可根据入口风温而定)。当发电机不带负荷时,定子线圈,铁芯温度最佳保持在60℃—80℃。第三节、发电机空气冷却器温度变化时的运行第6条、发电机在一般情况下,入口风温在25℃—30℃,出口风温在35℃—40℃第7条、发电机空气冷却器入口风温最低不得低于20℃,以铜网不凝结露珠为限。发电机空气冷却器入口风温最高不允许超过55℃。出口风温最高不允许超过70℃。第四节、发电机的电压·周波·力率变化时的运行第8条、发电机的定子电压允许最高至额定电压的110%的情况下连续运行。但不得超过此值(11500V)。此时定子电流应以转子电流不超过额定值为准。发电机的最低电压根据稳定运行的要求来确定,但一般不低于额定值的90%(9450V)。当发电机的电压低于额定值的95%(9975V)以下时,定子电流长期允许值不得超过额定值的105%(216·3A).第9条、发电机的功率因数(力率),一般不应超过迟相0.95,无功不低于有功负荷的1分之3。第10条、发电机三相不平衡电流,其差值不的超过额定电流的10%,但任一相不得超过额定值。第二章、发电机正常起机、停机操作监护与维护第一节、发电机启动前的准备第11条、接到起机命令后,发电机本体及附属设备的工作票应全部办理结束,拆除接地线、短路线、临时遮拦、标示牌,检查检修现场清洁无遗留物。由班长指定操作人和监护人,由操作人填写操作票后,交给班长、值长审批签字。并准备好操作工具。第12条、发电机启动前的检查:第13条、对发电机、励磁机及附属设备进行全面检查。⑴整流子、滑环应清洁无油污、无锈蚀、电刷齐全完好、压力均匀、串动自如、无卡涩,接线紧固可靠,刷架与整流子及滑环间平行距离为2—4mm。⑵本体各部分完整,端盖及安全罩应齐全,窥视孔玻璃无损坏,密封好。⑶灭火装置应完备、正常。⑷空冷室内应清洁无杂物、无漏水、渗水,门应密封良好。⑸测温装置应完好⑹发电机小间灭磁屏应清洁完好,接线牢固无松动。⑺电流、电压互感器应完好、清洁、无裂痕,—、二次接线牢固,接地线完好牢固。⑻中性点避雷器及高压瓷瓶应清洁完好,无破损,连接紧固。⑼油开关油位、油色正常,清洁、无渗油,小车开关操作机构灵活好用,各部接线牢固。⑽磁场变阻器接线良好,清洁、滑动灵活。⑾发电机的控制仪表、继电器均应完整良好,保护及自动装置压板应正确,接线牢固。⑿发电机轴承绝缘垫四周应清洁,没有金属物短路。第14条、测发电机定子、转子、励磁回路及轴承垫绝缘电阻:第3页共39页第2页共39页编号:时间:2021年x月x日书山有路勤为径,学海无涯苦作舟...

1、当您付费下载文档后,您只拥有了使用权限,并不意味着购买了版权,文档只能用于自身使用,不得用于其他商业用途(如 [转卖]进行直接盈利或[编辑后售卖]进行间接盈利)。
2、本站所有内容均由合作方或网友上传,本站不对文档的完整性、权威性及其观点立场正确性做任何保证或承诺!文档内容仅供研究参考,付费前请自行鉴别。
3、如文档内容存在违规,或者侵犯商业秘密、侵犯著作权等,请点击“违规举报”。

碎片内容

小机组电气运行规程

您可能关注的文档

确认删除?
VIP
微信客服
  • 扫码咨询
会员Q群
  • 会员专属群点击这里加入QQ群
客服邮箱
回到顶部