电脑桌面
添加小米粒文库到电脑桌面
安装后可以在桌面快捷访问

建筑内部装修设计防火审核申报表(电子版本)VIP专享VIP免费

建筑内部装修设计防火审核申报表(电子版本)_第1页
1/15
建筑内部装修设计防火审核申报表(电子版本)_第2页
2/15
建筑内部装修设计防火审核申报表(电子版本)_第3页
3/15
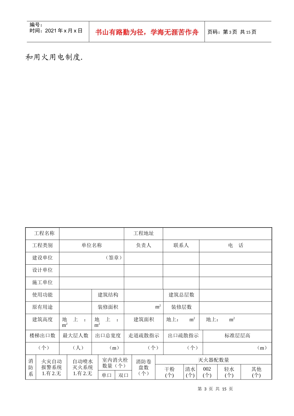
第1页共15页编号:时间:2021年x月x日书山有路勤为径,学海无涯苦作舟页码:第1页共15页建筑内部装修设计防火审核申报表申报单位(章):申报日期:北京市公安局消防局制第2页共15页第1页共15页编号:时间:2021年x月x日书山有路勤为径,学海无涯苦作舟页码:第2页共15页申报所需材料1、《北京市建筑装修改造工程消防审核审报表》一式两份,并按要求加盖公章2、装修改造方案(主要内容应包括工程概况、施工中所使用的材料等)装修改造所在层面的原始平面图(标出装修部位);改变或新增的消防设计方案及图纸(属于国外和委托国外设计的图纸应有相应的中文说明),所送图纸必须是具有设计资质的单位设计,并应加盖本年度报审专用章。3、建设单位、产权单位或物业管理单位与装修改造的施工单位签订的消防安全协议书,施工单位的施工组织设计方案和消防安全保卫措施第3页共15页第2页共15页编号:时间:2021年x月x日书山有路勤为径,学海无涯苦作舟页码:第3页共15页和用火用电制度.工程名称工程地址工程类别单位名称负责人联系人电话建设单位(签章)设计单位施工单位使用功能建筑结构建筑总层数原有用途装修面积m2装修层数建筑高度地上:m2地上:m2建筑面积地上:m2地上:m2楼梯出口数最大层人数出口总宽度走道疏散指示出口疏散指示标准层层高(个)(人)(m)(个)(个)(m)消防系火灾自动报警系统1.有2.无自动喷水灭火系统1.有2.无室内消火栓数量(个)消防卷盘数(个)灭火器配数量干粉(个)清水(个)002(个)轻水(个)其他(个)单口双口第4页共15页第3页共15页编号:时间:2021年x月x日书山有路勤为径,学海无涯苦作舟页码:第4页共15页统排烟系统部位系统方式开窗面积比例开窗/房间机械排烟量m3/h通风空调系统走道风管材料房间保温材料系统方式:1.自然排烟2.机械排烟3.通风兼排烟防火阀数(个)装修分类装修部位材料名称数量(m2)燃烧性能等级顶棚装修材料装修分类装修部位材料名称数量(m2)燃烧性能等级墙面装修材料装修织物第5页共15页第4页共15页编号:时间:2021年x月x日书山有路勤为径,学海无涯苦作舟页码:第5页共15页地面装修材料房间隔断材料施工现场用火情况施工现场使用易燃可燃液体情况施工现场用电情况施工现场消防水泵、器材情况第6页共15页第5页共15页编号:时间:2021年x月x日书山有路勤为径,学海无涯苦作舟页码:第6页共15页建设单位工程部门意见年月日(盖章)建设单位保卫部门意见年月日(盖章)介绍信朝阳消防支队:今介绍我公司位于项目的承租方同志,去贵处办理内部装修消防申报事宜,望协助为盼!第7页共15页第6页共15页编号:时间:2021年x月x日书山有路勤为径,学海无涯苦作舟页码:第7页共15页此致年月日消防安全协议书甲方:乙方:第8页共15页第7页共15页编号:时间:2021年x月x日书山有路勤为径,学海无涯苦作舟页码:第8页共15页为坚决贯彻《中华人民共和国消防法》的实施和执行,落实“预防为主,防消结合”的消防方针,严格消防监督管理,加强消防管理力度,防止火灾发生,减少火灾损失,保障正常生活秩序及人员、财产的安全,甲乙双方根据《中华人民共和国消防法》及北京市地方消防安全法规的要求,特签订本消防安全协议书,具体约定如下:一、根据“谁主管、谁负责”的消防责任界定原则,甲方将本社区属乙方购买范围的消防安全保障工作分割委托给乙方负责。二、甲方责任义务1、负责本社区消防安全防范的组织工作,定期开展消防安全知识宣传和消防逃生演习活动,定期安排防火检查,对火灾隐患及时上报或整改。2.负责本社区公共消防设施设备的管理维护工作,贯彻执行各项消防管理规定,认真落实安全管理措施。3.负责在本社区发生火警时及时组织扑救和协助政府消防部门进行消防灭火施救工作。4.其它作为本社区物业管理企业所应承担的消防责任义务。为了保证施工现场的安全,明确双方各自的责任,更好地配合工作,特制定此协议。三、乙方责任义务1.积极支持配合和参加甲方组织的消防安全防范活动,自觉培养消防意识宣传消防重要性。2.不在所属住宅房屋或车辆内贮藏保存易燃易爆危险物品。3.不违规使用电器、不超容量用电和不违规使用液化气、管道...

1、当您付费下载文档后,您只拥有了使用权限,并不意味着购买了版权,文档只能用于自身使用,不得用于其他商业用途(如 [转卖]进行直接盈利或[编辑后售卖]进行间接盈利)。
2、本站所有内容均由合作方或网友上传,本站不对文档的完整性、权威性及其观点立场正确性做任何保证或承诺!文档内容仅供研究参考,付费前请自行鉴别。
3、如文档内容存在违规,或者侵犯商业秘密、侵犯著作权等,请点击“违规举报”。

碎片内容

建筑内部装修设计防火审核申报表(电子版本)

确认删除?
VIP
微信客服
  • 扫码咨询
会员Q群
  • 会员专属群点击这里加入QQ群
客服邮箱
回到顶部