电脑桌面
添加小米粒文库到电脑桌面
安装后可以在桌面快捷访问

市政工程设计审查要点VIP免费

市政工程设计审查要点_第1页
1/67
市政工程设计审查要点_第2页
2/67
市政工程设计审查要点_第3页
3/67
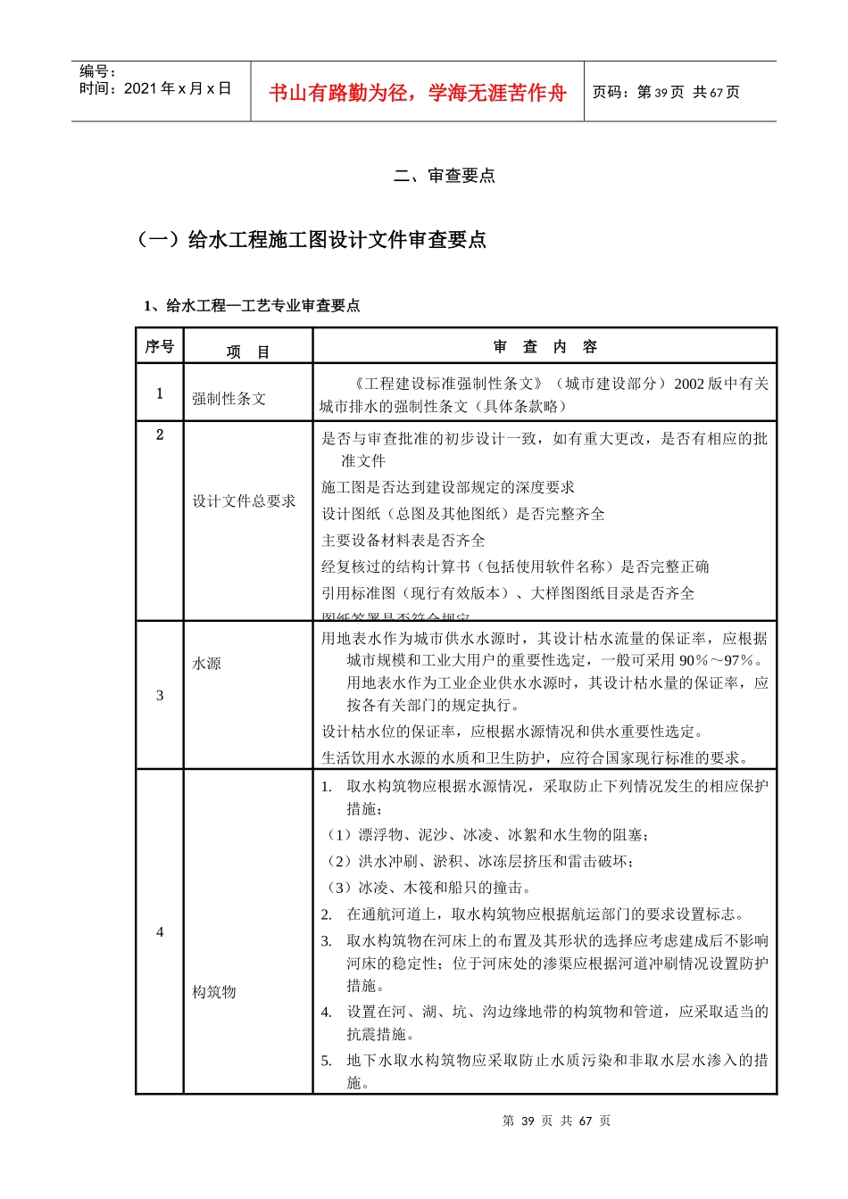
第38页共67页编号:时间:2021年x月x日书山有路勤为径,学海无涯苦作舟页码:第38页共67页市政公用工程施工图设计文件审查要点(试行)一、总则㈠为指导市政公用工程施工图设计文件审查工作,根据《建设工程质量管理条例》和《建设工程勘察设计管理条例》,特制定市政公用工程施工图设计文件(以下简称施工图)审查要点。㈡市政公用工程施工图审查要点分给水工程、排水工程、城市道路工程、城市桥隧工程、燃气工程、热力工程、城市轨道交通工程七部分内容,园林工程和环卫工程的施工图审查要点另行制定。㈢本要点供施工图审查机构进行市政工程施工图技术性审查时参考使用。㈣建设单位报请施工图技术性审查的资料应包括以下内容:1、作为设计依据的政府有关部门的批准文件及附件;2、审查合格的岩土工程勘察文件(详勘)和测绘成果;3、全套施工图(含计算书并注明计算软件的名称及版本);4、审查需要提供的其它资料。㈤施工图技术性审查应包括以下内容:1、是否符合各专业《工程建设标准强制性条文》和其他有关工程建设强制性标准。2、地基基础和结构设计是否安全。3、是否符合公众利益。4、施工图是否达到规定的设计深度要求。5、是否符合作为设计依据的政府有关部门的批准文件要求。㈥本要点所涉及标准内容以现行规范规程内容为准。㈦各省、自治区、直辖市人民政府建设行政主管部门可根据本地的具体情况,对本要点作出必要的补充规定。第39页共67页第38页共67页编号:时间:2021年x月x日书山有路勤为径,学海无涯苦作舟页码:第39页共67页二、审查要点(一)给水工程施工图设计文件审查要点1、给水工程—工艺专业审查要点序号项目审查内容1强制性条文《工程建设标准强制性条文》(城市建设部分)2002版中有关城市排水的强制性条文(具体条款略)2设计文件总要求是否与审查批准的初步设计一致,如有重大更改,是否有相应的批准文件施工图是否达到建设部规定的深度要求设计图纸(总图及其他图纸)是否完整齐全主要设备材料表是否齐全经复核过的结构计算书(包括使用软件名称)是否完整正确引用标准图(现行有效版本)、大样图图纸目录是否齐全图纸签署是否符合规定3水源用地表水作为城市供水水源时,其设计枯水流量的保证率,应根据城市规模和工业大用户的重要性选定,一般可采用90%~97%。用地表水作为工业企业供水水源时,其设计枯水量的保证率,应按各有关部门的规定执行。设计枯水位的保证率,应根据水源情况和供水重要性选定。生活饮用水水源的水质和卫生防护,应符合国家现行标准的要求。4构筑物1.取水构筑物应根据水源情况,采取防止下列情况发生的相应保护措施:(1)漂浮物、泥沙、冰凌、冰絮和水生物的阻塞;(2)洪水冲刷、淤积、冰冻层挤压和雷击破坏;(3)冰凌、木筏和船只的撞击。2.在通航河道上,取水构筑物应根据航运部门的要求设置标志。3.取水构筑物在河床上的布置及其形状的选择应考虑建成后不影响河床的稳定性;位于河床处的渗渠应根据河道冲刷情况设置防护措施。4.设置在河、湖、坑、沟边缘地带的构筑物和管道,应采取适当的抗震措施。5.地下水取水构筑物应采取防止水质污染和非取水层水渗入的措施。第40页共67页第39页共67页编号:时间:2021年x月x日书山有路勤为径,学海无涯苦作舟页码:第40页共67页1、给水工程—工艺专业审查要点序号项目审查内容6.江河取水构筑物的防洪标准不应低于城市防洪标准,水库取水构筑物的防洪标准应与水库大坝等主要建筑物的防洪标准相同,应采用设计和校核两级标准。7.水厂的防洪标准不应低于城市防洪标准,应留有适当的安全裕度。8.泵房设计应根据具体情况采用相应的采暖、通风和排水设施。泵房的防噪措施应符合国家现行标准的规定。9.负有消防给水任务的泵房设计应符合国家现行防火规范。10.锅炉房及危险品仓库的防火设计应符合国家现行防火规范。11.高架处理构筑物应设置避雷针。12.按照强制性条文的规定,在加氯间及氯库内采取必要的安全措施。5输、配水系统进水自流管或虹吸管的数量及其管径,应根据最低水位,通过水力计算确定,其数量不得少于两条。一条管道停止工作时,管道的通过流量应满足事用水要求。输水系统...

1、当您付费下载文档后,您只拥有了使用权限,并不意味着购买了版权,文档只能用于自身使用,不得用于其他商业用途(如 [转卖]进行直接盈利或[编辑后售卖]进行间接盈利)。
2、本站所有内容均由合作方或网友上传,本站不对文档的完整性、权威性及其观点立场正确性做任何保证或承诺!文档内容仅供研究参考,付费前请自行鉴别。
3、如文档内容存在违规,或者侵犯商业秘密、侵犯著作权等,请点击“违规举报”。

碎片内容

市政工程设计审查要点

确认删除?
VIP
微信客服
  • 扫码咨询
会员Q群
  • 会员专属群点击这里加入QQ群
客服邮箱
回到顶部