电脑桌面
添加小米粒文库到电脑桌面
安装后可以在桌面快捷访问

千瓦煤层气电厂工程施工组织设计方案(DOC106页)VIP免费

千瓦煤层气电厂工程施工组织设计方案(DOC106页)_第1页
1/99
千瓦煤层气电厂工程施工组织设计方案(DOC106页)_第2页
2/99
千瓦煤层气电厂工程施工组织设计方案(DOC106页)_第3页
3/99
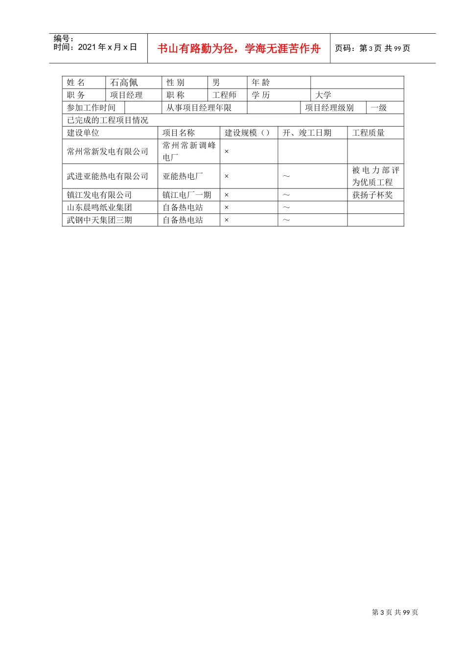
第1页共99页编号:时间:2021年x月x日书山有路勤为径,学海无涯苦作舟页码:第1页共99页第一章工程概况**河万千瓦煤层气电厂工程,位于**煤业集团所属赤河矿附近,即沁水县加丰镇沁水煤田东南的腹部,煤层气储量约亿立方米,可采储量亿立方米。该电厂利用寺河矿井下抽放煤层气为燃料发电,采用燃气发动机发电机组、余热锅炉和蒸汽轮机发电机组组成的联合循环发电装置。燃气发动机是通过空气和经预处理的煤层气混合气体加压,点火爆燃做功,推动活塞移动,曲轴转动带动发电机发电。燃气发动机高温尾气导入余热锅炉经热交换产生蒸汽,推动蒸汽轮发电机发电。由于燃气发动机组单台机组功率较小,本项目用台3520C燃气发动机的尾气进入排气母管导入一台型余热锅炉,台余热锅炉产生的蒸汽通过蒸汽母管引入一台型蒸汽轮机。本电厂全厂设置四个单元厂房。每个单元厂房安装一套由台3520C燃气发动机、台余热锅炉和台蒸汽轮机组成的联合循环发电装置。每个单元厂房的发电容量为。第2页共99页编号:时间:2021年x月x日书山有路勤为径,学海无涯苦作舟页码:第2页共99页第二章总体施工部署及施工管理组织机构第一节总体施工部署施工总体部署的合理与否,将对项目的顺利实施产生重要的影响。依据我公司丰富的大型电力工程的施工管理经验,结合本工程的大面积同时施工的特点,决定成立专业配套齐全的项目经理部作为指挥管理机构,并将整个工程划分为燃气发动机(含蒸汽轮机)、余热锅炉、煤层气加压站及管道、电气系统、热工系统五个施工区,由五个安装项目分部实施。各安装项目在项目经理部的统筹管理下实现各种资源共享,相互补充,积极推进本工程的顺利进行,确保本工程质量、安全、工期等各种管理目标的实现,其具体施工平面布置图附后第二节项目经理部组织架构.项目施工管理架构项目总指挥:石高佩项目副总指挥:孙继明项目技术负责人:石高佩(兼)设备安装施工员:吴进才张云祥倪磊电气仪表安装施工员:陆桂龙孙德均李益新王宁安装劳务人员(主要):唐宝华咎海忠徐长玉冯建国(起重)专职安全员:冯建国质检员:张武恒材料员:朱培清计量员:朱培清(兼职).项目安全管理架构项目部成立安全领导小组,成员如下组长:石高佩副组长:孙继明专职安全员:冯建国组员:吴进才孙德军张云祥倪磊徐长玉陆桂龙孙德均李益新王宁唐宝华咎海忠.项目总指挥工程管理业绩第3页共99页编号:时间:2021年x月x日书山有路勤为径,学海无涯苦作舟页码:第3页共99页姓名石高佩性别男年龄职务项目经理职称工程师学历大学参加工作时间从事项目经理年限项目经理级别一级已完成的工程项目情况建设单位项目名称建设规模()开、竣工日期工程质量常州常新发电有限公司常州常新调峰电厂×武进亚能热电有限公司亚能热电厂×~被电力部评为优质工程镇江发电有限公司镇江电厂一期×~获扬子杯奖山东晨鸣纸业集团自备热电站×~武钢中天集团三期自备热电站×~第4页共99页编号:时间:2021年x月x日书山有路勤为径,学海无涯苦作舟页码:第4页共99页第三章项目管理人员岗位职责项目总指挥、常务副总指挥岗位职责)认真贯彻公司的有关规章制度,负责履行工程合同,完成各项经济技术指标;)确定项目经理部质量要素职能的分配,制定并落实各级人员的职责、权限;)组织实施公司质量体系文件,执行质量奖惩制度;)主持编制项目质量计划并组织实施。)对工程质量、进度、安全进行控制和管理,并负全面责任;)对工程资源进行控制和管理,负责对分包方的管理工作;)组织项目部人员进行定期的质量分析,参加公司的各项质量活动,落实不合格项整改,组织实施纠正和(或)纠正预防措施;)组织实施公司下达的服务内容。项目副总指挥岗位职责)自觉接受项目经理的领导,执行项目经理的有关决定。)认真贯彻公司的有关规章制度,协助项目经理履行工程合同,完成各项经济技术指标;)协助项目经理按公司质量体系文件要求实施项目质量计划;)汇总上报项目劳动力计划、材料供应计划、包括计量器具在内的设备供应计划及月报工作量。)组织实施施工过程中的服务工作。)协助项目经理进行定期的质量分析,参加公司的各项质量活动,落实不合格项整改。项...

1、当您付费下载文档后,您只拥有了使用权限,并不意味着购买了版权,文档只能用于自身使用,不得用于其他商业用途(如 [转卖]进行直接盈利或[编辑后售卖]进行间接盈利)。
2、本站所有内容均由合作方或网友上传,本站不对文档的完整性、权威性及其观点立场正确性做任何保证或承诺!文档内容仅供研究参考,付费前请自行鉴别。
3、如文档内容存在违规,或者侵犯商业秘密、侵犯著作权等,请点击“违规举报”。

碎片内容

千瓦煤层气电厂工程施工组织设计方案(DOC106页)

您可能关注的文档

确认删除?
VIP
微信客服
  • 扫码咨询
会员Q群
  • 会员专属群点击这里加入QQ群
客服邮箱
回到顶部