电脑桌面
添加小米粒文库到电脑桌面
安装后可以在桌面快捷访问

尾矿库标准化考评表(按新标准排版)VIP免费

尾矿库标准化考评表(按新标准排版)_第1页
1/68
尾矿库标准化考评表(按新标准排版)_第2页
2/68
尾矿库标准化考评表(按新标准排版)_第3页
3/68
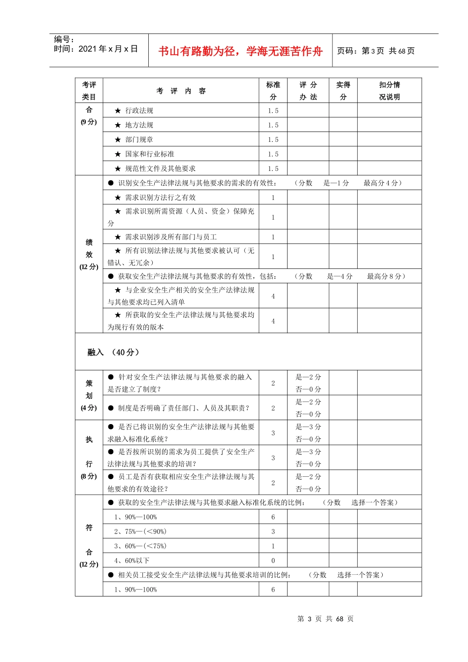
第1页共68页编号:时间:2021年x月x日书山有路勤为径,学海无涯苦作舟页码:第1页共68页表1-1安全生产组织保障单元考评类目考评内容标准分评分办法实得分扣分情况说明目标(60分)策划(6分)●是否有安全生产目标与指标设立、完成情况评价的管理制度?3是—3分否—0分●是否明确了安全生产目标和指标完成情况评价的责任部门、责任人员及评价方法?3是—3分否—0分执行(12分)●是否设立了文件化的年度安全生产目标与指标?4是—4分否—0分●是否为安全生产目标与指标的实现提供了下列资源?(分数是—1分最高分4分)★人力资源1★财力资源1★物力资源1★技术资源1●是否制定了实现安全生产目标和指标的实施计划?2是—2分否—0分●是否对安全生产目标和指标的实施计划执行情况进行监测、修正和更新?2是—2分否—0分符合(18分)●尾矿库安全生产目标是否包含于企业安全生产目标?4是—4分否—0分●设立安全生产目标时是否考虑:(分数是—1分最高分4分)★管理评审的结果★风险评价的结果★以往安全生产的绩效★标准化系统评估的结果●安全生产目标是否体现改进安全生产管理的要求2是—2分否—0分●安全生产目标是否包含:(分数是—2分最高分4分)★改进安全生产管理的具体措施2★尾矿库事件的影响,如事件的频率、严重性和造成的损失等2●按照实施计划要求对安全生产目标与指标的完成情况进行监测的比例:(分数选择一个答案)1、90%—100%42、75%—(<90%)2第2页共68页第1页共68页编号:时间:2021年x月x日书山有路勤为径,学海无涯苦作舟页码:第2页共68页考评类目考评内容标准分评分办法实得分扣分情况说明3、60%—(<75%)14、60%以下0绩效(24分)●是否完成了所有安全生产目标和指标?3是—3分否—0分●对目标和指标完成的情况是否进行了系统分析,并提出了改进措施?3是—3分否—0分●员工理解其行为对完成安全生产目标与指标的影响程度?(分数选择一个答案)1、90%—100%82、75%—(<90%)43、60%—(<75%)24、60%以下0●安全生产目标和指标的有效性:(分数是—2分最高分10分)★明确性2★可测量性2★可接受性2★实际性2★时限性2安全生产法律法规与其他要求(100分)需求识别与获取(30分)策划(3分)●是否建立了识别安全生产法律法规与其他要求的需求并获取相应法律法规与其他要求的制度?1是—1分否—0分●是否确定了负责识别安全生产法律法规与其他要求的需求并获取相应法律法规与其他要求的部门、人员及其职责?2是—2分否—0分执行(6分)●是否识别了安全生产法律法规与其他要求的需求?2是—2分否—0分●是否根据需求识别结果获取相应的安全生产法律法规与其他要求?1是—1分否—0分●内部人员是否可以获取相关的安全生产法律法规与其他要求?2是—2分否—0分●是否有适用的安全生产法律法规与其他要求清单?1是—1分否—0分符●已识别的安全生产法律法规与其他要求是否包括:(分数是—1.5分最高分9分)★法律1.5第3页共68页第2页共68页编号:时间:2021年x月x日书山有路勤为径,学海无涯苦作舟页码:第3页共68页考评类目考评内容标准分评分办法实得分扣分情况说明合(9分)★行政法规1.5★地方法规1.5★部门规章1.5★国家和行业标准1.5★规范性文件及其他要求1.5绩效(12分)●识别安全生产法律法规与其他要求的需求的有效性:(分数是—1分最高分4分)★需求识别方法行之有效1★需求识别所需资源(人员、资金)保障充分1★需求识别涉及所有部门与员工1★所有识别法律法规与其他要求被认可(无错认、无冗余)1●获取安全生产法律法规与其他要求的有效性,包括:(分数是—4分最高分8分)★与企业安全生产相关的安全生产法律法规与其他要求均已列入清单4★所获取的安全生产法律法规与其他要求均为现行有效的版本4融入(40分)策划(4分)●针对安全生产法律法规与其他要求的融入是否建立了制度?2是—2分否—0分●制度是否明确了责任部门、人员及其职责?2是—2分否—0分执行(8分)●是否已将识别的安全生产法律法规与其他要求融入标准化系统?3是—3分否—0分●是否按所识别的需求为员工提供了安全生产法律法规与其他要求的培训?3是—3分否—0分●员工是否有获取相应安全生...

1、当您付费下载文档后,您只拥有了使用权限,并不意味着购买了版权,文档只能用于自身使用,不得用于其他商业用途(如 [转卖]进行直接盈利或[编辑后售卖]进行间接盈利)。
2、本站所有内容均由合作方或网友上传,本站不对文档的完整性、权威性及其观点立场正确性做任何保证或承诺!文档内容仅供研究参考,付费前请自行鉴别。
3、如文档内容存在违规,或者侵犯商业秘密、侵犯著作权等,请点击“违规举报”。

碎片内容

尾矿库标准化考评表(按新标准排版)

确认删除?
VIP
微信客服
  • 扫码咨询
会员Q群
  • 会员专属群点击这里加入QQ群
客服邮箱
回到顶部