电脑桌面
添加小米粒文库到电脑桌面
安装后可以在桌面快捷访问

大型吊装工程力学计算及常用材料物理数据VIP免费

大型吊装工程力学计算及常用材料物理数据_第1页
1/44
大型吊装工程力学计算及常用材料物理数据_第2页
2/44
大型吊装工程力学计算及常用材料物理数据_第3页
3/44
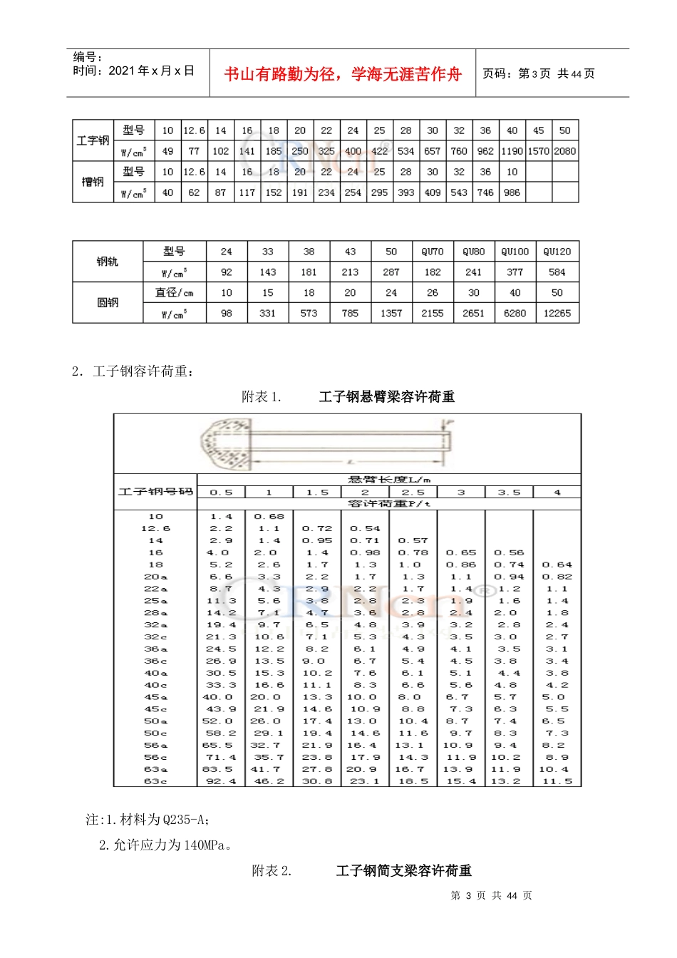
第1页共44页编号:时间:2021年x月x日书山有路勤为径,学海无涯苦作舟页码:第1页共44页大型吊装工程力学计算及常用材料物理数据一、滚动、滑动摩擦系数附表1.滚动摩擦系数μ附表2.滑动摩擦系数f第2页共44页第1页共44页编号:时间:2021年x月x日书山有路勤为径,学海无涯苦作舟页码:第2页共44页二.用计算法确定支梁的容许荷重:1.由工字钢、槽钢、钢轨、圆钢形成的简支梁,在跨度中央受集中荷重时,其容许值可按下式计算:Q=50W/L式中:Q——容许集中荷重,kgf;W——断面系数,cm3;L——简支梁两支点间距离,m。附表1.各种梁的断面系数W第3页共44页第2页共44页编号:时间:2021年x月x日书山有路勤为径,学海无涯苦作舟页码:第3页共44页2.工子钢容许荷重:附表1.工子钢悬臂梁容许荷重注:1.材料为Q235-A;2.允许应力为140MPa。附表2.工子钢简支梁容许荷重第4页共44页第3页共44页编号:时间:2021年x月x日书山有路勤为径,学海无涯苦作舟页码:第4页共44页注:1.材料为Q235-A;2.允许应力为140MPa。3.几种钢材的断面常数:(一)热轧等边角钢附表1等边角钢断面常数第5页共44页第4页共44页编号:时间:2021年x月x日书山有路勤为径,学海无涯苦作舟页码:第5页共44页第6页共44页第5页共44页编号:时间:2021年x月x日书山有路勤为径,学海无涯苦作舟页码:第6页共44页注:1.r1=1/3d,r20,r0=0,r0=0;2.角钢长度:2~4#,长3~9m;4.5~8#,长4~12m;9~14#,长4~19m;16~20#,长6~19;第7页共44页第6页共44页编号:时间:2021年x月x日书山有路勤为径,学海无涯苦作舟页码:第7页共44页3.一般采用材料:Q215-A、Q235-AF、Q275。(二)热轧普通槽钢附表1热轧普通槽钢断面常数注:1.槽钢长度:5号~8号,长5~12m;10号~18号,长5~19m;20号~40号,长6~19m;2.一般采用材料:Q215~A、Q235~AF、Q275。(三)热轧普通工字钢附表1热轧普通工字钢断面常数第8页共44页第7页共44页编号:时间:2021年x月x日书山有路勤为径,学海无涯苦作舟页码:第8页共44页第9页共44页第8页共44页编号:时间:2021年x月x日书山有路勤为径,学海无涯苦作舟页码:第9页共44页注:1.工字钢长度:10号~18号,长5~19m;20号~63号,长6~19m;2.一般采用材料:Q215-A、Q235-AF、Q275。(四)钢轨附表1钢轨断面常数(五)起重机钢轨附表1起重机钢轨断面常数第10页共44页第9页共44页编号:时间:2021年x月x日书山有路勤为径,学海无涯苦作舟页码:第10页共44页(六)圆形钢管附表1圆形钢管截面的断面常数第11页共44页第10页共44页编号:时间:2021年x月x日书山有路勤为径,学海无涯苦作舟页码:第11页共44页第12页共44页第11页共44页编号:时间:2021年x月x日书山有路勤为径,学海无涯苦作舟页码:第12页共44页钢管(几种常用钢管及用角钢加强的钢管)桅杆的中心受压容许压应力折减系数φ附表1钢管(几种常用钢管及用角钢加强的钢管)桅杆的中心受压容许压应力折减系数第13页共44页第12页共44页编号:时间:2021年x月x日书山有路勤为径,学海无涯苦作舟页码:第13页共44页附表1桅杆钢管(单钢管及用角钢加强的钢管)断面常数第14页共44页第13页共44页编号:时间:2021年x月x日书山有路勤为径,学海无涯苦作舟页码:第14页共44页轴心受压钢结构件的稳定系数第15页共44页第14页共44页编号:时间:2021年x月x日书山有路勤为径,学海无涯苦作舟页码:第15页共44页附表1轴心受压钢构件的截面分类附表2Q235钢a类截面轴心受压结构件的稳定系数φ第16页共44页第15页共44页编号:时间:2021年x月x日书山有路勤为径,学海无涯苦作舟页码:第16页共44页附表3Q235钢b类截面轴心受压构件的稳定系数φ第17页共44页第16页共44页编号:时间:2021年x月x日书山有路勤为径,学海无涯苦作舟页码:第17页共44页附表416Mn钢、16Mnq钢a类截面轴心受压构件的稳定系数φ第18页共44页第17页共44页编号:时间:2021年x月x日书山有路勤为径,学海无涯苦作舟页码:第18页共44页附表516Mn钢、16Mnq钢b类截面轴心受压构件的稳定系数φ第19页共44页第18页共44页编号:时间:2021年x月x日书山有路勤为径,学海无涯苦作舟页码:第19页共44页钢材的容许应力附表1钢材的...

1、当您付费下载文档后,您只拥有了使用权限,并不意味着购买了版权,文档只能用于自身使用,不得用于其他商业用途(如 [转卖]进行直接盈利或[编辑后售卖]进行间接盈利)。
2、本站所有内容均由合作方或网友上传,本站不对文档的完整性、权威性及其观点立场正确性做任何保证或承诺!文档内容仅供研究参考,付费前请自行鉴别。
3、如文档内容存在违规,或者侵犯商业秘密、侵犯著作权等,请点击“违规举报”。

碎片内容

大型吊装工程力学计算及常用材料物理数据

确认删除?
VIP
微信客服
  • 扫码咨询
会员Q群
  • 会员专属群点击这里加入QQ群
客服邮箱
回到顶部