电脑桌面
添加小米粒文库到电脑桌面
安装后可以在桌面快捷访问

安波污水处理工程设计计算书毕业设计VIP免费

安波污水处理工程设计计算书毕业设计_第1页
1/19
安波污水处理工程设计计算书毕业设计_第2页
2/19
安波污水处理工程设计计算书毕业设计_第3页
3/19
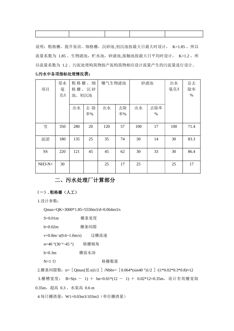
安波污水处理工程设计计算说明书一、说明部分1.污水处理规模2.污水处理厂设计规模为3000m3/d,考虑规划预留地用于将来扩建。处理程度2.1进水水质COD=350mg/L,BOD=180mg/L,SS=220mg/L,NH3-N+=30mg/L2.2出水水质欺骗≤100mg/L,泥团≤30mg/L,SS≤30mg/L,NH3-N+≤25mg/L3.处理工艺污水处理工艺:曝气生物滤池工艺(粗格栅、提升泵房、细格栅、沉砂池、初沉池、生物滤池、贮水池、砂滤池、接触池)。污泥处理工艺:机械浓缩、机械脱水。4.污水处理构筑物设计流量表:项目设计规模(m3/d)流量系数设计流量(m3/d)校核流量(m3/d)粗格栅30001.8530005550提升泵房30001.8530005550细格栅30001.8530005550沉砂池30001.8530005550初沉池30001.8530005550生物滤池30001.230003600贮水池30001.230003600砂滤池30001.230003600接触池30001.230003600说明:粗格栅,提升泵房,细格栅,沉砂池,初沉池按最大日最大时设计,K=1.85,所以流量系数为1.85。生物滤池,贮水池,砂滤池,接触池按最大日平均时设计,K=1.2,所以流量系数为1.2。污泥处理构筑物按产泥构筑物相应设计流量产生的污泥量进行设计。5.污水中各项指标处理情况表:项目原水毫克/l粗格栅、细格栅、沉砂池、初沉池曝气生物滤池砂滤池出水毫克/l总去除率%出水去除率%出水去除率%出水去除率%雪35028020120571001710071.4泥团18013525357430143083.3SS22012145456230333086.4NH3-N+302517252517二、污水处理厂计算部分(一).粗格栅(人工)1.设计参数:Qmax=QK=3000*1.85=5550m3/d=0.064m3/sS=0.01m栅条宽度b=0.02m栅条间隙v=0.8m/s(0.6~1.0m/s)过栅流速α=40°(30°~45°)格栅倾角h=0.3m栅前水深N=1台格栅数量2.栅条间隙数:n=[Qmax(犯α)1/2]/Nbhv=[0.064*(sin40°)1/2]/(1*0.02*0.3*0.8)≈123.栅槽宽度:B=S(n-1)+bn=0.01*(12-1)+0.02*12=0.35m,设计有效栅宽取0.35m,超高0.3,水渠高0.6m4.每日栅渣量:W1=0.03m3/103m3(单位栅渣量)W=86400QmaxW1/(1000K)=86400*0.064*0.03/(1000*1.85)=0.09m3/d5.设备选:选用一台人工格栅,栅宽0.35m,栅条间隙0.02m6.其它设备:超声波液位计(0-6妈)7.粗格栅间:平面尺寸:5m*5m,地下部分2m,地上高3.5m(二).提升泵房1.设计参数:Qmax=QK=3000*1.85=5550m3/d=231m3/h2.集水池计算:取集水池容积为V=100m3,停留时间为t=V/Qmax=100/231=0.43h=26min集水池尺寸:3m*7m*5m=105m33.设备选型:(1)、潜污泵:100QW130-20型污水泵三台,两用一备,每台Q=130m3/h,H=20m,单台电机功率15kw,泵自重340kg。(2)、超声波液位计(0-6mA),一套(3)、电磁流量计DN200,一套(4)、温度仪,一套。(5)、电控柜,一套(6)、电动胡芦,起重量0.5t,一台4.泵房尺寸:平面尺寸:7m*5m,地下深5m,地上部分3.5m。粗格栅间与泵房合建。(三).细格栅间1.设计参数:Qmax=QK=3000*1.85=5550m3/d=0.064m3/sS=0.008m栅条宽度b=0.008m栅条间隙v=0.8m/s(0.6~1.0m/s)过栅流速α=40°格栅倾角(人工清渣30°~45°)h=0.35m栅前水深N=1台格栅数量2.栅条间隙数:n=[Qmax(sinα)1/2]/Nbhv=[0.064*(sin40°)1/2]/(1*0.008*0.35*0.8)≈233.栅槽宽度:B=S(n-1)+bn=0.008*(23-1)+0.008*23=0.37m,设计有效栅宽取0.4m,槽超高取0.3m,槽总高0.6m。4.每日栅渣量:W1=0.06m3/103m3(单位栅渣量)W=86400QmaxW1/(1000K)=86400*0.064*0.06/(1000*1.85)=0.18m3/d5.设备选型:(1)、选用一台旋臂式弧形格栅除污机,栅宽0.4m,栅条间隙0.008m,栅条宽度0.008m,回转半径0.5m,电动机功率0.37KW。(2)、选用一台人工格栅备用,栅宽0.4m,栅条间隙0.008m,栅条宽度0.008m。(3)、超声波液位计(0-6mA),一套。(4)、电控柜,一套。6.细格栅间布置:(1)、平面尺寸:5m*5m。(2)、立面尺寸:房顶高11.5m,细格栅平台标高8.5m槽底标高8.5m,槽顶标高9.1m,在细格栅间设楼梯和排渣通道。(四).钟式沉砂池(旋流沉砂池)1.设计参数:Qmax=QK=3000*1.85=5550m3/d=231m3/h2.沉砂池尺寸:D=1.83m沉砂部分直径d=1.0m砂斗直径V1=1m3砂斗容积V2=2.8m3池容积H=2.8m沉砂池总高3.设备选型:选用WLCS-50A型钟式沉砂池两台...

1、当您付费下载文档后,您只拥有了使用权限,并不意味着购买了版权,文档只能用于自身使用,不得用于其他商业用途(如 [转卖]进行直接盈利或[编辑后售卖]进行间接盈利)。
2、本站所有内容均由合作方或网友上传,本站不对文档的完整性、权威性及其观点立场正确性做任何保证或承诺!文档内容仅供研究参考,付费前请自行鉴别。
3、如文档内容存在违规,或者侵犯商业秘密、侵犯著作权等,请点击“违规举报”。

碎片内容

安波污水处理工程设计计算书毕业设计

精品中小学文档+ 关注
实名认证
内容提供者

精品资料,值得下载

确认删除?
VIP
微信客服
  • 扫码咨询
会员Q群
  • 会员专属群点击这里加入QQ群
客服邮箱
回到顶部