电脑桌面
添加小米粒文库到电脑桌面
安装后可以在桌面快捷访问

永威翡翠城质量创优措施VIP免费

永威翡翠城质量创优措施_第1页
1/64
永威翡翠城质量创优措施_第2页
2/64
永威翡翠城质量创优措施_第3页
3/64
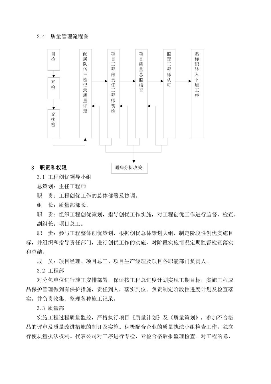
质量创优措施为提高永威翡翠城12、17号楼及地下车库工程质量,全面提高工程的管理水平和施工工艺,建立制度化、规范化、标准化的施工作业保障体系,争创“精品工程”,特制定“永威翡翠城12、17号楼及地下车库工程争创精品工程质量保证措施”。措施共分为六部分:一、工程质量目标;二、质量保证体系组织机构;三、职责和权限;四、本工程的质量控制措施;五、单项施工过程的质量控制;六、创无质量通病工程的实施与控制。1.工程质量目标1.1本工程项目质量目标:结构中州杯1.1.1工程产品符合合同要求和设计要求。1.1.2工程产品质量符合《施工质量验收规范》、《建筑工程施工质量验收统一标准》要求,保证使用功能、安全功能。1.1.3单位工程预控详见《施工组织设计》1.1.4满足合同规定的工期。1.1.5合同履行率100%;顾客满意度在80%以上。2质量保证体系组织机构企业设质量部,负责质量监督和质量保证体系的持续有效运行。永威翡翠城12、17号楼及地下车库工程项目设质量部长,行使质量否决权。2.1质量保证体系图2.2施工全过程质量记录表图2.3质量目标管理网络图自检互检交接检配属队伍三检记录质量评定项目工程部责任工程师初检项目质量总监核查监理工程师认可贴标识转入下道工序通病分析攻关2.4质量管理流程图3职责和权限3.1工程创优领导小组总策划:主任工程师职责:工程创优工作的总体部署及协调。组长:质量部部长。职责:组织工程创优策划,指导创优工作实施,对工程创优工作进行监督、检查。副组长:项目总工。职责:参与工程整体创优策划,根据创优总体策划大纲,制定阶段性创优实施目标,并组织和指导责任部门,进行创优工作的实施,对阶段实施情况定期监督检查落实和总结。成员:项目经理、项目总工、项目生产经理及项目各职能部门负责人。3.2工程部对分包单位进行施工安排部署,保证按工程总进度计划实现工期目标,实施工程成品保护管理做到有保护措施,责任到人,落实到位。负责制定阶段性进度计划及检查落实。并负责收集、整理各种施工记录。3.3质量部实施工程过程质量监控,严格执行项目《质量计划》及《质量策划》,参加不合格品的评审及质量改进措施的制订及实施。积极配合企业的质量执法小组检查工作,独立行使质量执法权利。代表公司对工序进行专检,专检合格后报监理检查。对工程的隐、预检进行验收,认真负责本部门质量记录的收集、整理,做到准确、及时、完整、交圈。参加工程的基础、主体及单位工程的验收工作。3.4技术部确定各种施工方案及工艺作法,编制项目的《质量计划》和《质量策划》。及时办理各种工程洽商和设计变更,依据施工图纸提供钢筋及其它成品、半成品的数量和型号。负责工程施工的全过程控制,参加不合格品的评审,并及时制定质量改进措施。负责检验、测量和试验的控制,收集和整理有关施工的各种技术资料,做到准确、及时、完整、交圈。3.5设材部对进场的各种原材料、半成品、成品要货比三家,让最优质的产品进入施工现场,确保优质工程的实现。负责库房、料场及施工现场存放的建筑材料、机械设备、各种构配件的入库验收、标识、保管、保养、发放。参加不合格品的评审,并进行实施。负责收集整理有关材料方面的各种资料,做到有可追溯性。3.6综合办保证现场施工生产的正常进行。负责现场的文明施工及CI形象设计,利用报纸、电视等新闻媒体宣传扩大工程的知名度。针对工程的具体特点,对重要工序,做好声像资料的计划。例如:底板大体积混凝土工程,高性能混凝土;主体部分的钢筋的机械连接,柱、梁、板混凝土一次性浇筑;钢结构制安;装修分部的幕墙节点作法、内部精装修;水电分部的机电施工、给排水节点作法等。4本工程的质量控制措施4.1机械设备4.1.1对进场的各种施工机械的品质进行检查。4.1.1.1对进场机械设备进行外关检查。4.1.1.2对进场机械设备进行调试。4.1.1.3索取机械设备相关的资料。4.1.1.4对有关于计量方面的机具设备进场后必须送至相关的计量仪器检测部门进行鉴定,合格后方可在现场使用。4.1.2对施工现场的机械设备进行定期的检查、在施工中加强设备的维修和保养,对设备操作人员进行培训、考试,确认合格者发给操作证,持证...

1、当您付费下载文档后,您只拥有了使用权限,并不意味着购买了版权,文档只能用于自身使用,不得用于其他商业用途(如 [转卖]进行直接盈利或[编辑后售卖]进行间接盈利)。
2、本站所有内容均由合作方或网友上传,本站不对文档的完整性、权威性及其观点立场正确性做任何保证或承诺!文档内容仅供研究参考,付费前请自行鉴别。
3、如文档内容存在违规,或者侵犯商业秘密、侵犯著作权等,请点击“违规举报”。

碎片内容

永威翡翠城质量创优措施

您可能关注的文档

书海行舟+ 关注
实名认证
内容提供者

热爱教学事业,对互联网知识分享很感兴趣

相关文档

确认删除?
VIP
微信客服
  • 扫码咨询
会员Q群
  • 会员专属群点击这里加入QQ群
客服邮箱
回到顶部