电脑桌面
添加小米粒文库到电脑桌面
安装后可以在桌面快捷访问

河南省安全技术防范系统设计施工维修资质证申请书VIP免费

河南省安全技术防范系统设计施工维修资质证申请书_第1页
1/9
河南省安全技术防范系统设计施工维修资质证申请书_第2页
2/9
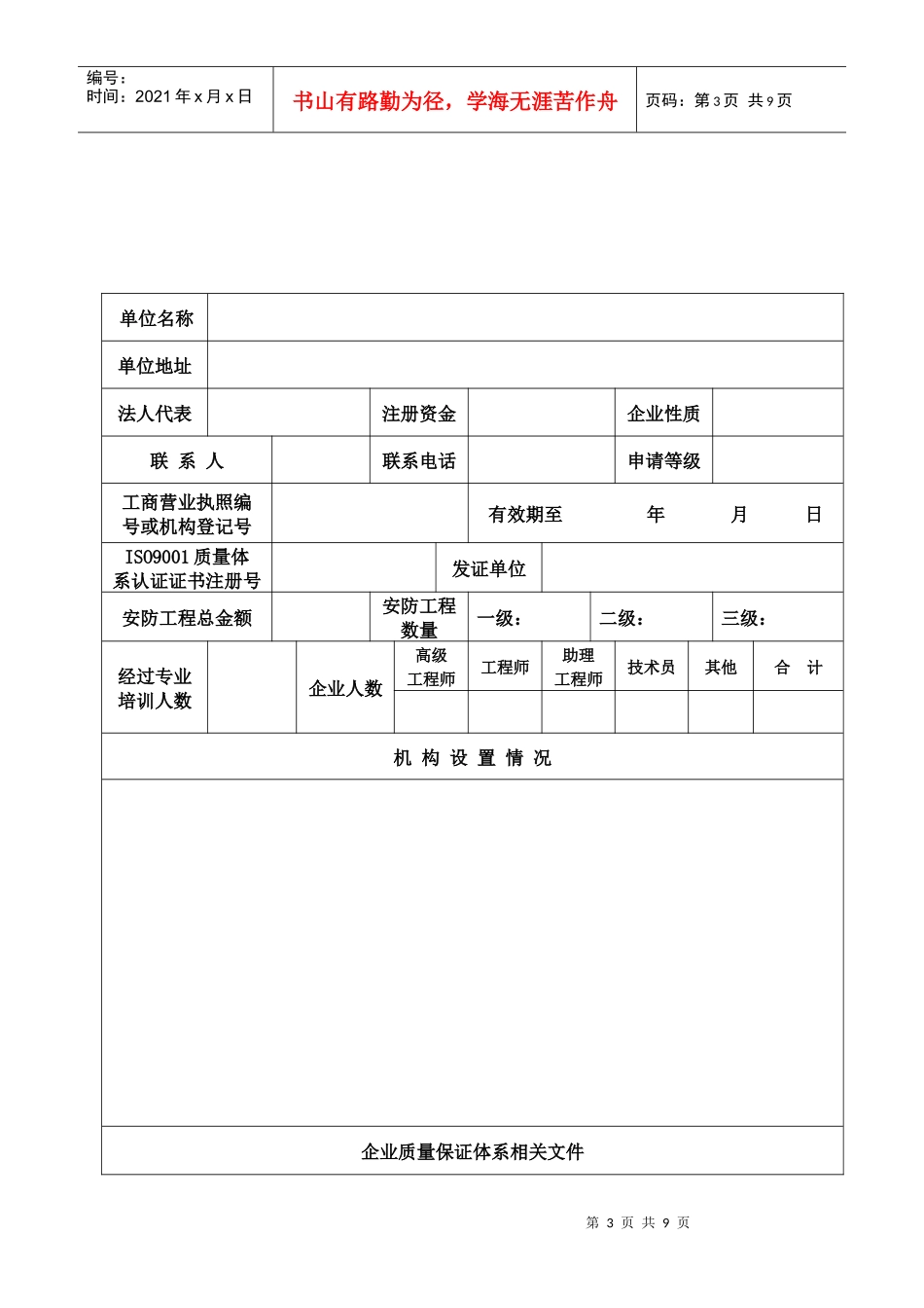
河南省安全技术防范系统设计施工维修资质证申请书_第3页
3/9
证书编号:河南省公共安全技术防范系统从业单位登记备案申请书(省内单位)申请单位:办公地址:邮政编码:法人代表:联系电话:联系人:手机:填报日期:受理编号:第2页共9页编号:时间:2021年x月x日书山有路勤为径,学海无涯苦作舟页码:第2页共9页四川省公安厅安全技术防范管理办公室制填写说明一、此申请书由申办资质证的单位如实填写,内容要真实完整。二、部分栏目填写说明:1、“证书编号”及“受理编号”由技防管理部门填写;2、“单位名称”指申请资质证的单位在工商管理部门注册的合法名称;3、“企业性质”指全民、集体、个体、合资、独资及股份制等;4、“申请等级”指资质证的等级,分一级、二级、三级和待定级四类;5、“机构设置情况”应以框图形式表示从业单位的部门设置及人员编制情况。三、从业单位在申办资质证时,应提交以下10类材料:1、《四川省公共安全技术防范从业单位登记备案申请书》;2、工商营业执照(原件及复印件);3、单位简介;4、营业场所房产证明(或租赁协议)(原件及复印件);5、管理人员和技术人员的专业培训证书、学历证书、职称证书、身份证、劳动合同(原件及复印件);6、主要系统设备、检验仪器明细表;7、系统质量管理制度(原件及复印件);8、系统维护与维修保养服务措施;9、技防系统业绩证明(含合同、系统决算清单、验收合格证或者验收报告)(原件及复印件);原件验证后退回。四、填写内容不完整,申报材料不齐全或有弄虚作假行为的,不予审理。第3页共9页第2页共9页编号:时间:2021年x月x日书山有路勤为径,学海无涯苦作舟页码:第3页共9页单位名称单位地址法人代表注册资金企业性质联系人联系电话申请等级工商营业执照编号或机构登记号有效期至年月日ISO9001质量体系认证证书注册号发证单位安防工程总金额安防工程数量一级:二级:三级:经过专业培训人数企业人数高级工程师工程师助理工程师技术员其他合计机构设置情况企业质量保证体系相关文件第4页共9页第3页共9页编号:时间:2021年x月x日书山有路勤为径,学海无涯苦作舟页码:第4页共9页管理人员及技术人员名单序号姓名年龄文化程度技术职称(职务)专业分类专业培训证书号第5页共9页第4页共9页编号:时间:2021年x月x日书山有路勤为径,学海无涯苦作舟页码:第5页共9页安全技术防范系统施工、检测主要设备仪器明细表序号名称和型号规格数量生产地及出厂日期设备图片使用现况1空气压缩机(W型)2浙江(08.10.8)良好2切割机1江苏(09.5.12)良好3电脑4上海(10.5.21)良好4打印机2上海(08.5.3)良好5冲击电钻2广东(08.9.25)良好第6页共9页第5页共9页编号:时间:2021年x月x日书山有路勤为径,学海无涯苦作舟页码:第6页共9页6手枪电钻1杭州(08.9.20)良好7万用表3深圳(10.2.4)良好8摇表2杭州(09.4.5)良好9对讲机2台湾(07.8.20)正常10传真机1上海(10.11.5)正常11穿线器2杭州(08.2.3)正常13电烙铁5惠州(11.5.2)良好14示波器1天津(10.8.5)良好15装订机2台湾(09.5.18)良好第7页共9页第6页共9页编号:时间:2021年x月x日书山有路勤为径,学海无涯苦作舟页码:第7页共9页最近两年企业从事公共安全技术防范系统相关业绩序号项目名称系统所属单位或责任单位风险等级造价(万元)竣工时间工程检测时间验收时间第8页共9页第7页共9页编号:时间:2021年x月x日书山有路勤为径,学海无涯苦作舟页码:第8页共9页系统造价合计:万元所在县(区)公安局技防管理部门意见年月日市州公安局技防管理部门意见年月日第9页共9页第8页共9页编号:时间:2021年x月x日书山有路勤为径,学海无涯苦作舟页码:第9页共9页省公安厅技防管理部门意见年月日证书编号资格等级

1、当您付费下载文档后,您只拥有了使用权限,并不意味着购买了版权,文档只能用于自身使用,不得用于其他商业用途(如 [转卖]进行直接盈利或[编辑后售卖]进行间接盈利)。
2、本站所有内容均由合作方或网友上传,本站不对文档的完整性、权威性及其观点立场正确性做任何保证或承诺!文档内容仅供研究参考,付费前请自行鉴别。
3、如文档内容存在违规,或者侵犯商业秘密、侵犯著作权等,请点击“违规举报”。

碎片内容

河南省安全技术防范系统设计施工维修资质证申请书

确认删除?
VIP
微信客服
  • 扫码咨询
会员Q群
  • 会员专属群点击这里加入QQ群
客服邮箱
回到顶部