电脑桌面
添加小米粒文库到电脑桌面
安装后可以在桌面快捷访问

生态水引水隧洞工程安全策划书VIP免费

生态水引水隧洞工程安全策划书_第1页
1/65
生态水引水隧洞工程安全策划书_第2页
2/65
生态水引水隧洞工程安全策划书_第3页
3/65
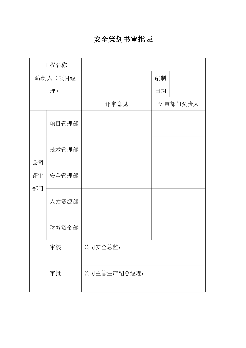
西藏巨龙铜业驱龙铜多金属矿生态水引水隧洞工程安全策划书中国华冶科工集团有限公司天津第二分公司西藏项目部2014年6月20日安全策划书审批表工程名称编制人(项目经理)编制日期评审意见评审部门负责人公司评审部门项目管理部技术管理部安全管理部人力资源部财务资金部审核公司安全总监:审批公司主管生产副总经理:第1页共66页编号:时间:2021年x月x日书山有路勤为径,学海无涯苦作舟页码:第1页共66页目录一、工程概况................................................41、工程概况..............................................42、工程特点、难点、危险及关键控制部位....................4二、编制依据................................................5三、安全管理控制目标........................................6四、安全管理组织机构........................................6五、项目部安全生产责任制....................................81、项目部岗位人员安全生产责任制..........................82、项目部各职能部门安全生产责任制.......................13六、项目安全管理制度.......................................161、工程项目安全培训教育制度.............................162、班前安全讲话制度.....................................173、周一安全活动制度.....................................185、安全技术管理制度.....................................1910、安全技术交底制度....................................2011、安全验收制度........................................2112、安全生产费用管理制度................................2213、事故调查处理管理制度................................2314、安全生产约谈、问责制度..............................25第2页共66页第1页共66页编号:时间:2021年x月x日书山有路勤为径,学海无涯苦作舟页码:第2页共66页15、安全生产管理奖罚规定................................2716、危险性较大的分部分项工程报告制度....................3417、安全生产例会制度....................................3518、总包与分包安全管理制度..............................3519、物资供应管理制度....................................3720、机械设备管理制度....................................3721、安全生产责任制与责任目标考核制度....................3822、主要负责人、安全员持证制度..........................3923、劳动防护用品使用管理制度............................3924、施工现场安全文明施工管理制度........................4025、施工现场出入管理制度................................4226、消防治安保卫管理制度................................4327、安全标志牌管理制度..................................4428、危险作业旁站监控制度................................4429、危害安全的工艺、设备淘汰制度........................4530、安全技术资料内业管理制度............................4631、隐患排查治理工作制度................................4633、应急管理制度........................................4834、易燃、易爆、有毒物品使用管理制度....................4935、特殊工种管理制度....................................5036、危险性较大的分部分项工程安全管理办法................51第3页共66页第2页共66页编号:时间:2021年x月x日书山有路勤为径,学海无涯苦作舟页码:第3页共66页37、建设工程高大模板支撑系统专项施工方案管理办法........58七、安全管理措施...........................................61八、安全专项方案控制计划...................................62九、需专家论证的危险性较大的安全专项方案控制计划...........63十、应急预案...............................................631、应急预案编制计划.....................................632、事故、事件报告程序...................................64十一、项...

1、当您付费下载文档后,您只拥有了使用权限,并不意味着购买了版权,文档只能用于自身使用,不得用于其他商业用途(如 [转卖]进行直接盈利或[编辑后售卖]进行间接盈利)。
2、本站所有内容均由合作方或网友上传,本站不对文档的完整性、权威性及其观点立场正确性做任何保证或承诺!文档内容仅供研究参考,付费前请自行鉴别。
3、如文档内容存在违规,或者侵犯商业秘密、侵犯著作权等,请点击“违规举报”。

碎片内容

生态水引水隧洞工程安全策划书

您可能关注的文档

确认删除?
VIP
微信客服
  • 扫码咨询
会员Q群
  • 会员专属群点击这里加入QQ群
客服邮箱
回到顶部