电脑桌面
添加小米粒文库到电脑桌面
安装后可以在桌面快捷访问

江苏省物价局_江苏省交通厅联合发布交通工程质量检测和工程材料试验VIP免费

江苏省物价局_江苏省交通厅联合发布交通工程质量检测和工程材料试验_第1页
1/26
江苏省物价局_江苏省交通厅联合发布交通工程质量检测和工程材料试验_第2页
2/26
江苏省物价局_江苏省交通厅联合发布交通工程质量检测和工程材料试验_第3页
3/26
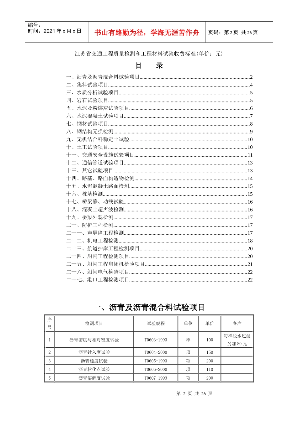
第1页共26页编号:时间:2021年x月x日书山有路勤为径,学海无涯苦作舟页码:第1页共26页江苏省物价局江苏省交通厅联合发布交通工程质量检测和工程材料试验收费标准2003年2月18日,省物价局与省交通厅联合发布了《江苏省交通工程质量检测和工程材料试验收费标准》(试行)(以下简称《标准》)。自2003年3月1日起试行两年。自此,我省交通建设工程试验检测项目有了一个统一的收费标准,规范了试验检测单位的收费行为,促进了试验检测水平的提高,推动了我省试验检测事业的健康发展。目前,此项工作走在全国前列,一些兄弟省份已考虑予以借鉴。为使《标准》更科学合理,省交通厅质监站向各市交通局、有关市港口管理局,省交通厅公路局、航道局,省高速公路建设指挥部、省苏通大桥建设指挥部、南京第三长江公路大桥建设指挥部,各市质监站、有关港口质监站,江苏省交通工程质量检测中心、江苏省交通厅质监站检测中心、江苏省交通厅质监站钢结构试验室、江苏省交通厅公路局交通工程检测中心共41家相关单位,印发了《江苏省交通工程质量检测和工程材料试验收费标准》(征求意见稿),广泛征求意见。邀请了省内交通系统的有关建设单位、试验检测单位、质量监督机构和有关管理部门共15家单位,召开了座谈会,对《江苏省交通工程质量检测和工程材料试验收费标准》(征求意见稿)进行了充分的讨论,最终由江苏省物价局和交通厅联合发布。第2页共26页第1页共26页编号:时间:2021年x月x日书山有路勤为径,学海无涯苦作舟页码:第2页共26页江苏省交通工程质量检测和工程材料试验收费标准(单价:元)目录一、沥青及沥青混合料试验项目...................................................................................2二、集料试验项目...........................................................................................................4三、水质分析试验项目...................................................................................................5四、岩石试验项目...........................................................................................................5五、水泥及粉煤灰试验项目...........................................................................................6六、水泥混凝土试验项目...............................................................................................7七、钢材试验项目...........................................................................................................8八、钢结构无损检测.......................................................................................................9九、无机结合料稳定土试验.........................................................................................10十、土工试验项目.........................................................................................................10十一、交通安全设施试验项目.....................................................................................11十二、通信管道试验项目.............................................................................................13十三、其它试验项目.....................................................................................................13十四、路基、路面构造物检测.....................................................................................14十五、水泥混凝土路面检测.........................................................................................15十六、桩基检测............................................................................................................15十七、桥梁静、动载试验.............................................................................................16十八、混凝土超声波检...

1、当您付费下载文档后,您只拥有了使用权限,并不意味着购买了版权,文档只能用于自身使用,不得用于其他商业用途(如 [转卖]进行直接盈利或[编辑后售卖]进行间接盈利)。
2、本站所有内容均由合作方或网友上传,本站不对文档的完整性、权威性及其观点立场正确性做任何保证或承诺!文档内容仅供研究参考,付费前请自行鉴别。
3、如文档内容存在违规,或者侵犯商业秘密、侵犯著作权等,请点击“违规举报”。

碎片内容

江苏省物价局_江苏省交通厅联合发布交通工程质量检测和工程材料试验

精品中小学资料+ 关注
实名认证
内容提供者

精品文档

确认删除?
VIP
微信客服
  • 扫码咨询
会员Q群
  • 会员专属群点击这里加入QQ群
客服邮箱
回到顶部