电脑桌面
添加小米粒文库到电脑桌面
安装后可以在桌面快捷访问

某药业有限公司整体搬迁工程土建资料表格VIP免费

某药业有限公司整体搬迁工程土建资料表格_第1页
1/167
某药业有限公司整体搬迁工程土建资料表格_第2页
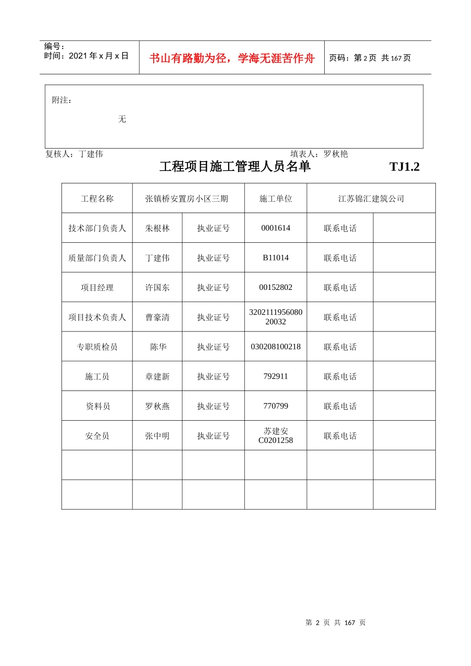
2/167
某药业有限公司整体搬迁工程土建资料表格_第3页
3/167
第1页共167页编号:时间:2021年x月x日书山有路勤为径,学海无涯苦作舟页码:第1页共167页工程概况TJ1.1工程名称XX药业有限公司整体搬迁工程工程地址YY路16、18号工程类型□1、建筑;□2、设备安装;□3、装修工程预(概)算建安工作量□1、新建;□2、扩建;□3、改建万元投资类型□1、外资;□2、合资;□3、国有;□4、集体;□5、民营其中:桩基万元建筑面积M2层次11层/18层土建万元结构类型框剪开工日期安装万元完工日期验收日期装修万元单位名称资质等级法人代表项目负责人建设单位无锡市鸿山经济园区开发公司勘察单位无锡市勘察设计研究院设计单位无锡市勘察设计研究院监理单位无锡华诚建设监理公司施工单位总包无锡华东建筑有限公司分包分包分包结构及装修概况基础条基、砖基础主体结构九五多空砖砌体,钢筋混凝土结构屋面混凝土现浇屋面板楼、地面混凝土现浇楼面,细石混凝土地面门窗铝合金门窗外装饰面砖内装饰水泥砂浆粉面、混合砂浆粉面水、暖、卫普通水、暖、电电气一般电气第2页共167页第1页共167页编号:时间:2021年x月x日书山有路勤为径,学海无涯苦作舟页码:第2页共167页附注:无复核人:丁建伟填表人:罗秋艳工程项目施工管理人员名单TJ1.2工程名称张镇桥安置房小区三期施工单位江苏锦汇建筑公司技术部门负责人朱根林执业证号0001614联系电话质量部门负责人丁建伟执业证号B11014联系电话项目经理许国东执业证号00152802联系电话项目技术负责人曹豪清执业证号320211195608020032联系电话专职质检员陈华执业证号030208100218联系电话施工员章建新执业证号792911联系电话资料员罗秋燕执业证号770799联系电话安全员张中明执业证号苏建安C0201258联系电话第3页共167页第2页共167页编号:时间:2021年x月x日书山有路勤为径,学海无涯苦作舟页码:第3页共167页上述人员是我单位为张镇桥安置房小区三期工程配备的项目管理人员,请建设(监理)单位审核。企业技术负责人:朱根林(公章)企业法人代表:郭小叶年月日审核意见:建设单位项目负责人(总监理工程师):(公章)年月日施工现场质量管理检查记录TJ1.3开工日期:年月日工程名称张镇桥安置房小区二期50~66#房施工许可证(开工证)建设单位无锡洛社镇人民政府项目负责人高且直设计单位无锡轻大建筑研究设计院有限公司项目负责人邱晓峰监理单位江苏腾飞工程项目管理有限公司总监理工程师刘铭施工单位江苏锦汇建筑公司项目经理许国栋项目技术负责人曹豪清序号项目内容1现场质量管理制度自检、交接检、质量例会制度2质量责任制岗位责任制、施工技术,质量安全交底制、挂牌制3主要专业工种操作上岗证电焊工、电工、起重工等上岗证核查结果4分包方资质与对分包单位的管理制度审查分包资质及相应管理制度5施工图审查情况设计交底记录、施工图审批文号及会审记录6地质勘察资料地质报告及批准文号7施工组织设计、施工方案及审批编制与审批程序以及内容是否与施工相符第4页共167页第3页共167页编号:时间:2021年x月x日书山有路勤为径,学海无涯苦作舟页码:第4页共167页8施工技术标准施工图所包含各专业9工程质量检验制度原材料检验制度、施工各阶段检验制度、本工程抽查项目检验计划等10搅拌站及计量设置自拌混凝土(砂浆)搅拌站管理制度设施与计量精度以及控制措施11现场材料、设备存放与管理原材料仓库管理制度、现场堆放及领用制度,原材料进场检验、检测制度12检查结论:总监理工程师:(建设单位项目负责人)年月日施工组织设计、施工方案审批表TJ1.4工程名称鸿运苑A11日期06年8月3日现报上下表中的技术管理文件,请予以审批。类别编制人册数页数施工组织设计郭小叶1施工方案内容附后申报简述:申报部门(分包单位)申报人:第5页共167页第4页共167页编号:时间:2021年x月x日书山有路勤为径,学海无涯苦作舟页码:第5页共167页审核意见:鸿运苑A区项目部所报送的施工组织设计经审核,符合施工图纸设计,施工质量验收规范要求,同意按其实施.□有□无□附页总承包单位名称:无锡华东建筑公司审核人:单冬根审核日期:06年8月4日审批意见:审批结论:□同意□修改后报□重新编制审批部门(单位):审核人:日期:年月...

1、当您付费下载文档后,您只拥有了使用权限,并不意味着购买了版权,文档只能用于自身使用,不得用于其他商业用途(如 [转卖]进行直接盈利或[编辑后售卖]进行间接盈利)。
2、本站所有内容均由合作方或网友上传,本站不对文档的完整性、权威性及其观点立场正确性做任何保证或承诺!文档内容仅供研究参考,付费前请自行鉴别。
3、如文档内容存在违规,或者侵犯商业秘密、侵犯著作权等,请点击“违规举报”。

碎片内容

某药业有限公司整体搬迁工程土建资料表格

确认删除?
VIP
微信客服
  • 扫码咨询
会员Q群
  • 会员专属群点击这里加入QQ群
客服邮箱
回到顶部