电脑桌面
添加小米粒文库到电脑桌面
安装后可以在桌面快捷访问

甘肃省建筑工程安全评价书VIP免费

甘肃省建筑工程安全评价书_第1页
1/39
甘肃省建筑工程安全评价书_第2页
2/39
甘肃省建筑工程安全评价书_第3页
3/39
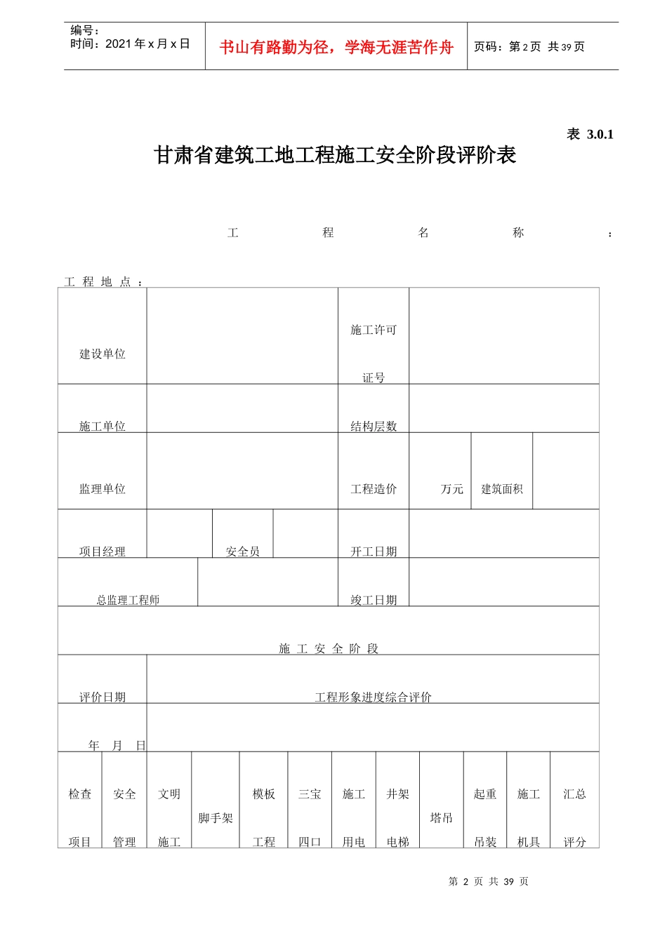
第1页共39页编号:时间:2021年x月x日书山有路勤为径,学海无涯苦作舟页码:第1页共39页编号:甘肃省建筑工程施工安全评价书工程项目:施工单位:甘肃省建设厅印制第2页共39页第1页共39页编号:时间:2021年x月x日书山有路勤为径,学海无涯苦作舟页码:第2页共39页表3.0.1甘肃省建筑工地工程施工安全阶段评阶表工程名称:工程地点:建设单位施工许可证号施工单位结构层数监理单位工程造价万元建筑面积项目经理安全员开工日期总监理工程师竣工日期施工安全阶段评价日期工程形象进度综合评价年月日检查项目安全管理文明施工脚手架模板工程三宝四口施工用电井架电梯塔吊起重吊装施工机具汇总评分第3页共39页第2页共39页编号:时间:2021年x月x日书山有路勤为径,学海无涯苦作舟页码:第3页共39页满分分值102010101010101055100自评分考评分安全状况评定等级优良□合格□不合格□评价意见安全监理工程师:年月日建设单位(公章):年月日总监理工程师(公章):年月日注:此表与原始安全检查评分表一并报安监机构备案表3.0.2安全管理检查评分表检查记录编号序号检查项目扣分标准应得分数自评考评扣减实得扣减实得1保证安全生产□未建立安全责任制的扣10分;□各级部门未执行责任制的扣4~6分;□经济承包中无安全生产指标的扣10分;□未制定各工种安全技术操作规程的扣10分;□未按规定配备专(兼)职安全员的扣10分;□管理人员责任考核不合格的扣5分;10第4页共39页第3页共39页编号:时间:2021年x月x日书山有路勤为径,学海无涯苦作舟页码:第4页共39页项目责任制2目标管理□未制定安全管理目标(伤亡控制指标各安全达标、文明施工目标)的扣10分;□未进行安全责任目标分解的扣10分;□无责任目标考核规定的扣8分;□考核办法未落实或落实不好的扣5分;103施工组织设计□施工组织设计中无安全措施,扣10分;□施工组织设计未经审批,扣10分;□专业性较强的项目,未编制专项安全施工组织设计,扣8分;□安全措施不全面,扣2~4分;□安全措施无针对性,扣6~8分;□安全措施未落实,扣8分;104分部(分项)工程安全技术交底□无书面安全技术交底扣10分;□交底针对性不强扣4~6分;□交底不全面扣4分;□交底未覆行签字手续扣2~4分;105安全检查□无定期安全检查制度扣5分;□安全检查无记录扣5分;□检查出事故隐患整改做不到定人、定时间、定措施扣2~6分;□对重大事故隐患整改通知书所列项目未如期完成扣5分;106安全教育□无安全教育制度扣10分;□新入场工人未进行三级安全教育扣10分;□无具体安全教育内容扣6~8分;□变换工种时未进行安全教育扣10分;□每有一人不懂本工种安全技术操作规程扣2分;□施工管理人员未按规定进行年度培训的扣5分;□专职安全员未按规定进行年度培训考核或考核不合格的扣5分;10小计607一般班前安全活动□未建立班前安全活动制度的扣10分;□班前安全活动无记录扣2分;10第5页共39页第4页共39页编号:时间:2021年x月x日书山有路勤为径,学海无涯苦作舟页码:第5页共39页项目8特种作业持证上岗□一人未经培训从事特种作业扣4分;□一人未持操作证上岗扣2分;109工伤事故处理□工伤事故未按规定报告扣3~5分;□工伤事故未按事故调查分析规定处理扣10分;□未建立工伤事故档案扣4分;1010安全标志□无现场安全标志布置总平面图扣5分;□现场未按安全标志总平面图设置安全标志的扣5分;10小计40检查项目合计100:序号检查项目扣分标准应得分数自评考评扣减实得扣减实得1保证现场围挡□在市区主要路段的工地周围未设置高于2.5m的围挡扣10分;□一般路段的工地周围未设置高于1.3m的围挡扣10分;□围挡材料不坚固、不稳定、不整洁、不美观扣5~7分;□围挡没有沿工地四周连续设置的扣3~5分;10第6页共39页第5页共39页编号:时间:2021年x月x日书山有路勤为径,学海无涯苦作舟页码:第6页共39页项目2封闭管理□施工现场进出口无大门的扣3分;□无门卫和无门卫制度的扣3分;□进入施工现场不佩戴工作卡的扣2分;□门头未设置企业标志的扣2分;103施工场地□工地地面未做硬化处理的扣5分;□道路不畅通的扣5分;□无排水设施、排水不畅通的扣4分;□无防...

1、当您付费下载文档后,您只拥有了使用权限,并不意味着购买了版权,文档只能用于自身使用,不得用于其他商业用途(如 [转卖]进行直接盈利或[编辑后售卖]进行间接盈利)。
2、本站所有内容均由合作方或网友上传,本站不对文档的完整性、权威性及其观点立场正确性做任何保证或承诺!文档内容仅供研究参考,付费前请自行鉴别。
3、如文档内容存在违规,或者侵犯商业秘密、侵犯著作权等,请点击“违规举报”。

碎片内容

甘肃省建筑工程安全评价书

确认删除?
VIP
微信客服
  • 扫码咨询
会员Q群
  • 会员专属群点击这里加入QQ群
客服邮箱
回到顶部