电脑桌面
添加小米粒文库到电脑桌面
安装后可以在桌面快捷访问

机械设备安装工程技术资料表汇编VIP免费

机械设备安装工程技术资料表汇编_第1页
1/71
机械设备安装工程技术资料表汇编_第2页
2/71
机械设备安装工程技术资料表汇编_第3页
3/71
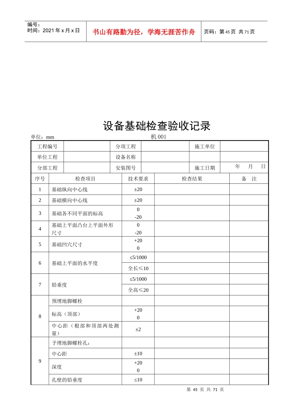
第44页共71页编号:时间:2021年x月x日书山有路勤为径,学海无涯苦作舟页码:第44页共71页机械设备安装工程技术资料编号:第45页共71页第44页共71页编号:时间:2021年x月x日书山有路勤为径,学海无涯苦作舟页码:第45页共71页设备基础检查验收记录单位:mm机001工程编号分项工程施工单位单位工程设备名称分部工程安装图号施工日期年月日序号检查项目技术要求检查结果备注1基础纵向中心线±202基础横向中心线±203基础各不同平面的标高0-204基础上平面凸台上平面外形尺寸0-205基础凹穴尺寸+2006基础上平面的水平度≤5/1000全长≤107铅垂度≤5/1000全高≤208预埋地脚螺栓标高(顶部)+200中心距(根部和顶部两处测量)±29予埋地脚螺栓孔:中心距±10深度+200孔壁的铅垂度≤10第46页共71页第45页共71页编号:时间:2021年x月x日书山有路勤为径,学海无涯苦作舟页码:第46页共71页10予埋活动地脚螺栓锚板:标高+200中心距±5水平度(带槽的锚板)≤5水平度(带螺纹孔的锚板)≤2自检:班组长:施工负责人:技术负责人:质检员意见:质检员:监理意见:监理代表:设备开箱检查验证记录机002工程编号装箱单号出厂编号单位工程设备名称出厂日期分部工程合同号制造厂设备检查情况1、包装情况:2、设备外观:3、设备零部件:4、其他:技术文件资料1、装箱单:5、其他:2、合格证:3、说明书:4、图纸:第47页共71页第46页共71页编号:时间:2021年x月x日书山有路勤为径,学海无涯苦作舟页码:第47页共71页存在问题及处理意见会签垫板安装检查记录机003工程编号分项工程施工单位单位工程安装图号分部工程设备名称施工日期年月日序号检查项目技术要求检查结果备注1每个地脚螺栓旁边至少布置一组垫板2机邻两组垫板距离为500-1000mm3每组垫板块数不超过5块4垫板之间,垫板与底座之间接触面积≥70%用0.05mm塞尺检查,塞入长度总和不得大于垫板的1/35平垫板端面露出设备底面外缘长度10-30斜垫板露出长度10-50垫板伸入长度要超过地脚螺栓中心6垫板安装标高偏差±0.57垫板安装水平度偏差垫板安装水平度偏差纵向≤0.1/1000第48页共71页第47页共71页编号:时间:2021年x月x日书山有路勤为径,学海无涯苦作舟页码:第48页共71页垫板安装水平度偏差横向≤0.1/10008灌浆前,垫板之间三面点焊牢固垫板布置图:自检:班组长:施工负责人:技术负责人:质检员意见:质检员:设备安装、清洗、调整、检查记录机004工程编号分项工程施工单位单位工程设备名称分部工程安装图号施工日期年月日序号检查项目技术要求检查结果备注第49页共71页第48页共71页编号:时间:2021年x月x日书山有路勤为径,学海无涯苦作舟页码:第49页共71页简图及说明:自检:班组长:施工负责人:技术负责人:质检员意见:质检员:班组自检记录机005工程编号分项工程施工单位单位工程安装图号分部工程施工日期年月日序号检查项目技术要求检查结果备注第50页共71页第49页共71页编号:时间:2021年x月x日书山有路勤为径,学海无涯苦作舟页码:第50页共71页简图及说明:自检:班组长:施工负责人:技术负责人:质检员意见:质检员:滑动轴承装配检查记录(一)机006工程编号分项工程施工单位单位工程设备名称分部工程安装图号施工日期年月日序号检查项目技术要求检查结果备注一厚壁轴瓦轴承的装配1上、下轴瓦瓦背与轴承孔应接触良好(见图一)(1)接触角a:稀油干油上轴瓦130°120°下轴瓦150°140°(2)接触角内接角率:上轴瓦60%下轴瓦70%(3)瓦侧间隙b:第51页共71页第50页共71页编号:时间:2021年x月x日书山有路勤为径,学海无涯苦作舟页码:第51页共71页D≤200时,0.05塞尺不入D:轴公称直径D>200时,0.10塞尺不入简图及说明:上、下轴瓦内孔与相关轴颈的接触要求上下轴瓦瓦背与相关轴承孔的接触要求图一图二自检:班组长:施工负责人:技术负责人:质检员意见:质检员:滑动轴承装配检查记录(二)机007工程编号分项工程施工单位单位工程设备名称分部工程安装图号施工日期年月日序号检查项目技术要求检查结果备注2上、下轴瓦接合面应接触良好0.05塞尺检查,塞入深度≤1/33动压轴承的顶间隙:(见附表一)4单侧间隙:顶间隙的1/2~1/35上、...

1、当您付费下载文档后,您只拥有了使用权限,并不意味着购买了版权,文档只能用于自身使用,不得用于其他商业用途(如 [转卖]进行直接盈利或[编辑后售卖]进行间接盈利)。
2、本站所有内容均由合作方或网友上传,本站不对文档的完整性、权威性及其观点立场正确性做任何保证或承诺!文档内容仅供研究参考,付费前请自行鉴别。
3、如文档内容存在违规,或者侵犯商业秘密、侵犯著作权等,请点击“违规举报”。

碎片内容

机械设备安装工程技术资料表汇编

您可能关注的文档

确认删除?
VIP
微信客服
  • 扫码咨询
会员Q群
  • 会员专属群点击这里加入QQ群
客服邮箱
回到顶部