电脑桌面
添加小米粒文库到电脑桌面
安装后可以在桌面快捷访问

某地产某项目接管验收表格VIP免费

某地产某项目接管验收表格_第1页
1/66
某地产某项目接管验收表格_第2页
2/66
某地产某项目接管验收表格_第3页
3/66
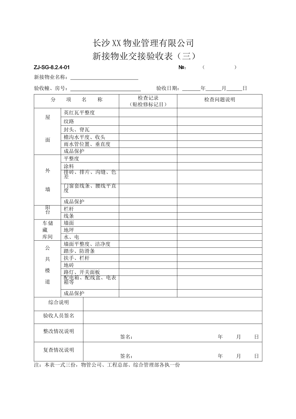
长沙XX物业管理有限公司新接物业交接验收表(一)ZJ-SG-8.2.4-01№:()验收幢、房号:验收日期:年月日分项名称检查记录(贴检修标记)检查问题说明内墙平整度裂纹、裂缝阴线、阳线成品保护地坪平整度起沙、起壳、裂缝踢角线成品保护门窗门框门窗开启情况合页、五金件油漆封条窗台排水坡度防水胶成品保护厨厕排油烟孔墙面、地坪平整度排水坡度地漏成品保护阳台排水坡度地漏栏杆成品保护综合说明验收人员签名整改情况说明签名:年月日复查情况说明签名:年月日注:本表一式三份,物管公司、开发公司、物业服务中心各执一份。长沙XX物业管理有限公司新接物业交接验收表(二)ZJ-SG-8.2.4-01№:()验收幢、房号:验收日期:年月日分项名称检查记录(贴检修标记目)检查问题说明供水设施用水设施预留口位置是否正确水表、阀、闸安装是否规范成品保护排水设施洁具排水口位置是否正确成品保护电器设施面板是否端正、稳固面板位置是否正确配电箱是否端正、稳固,位置是否正确成品保护有线电视面板是否端正、稳固煤气管道电话预留口面板是否端正,安装是否稳固综合说明验收人员签名整改情况说明签名:年月日复查情况说明签名:年月日注:本表一式三份,物管公司、开发公司、物业服务中心各执一份。长沙XX物业管理有限公司新接物业交接验收表(三)ZJ-SG-8.2.4-01№:()新接物业名称:验收幢、房号:验收日期:年月日分项名称检查记录(贴检修标记目)检查问题说明屋面英红瓦平整度纹路封头、脊瓦檐沟水平度、收头雨水管位置、垂直度成品保护外墙平整度涂料排砖、排片、沟缝、色差门窗套线条、腰线平直度成品保护阳台栏杆线条车储藏库间墙面地坪水、电公共楼道墙面平整度、洁净度踏步、防滑条扶手、栏杆地砖路灯、开关面板配电箱、配线盒、电表箱等成品保护综合说明验收人员签名整改情况说明签名:年月日复查情况说明签名:年月日注:本表一式三份,物管公司、工程总部、综合管理部各执一份长沙XX物业管理有限公司接管验收资料遗留问题清单ZJ-SG-8.2.4-02№:()相关设施设备系统名称:验收日期:年月日设施设备资料名称遗留问题简述备注(整改说明)移交单位:接收单位:监交单位:代表人:代表人:代表人:长沙XX物业管理有限公司接管验收设施设备遗留问题清单ZJ-SG-8.2.4-03№:()设施设备系统名称:验收日期:年月日设施设备名称位置遗留问题简述备注(整改说明)移交单位:接收单位:监交单位:代表人:代表人:代表人:长沙XX物业管理有限公司共用设施设备系统移交明细表ZJ-SG-8.2.4-04№:()设施设备名称移交日期:年月日序号移交内容数量保修起止日期备注移交单位:接收单位:监交单位:代表人:代表人:代表人:长沙XX物业管理有限公司共用设施设备系统资料/备品件移交明细表ZJ-SG-8.2.4-05№:()相关设施设备系统名称移交日期:年月日序号移交资料/备品件内容数量遗留问题备注移交单位:接收单位:监交单位:代表人:代表人:代表人:长沙XX物业管理有限公司综合资料移交明细表ZJ-SG-8.2.4-06№:()序号移交资料名称数量核对情况移交单位:接收单位:代表人:代表人:长沙XX物业管理有限公司项目各类资料未移交明细表ZJ-SG-8.2.4-07№:()类序号未移交资料名称备注注:请开发建设单位接受后落实移交措施。长沙XX物业管理有限公司物业公共设施、设备交接验收表(一)ZJ-SG-8.2.4-08№:()物业名称:验收日期:年月日分项名称检查情况说明备注园区道路平整及坡度路面沉降、裂缝雨污水井口位置道路井盖污水井畅通程度石坎齐整度成品保护园区绿化覆盖程度成活率配比率虫害情况修剪情况施肥情况树种保护园区设施路灯宣传栏总平面示意图休闲椅庭园小品儿童室外娱乐设施围墙小区出入口大门绿化取水口其它综合说明验收人员签名整改情况签名:年月日复查情况签名:年月日注:本表一式二份,物管公司、开发公司各执一份。长沙XX物业管理有限公司物业公共设施、设备交接验收表(二)ZJ-SG-8.2.4-08№:()新接物业名称:验收日期:年月日分项名称检查情况说明备注安保设备电控对讲门/可视对讲消防设备监控中心(试运转情况)周界报警设备巡逻点设备其它水电设备供水设备...

1、当您付费下载文档后,您只拥有了使用权限,并不意味着购买了版权,文档只能用于自身使用,不得用于其他商业用途(如 [转卖]进行直接盈利或[编辑后售卖]进行间接盈利)。
2、本站所有内容均由合作方或网友上传,本站不对文档的完整性、权威性及其观点立场正确性做任何保证或承诺!文档内容仅供研究参考,付费前请自行鉴别。
3、如文档内容存在违规,或者侵犯商业秘密、侵犯著作权等,请点击“违规举报”。

碎片内容

某地产某项目接管验收表格

确认删除?
VIP
微信客服
  • 扫码咨询
会员Q群
  • 会员专属群点击这里加入QQ群
客服邮箱
回到顶部