电脑桌面
添加小米粒文库到电脑桌面
安装后可以在桌面快捷访问

泉州市佳泰数控机械有限公司1#厂房BGJ110947VIP专享VIP免费

泉州市佳泰数控机械有限公司1#厂房BGJ110947_第1页
1/16
泉州市佳泰数控机械有限公司1#厂房BGJ110947_第2页
2/16
泉州市佳泰数控机械有限公司1#厂房BGJ110947_第3页
3/16
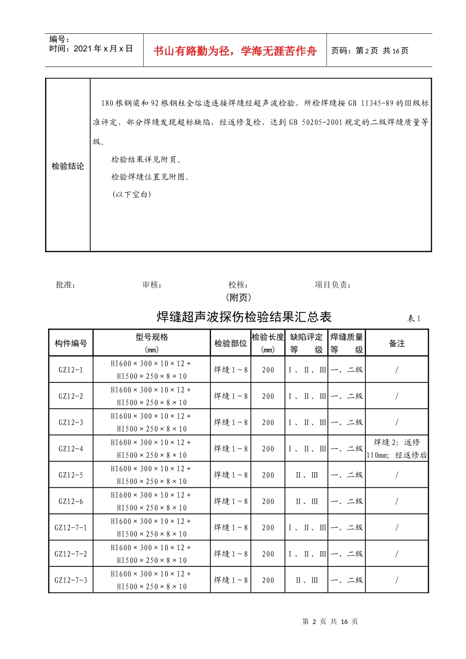
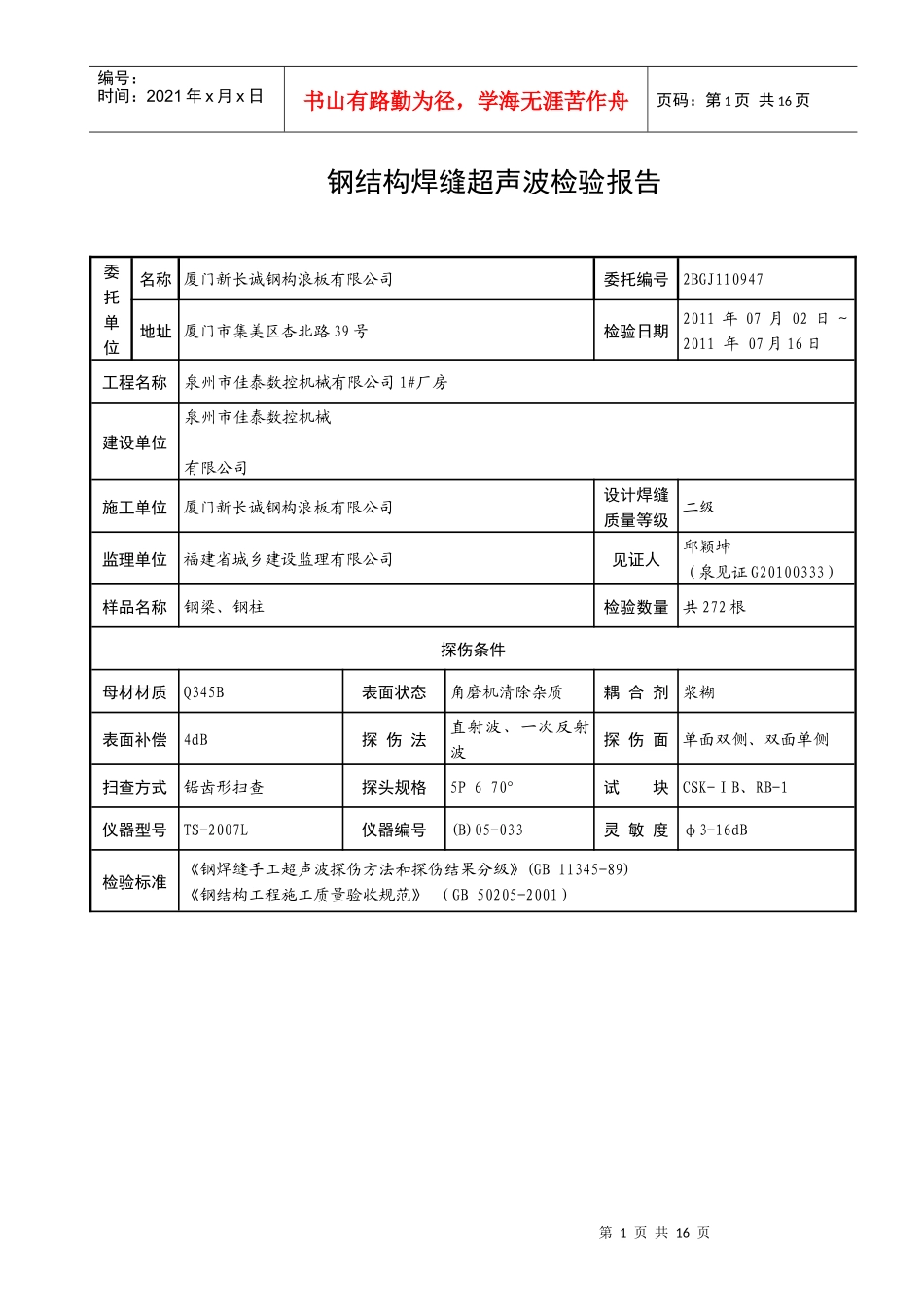
第1页共16页编号:时间:2021年x月x日书山有路勤为径,学海无涯苦作舟页码:第1页共16页钢结构焊缝超声波检验报告委托单位名称厦门新长诚钢构浪板有限公司委托编号2BGJ110947地址厦门市集美区杏北路39号检验日期2011年07月02日~2011年07月16日工程名称泉州市佳泰数控机械有限公司1#厂房建设单位泉州市佳泰数控机械有限公司施工单位厦门新长诚钢构浪板有限公司设计焊缝质量等级二级监理单位福建省城乡建设监理有限公司见证人邱颖坤(泉见证G20100333)样品名称钢梁、钢柱检验数量共272根探伤条件母材材质Q345B表面状态角磨机清除杂质耦合剂浆糊表面补偿4dB探伤法直射波、一次反射波探伤面单面双侧、双面单侧扫查方式锯齿形扫查探头规格5P670°试块CSK-ⅠB、RB-1仪器型号TS-2007L仪器编号(B)05-033灵敏度φ3-16dB检验标准《钢焊缝手工超声波探伤方法和探伤结果分级》(GB11345-89)《钢结构工程施工质量验收规范》(GB50205-2001)第2页共16页第1页共16页编号:时间:2021年x月x日书山有路勤为径,学海无涯苦作舟页码:第2页共16页检验结论180根钢梁和92根钢柱全熔透连接焊缝经超声波检验,所检焊缝按GB11345-89的Ⅲ级标准评定,部分焊缝发现超标缺陷,经返修复检,达到GB50205-2001规定的二级焊缝质量等级。检验结果详见附页。检验焊缝位置见附图。(以下空白)批准:审核:校核:项目负责:(附页)焊缝超声波探伤检验结果汇总表表1构件编号型号规格(mm)检验部位检验长度(mm)缺陷评定等级焊缝质量等级备注GZ12-1HI600×300×10×12+HI500×250×8×10焊缝1~8200Ⅰ、Ⅱ、Ⅲ一、二级/GZ12-2HI600×300×10×12+HI500×250×8×10焊缝1~8200Ⅰ、Ⅱ、Ⅲ一、二级/GZ12-3HI600×300×10×12+HI500×250×8×10焊缝1~8200Ⅰ、Ⅱ、Ⅲ一、二级/GZ12-4HI600×300×10×12+HI500×250×8×10焊缝1~8200Ⅰ、Ⅱ、Ⅲ一、二级焊缝2:返修110mm;经返修后GZ12-5HI600×300×10×12+HI500×250×8×10焊缝1~8200Ⅱ、Ⅲ一、二级/GZ12-6HI600×300×10×12+HI500×250×8×10焊缝1~8200Ⅱ、Ⅲ一、二级/GZ12-7-1HI600×300×10×12+HI500×250×8×10焊缝1~8200Ⅰ、Ⅱ、Ⅲ一、二级/GZ12-7-2HI600×300×10×12+HI500×250×8×10焊缝1~8200Ⅰ、Ⅱ、Ⅲ一、二级/GZ12-7-3HI600×300×10×12+HI500×250×8×10焊缝1~8200Ⅱ、Ⅲ一、二级/第3页共16页第2页共16页编号:时间:2021年x月x日书山有路勤为径,学海无涯苦作舟页码:第3页共16页GZ12-8-1HI600×300×10×12+HI500×250×8×10焊缝1~8200Ⅰ、Ⅱ、Ⅲ一、二级/GZ12-8-2HI600×300×10×12+HI500×250×8×10焊缝1~8200Ⅰ、Ⅱ、Ⅲ一、二级/GZ12-8-3HI600×300×10×12+HI500×250×8×10焊缝1~8200Ⅰ、Ⅱ、Ⅲ一、二级/GZ12-9-1HI600×300×10×12+HI500×250×8×10焊缝1~8200Ⅰ、Ⅱ、Ⅲ一、二级/GZ12-9-2HI600×300×10×12+HI500×250×8×10焊缝1~8200Ⅰ、Ⅱ、Ⅲ一、二级/GZ12-9-3HI600×300×10×12+HI500×250×8×10焊缝1~8200Ⅰ、Ⅱ一级/GZ12-10-1HI600×300×10×12+HI500×250×8×10焊缝1~8200Ⅰ、Ⅱ、Ⅲ一、二级/GZ12-10-2HI600×300×10×12+HI500×250×8×10焊缝1~8200Ⅰ、Ⅱ、Ⅲ一、二级/GZ12-10-3HI600×300×10×12+HI500×250×8×10焊缝1~8200Ⅱ、Ⅲ一、二级/GZ12-11HI600×300×10×12+HI500×250×8×10焊缝1~8200Ⅱ、Ⅲ一、二级/GZ12-12HI600×300×10×12+HI500×250×8×10焊缝1~8200Ⅰ、Ⅱ、Ⅲ一、二级/GZ12-14-1HI600×300×10×12+HI500×250×8×10焊缝1~8200Ⅰ、Ⅱ、Ⅲ一、二级/GZ12-14-2HI600×300×10×12+HI500×250×8×10焊缝1~8200Ⅰ、Ⅱ、Ⅲ一、二级/表1-1构件编号型号规格(mm)检验部位检验长度(mm)缺陷评定等级焊缝质量等级备注GZ12-14-3HI600×300×10×12+HI500×250×8×10焊缝1~8200Ⅰ、Ⅱ、Ⅲ一、二级/GZ12-16-1HI600×300×10×12+HI500×250×8×10焊缝1~8200Ⅱ、Ⅲ一、二级/GZ12-16-2HI600×300×10×12+HI500×250×8×10焊缝1~8200Ⅰ、Ⅱ、Ⅲ一、二级/GZ12-16-3HI600×300×10×12+HI500×250×8×10焊缝1~8200Ⅰ、Ⅱ、Ⅲ一、二级/GZ12-17HI600×300...

1、当您付费下载文档后,您只拥有了使用权限,并不意味着购买了版权,文档只能用于自身使用,不得用于其他商业用途(如 [转卖]进行直接盈利或[编辑后售卖]进行间接盈利)。
2、本站所有内容均由合作方或网友上传,本站不对文档的完整性、权威性及其观点立场正确性做任何保证或承诺!文档内容仅供研究参考,付费前请自行鉴别。
3、如文档内容存在违规,或者侵犯商业秘密、侵犯著作权等,请点击“违规举报”。

碎片内容

泉州市佳泰数控机械有限公司1#厂房BGJ110947

确认删除?
VIP
微信客服
  • 扫码咨询
会员Q群
  • 会员专属群点击这里加入QQ群
客服邮箱
回到顶部